GM Service Manual Online
For 1990-2009 cars only
Makes
🢒
Chevrolet
🢒
2004
🢒
Chevy C Cab/Chassis HD (GMT 400)
🢒
HVAC
🢒
HVAC Systems - Manual
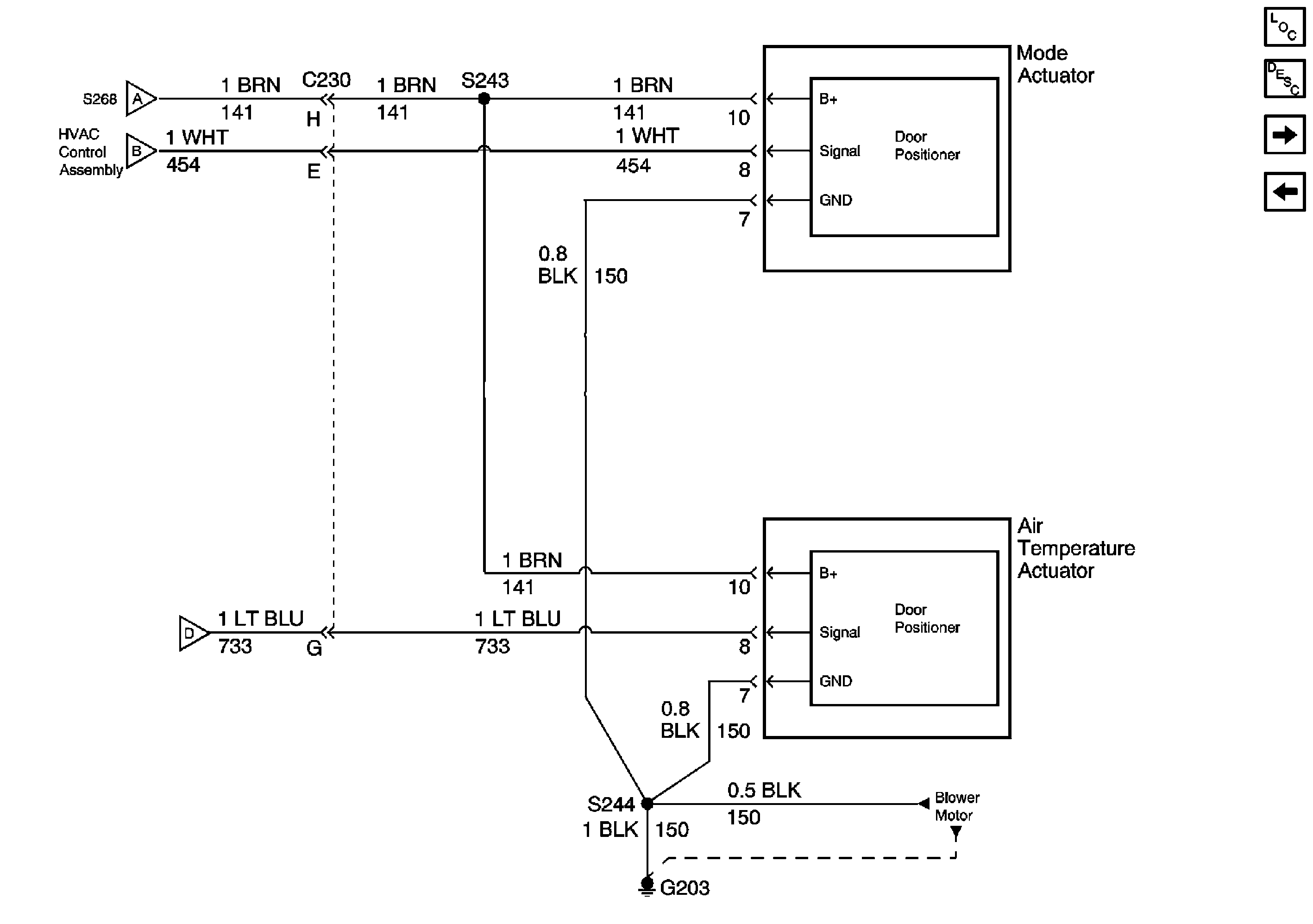
🢒 HVAC Schematics
Figure
1:
HVAC Control Module
Master Electrical Component List
Air Delivery Description and Operation
Air Door Circuits
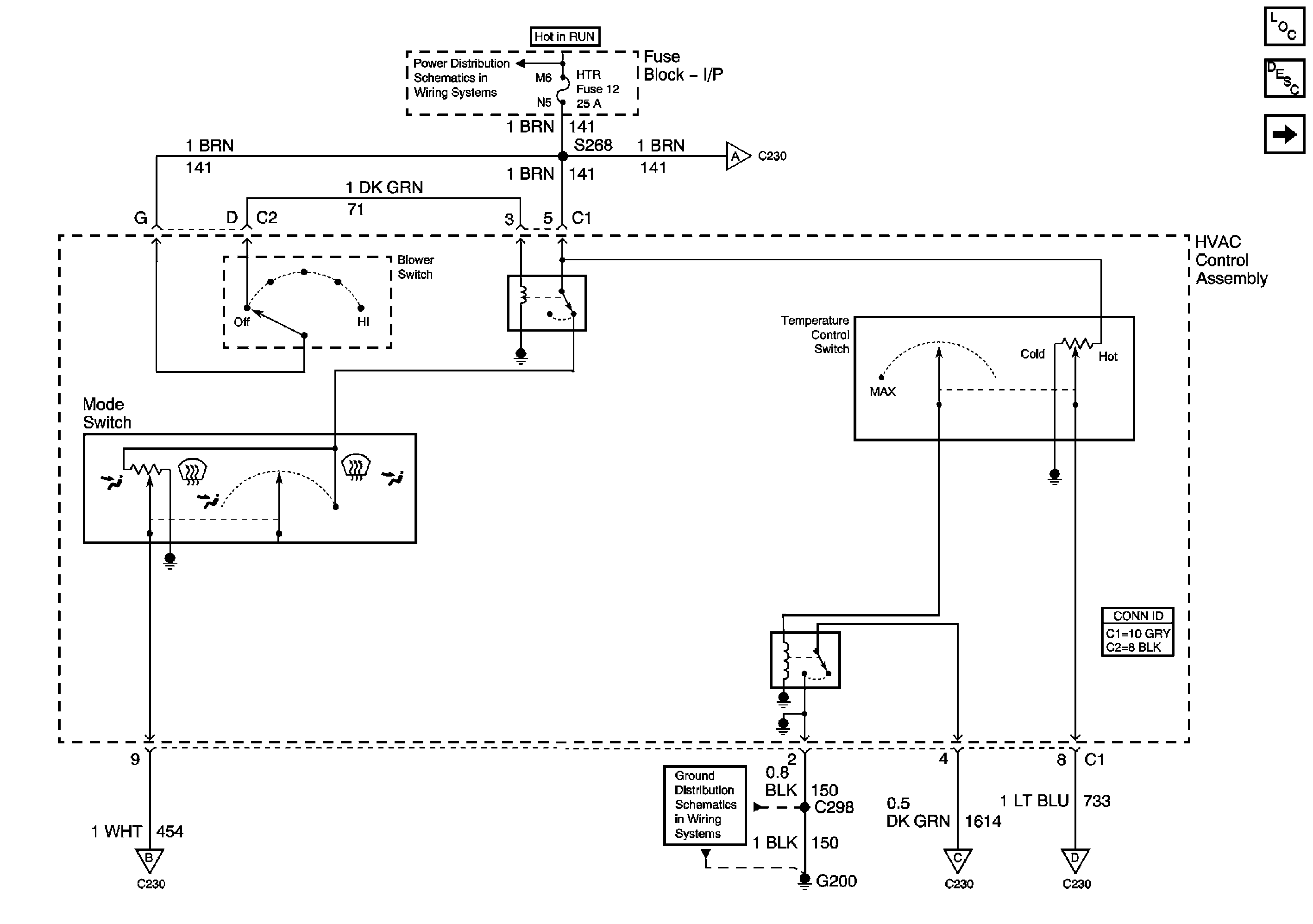
ABS, Blower, Stop-Haz, and IGN B Fuses, and Igntion Switch
Air Door Circuits
Air Door Circuits
Air Door Circuits
G200
Air Door Circuits
Blower Control (without A/C)
Air Door Circuits
Figure
2:
Air Door Circuits
Master Electrical Component List
Air Delivery Description and Operation
Blower Control (without A/C)
HVAC Control Module
Blower Control (without A/C)
G105, L18, 1 of 2, All Except Ignition Coils
Oil Pressure, Coolant Temperature, and Voltage Gages, Battery, and Check Gages Indicators
HVAC Control Module
HVAC Control Module
HVAC Control Module
Figure
3:
Blower Control (without A/C)
Battery and Underhood Fuse Block
ABS, Blower, Stop-Haz, and IGN B Fuses, and Igntion Switch
Brake, Curise, SEO TP-2, and Htr-Fuses
Master Electrical Component List
Air Delivery Description and Operation