GM Service Manual Online
For 1990-2009 cars only
Makes
🢒
Chevrolet
🢒
2004
🢒
Chevy C Cab/Chassis HD (GMT 400)
🢒 L18 Charging
L18 Charging
L18 Charging
Brake, Curise, SEO TP-2, and Htr-Fuses
2004 CK 400 L18 Starting
Gages Fuse and Turn-B/U Fuse
IGN A Fuse and Ignition Switch
Master Electrical Component List
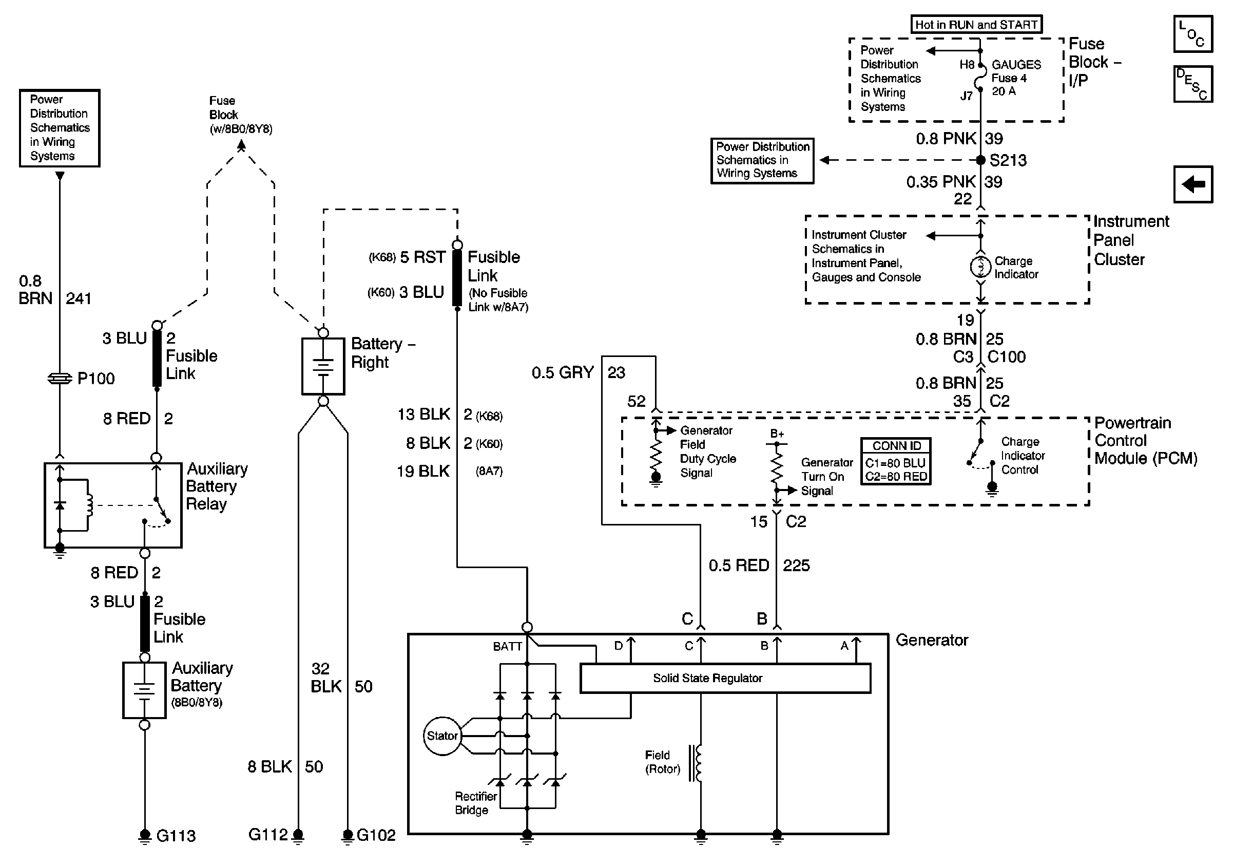
Charging System Description and Operation
2004 CK 400 L18 Starting