GM Service Manual Online
For 1990-2009 cars only
Makes
🢒
Chevrolet
🢒
2005
🢒
Chevy C Cab/Chassis HD (GMT 400)
🢒
Body
🢒
Horns
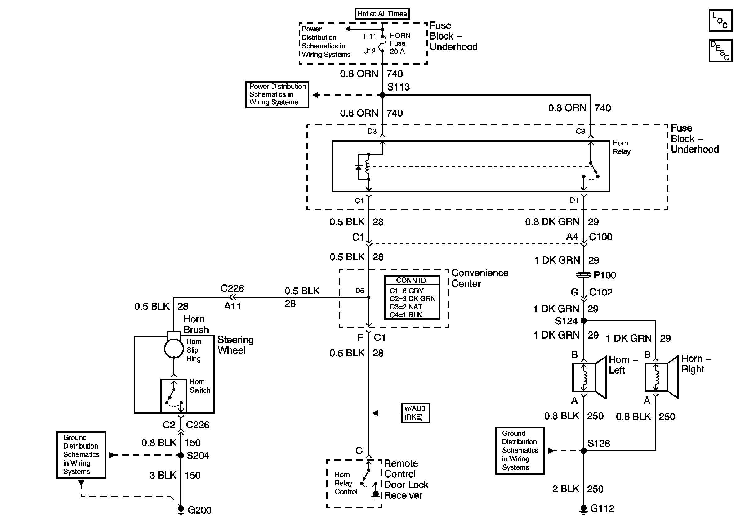
🢒 Horn Schematics
Master Electrical Component List
Horns System Description and Operation
Battery and Underhood Fuse Block
ECM-B, Horn
G112, Lights, Right Side
G200