GM Service Manual Online
For 1990-2009 cars only
Makes
🢒
Chevrolet
🢒
2005
🢒
Chevy C Cab/Chassis HD (GMT 400)
🢒
Body
🢒
Wiring Systems
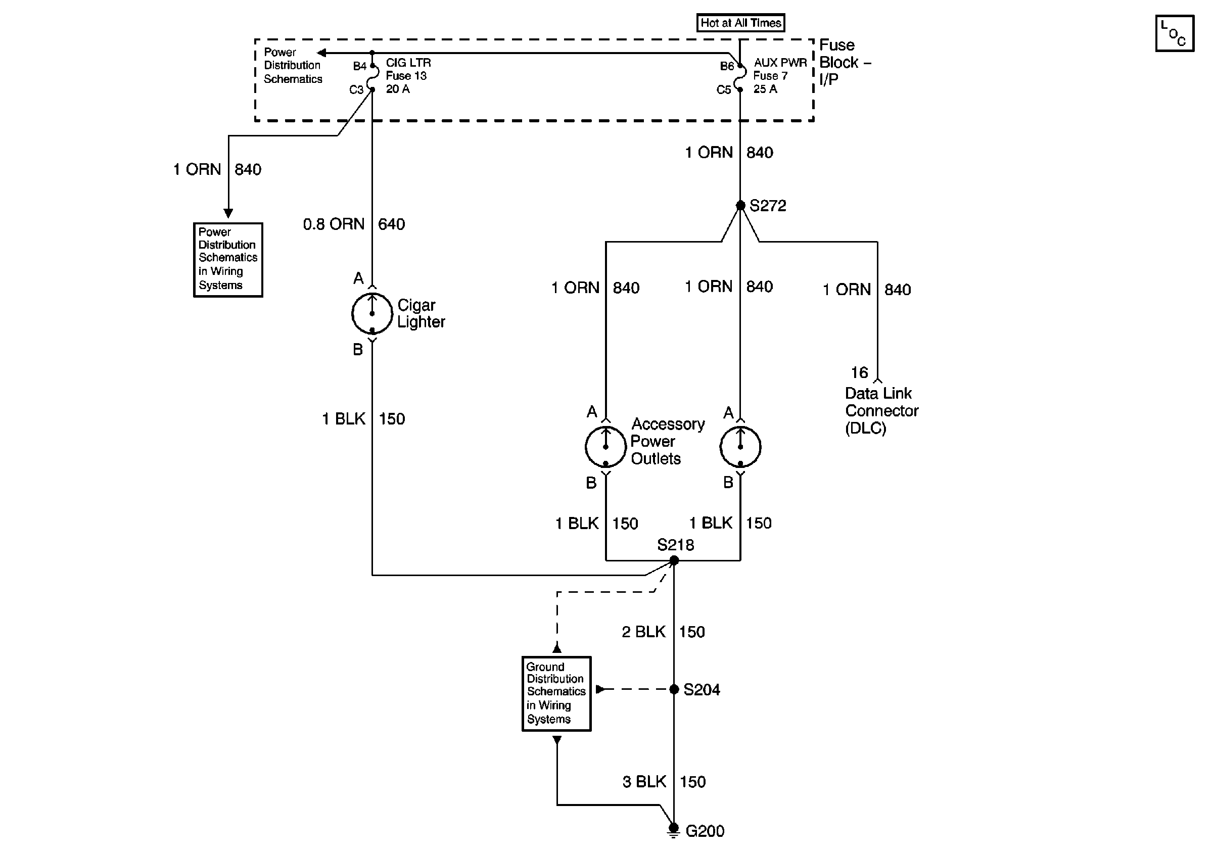
🢒 Cigar Lighter/Power Outlet Schematics
Master Electrical Component List
Lighting and Battery Fuses
Stop/Haz, Radio Batt, Aux Pwr, and Cig Ltr Fuses
G200