GM Service Manual Online
For 1990-2009 cars only
Makes
🢒
Chevrolet
🢒
2005
🢒
Chevy C Cab/Chassis HD (GMT 400)
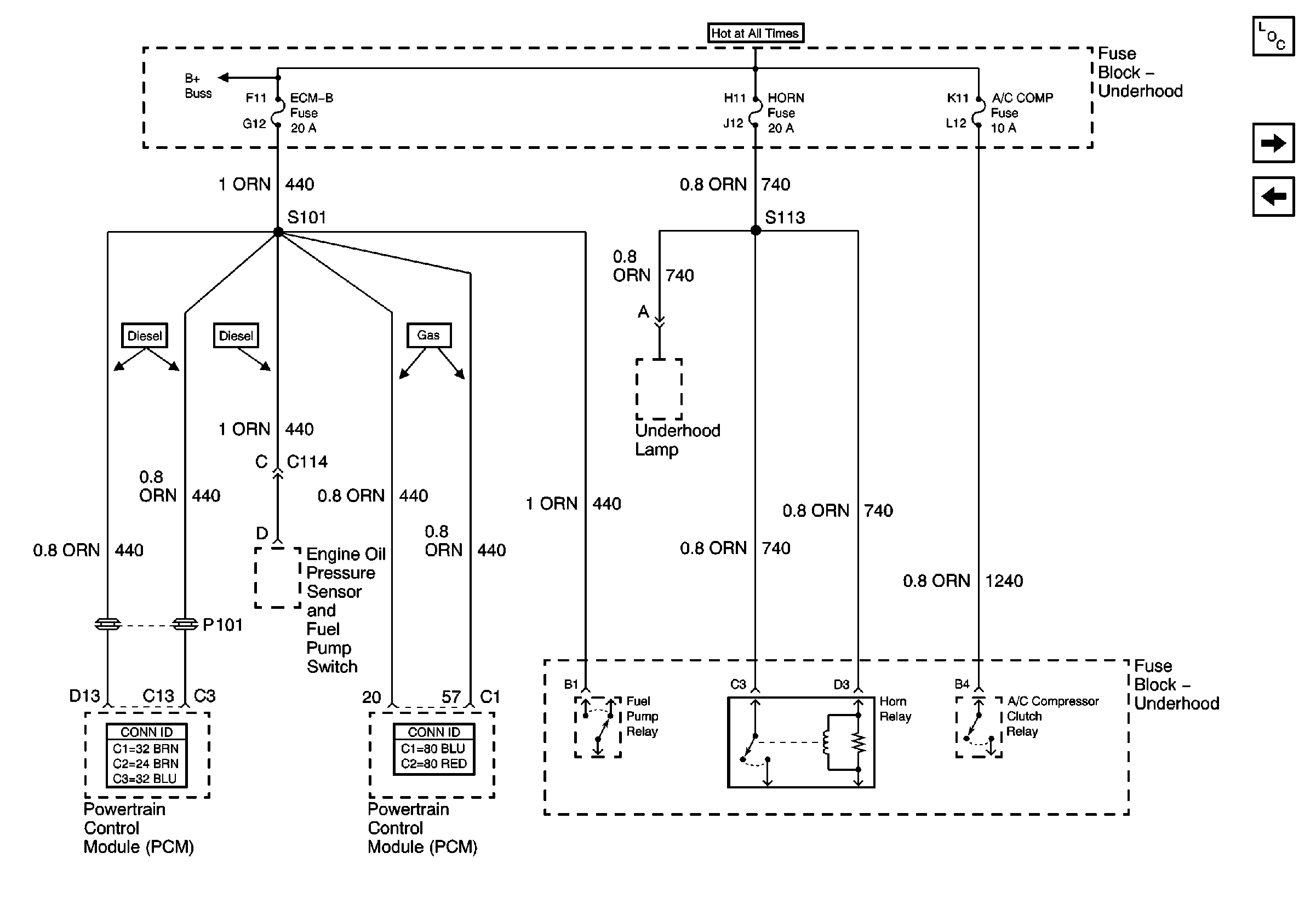
🢒 ECM-B, Horn, and A/C Fuses
ECM-B, Horn, and A/C Fuses
ECM-B, Horn, and A/C Fuses
Battery and Underhood Fuse Block
Master Electrical Component List
DRL-Fog, Security, and CTSY Fuses
ABS, Blower, Stop-Haz, and IGN B Fuses and Ignition Switch