GM Service Manual Online
For 1990-2009 cars only
Makes
🢒
Chevrolet
🢒
2005
🢒
Chevy C Cab/Chassis HD (GMT 400)
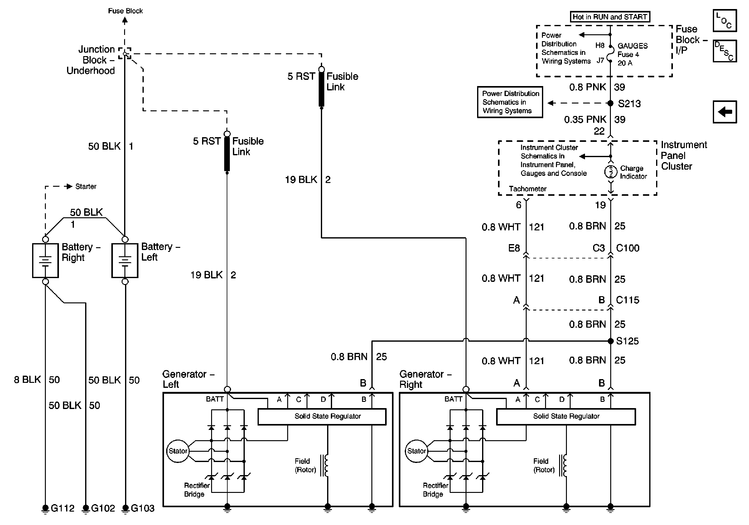
🢒 L65 Charging (Dual Generators)
L65 Charging (Dual Generators)
L65 Charging--Dual Generators
L65 Starting (Dual Generators)
L65 Starting (Dual Generators)
Gauges and Turn-B/U Fuses
Fuel Gauge, Tachometer, and Speedometer
Master Electrical Component List
IGN A Fuse and Ignition Switch
Charging System Description and Operation
L65 Charging (Single Generator)