GM Service Manual Online
For 1990-2009 cars only
Makes
🢒
Chevrolet
🢒
2005
🢒
Chevy C Cab/Chassis HD (GMT 400)
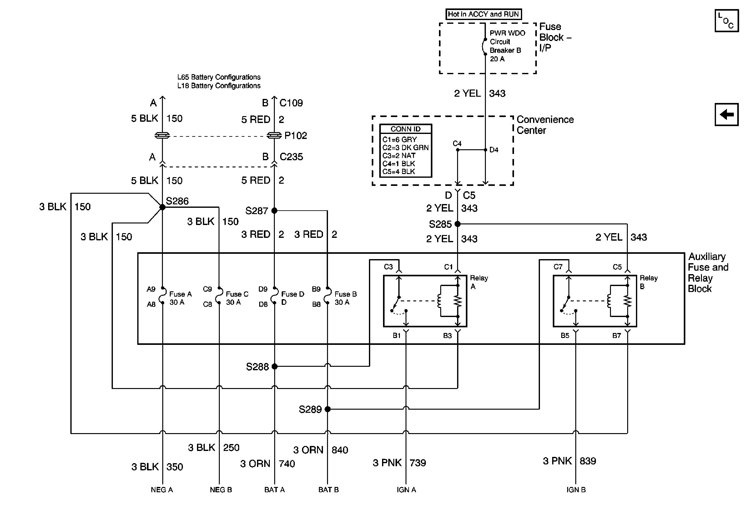
🢒 Auxiliary Power Supply - 9L4
Auxiliary Power Supply - 9L4
Auxiliary Power Supply -- 9L4
Master Electrical Component List
Auxiliary Light Switch - 5Y0 and 5X7
L18 Battery Configurations
L65 Battery Configurations
ABS, Blower, Stop-Haz, and IGN B Fuses and Ignition Switch