GM Service Manual Online
For 1990-2009 cars only

Refer to

A/C System - 4.3L


Object Number: 31879  Size: FS
Engine Controls Components
Instrument Cluster, Instrument Panel, and the DLC -4.3L
PC Solenoid and the TFP Sensor - 4.3L
OBD II Symbol Description Notice
Handling ESD Sensitive Parts Notice

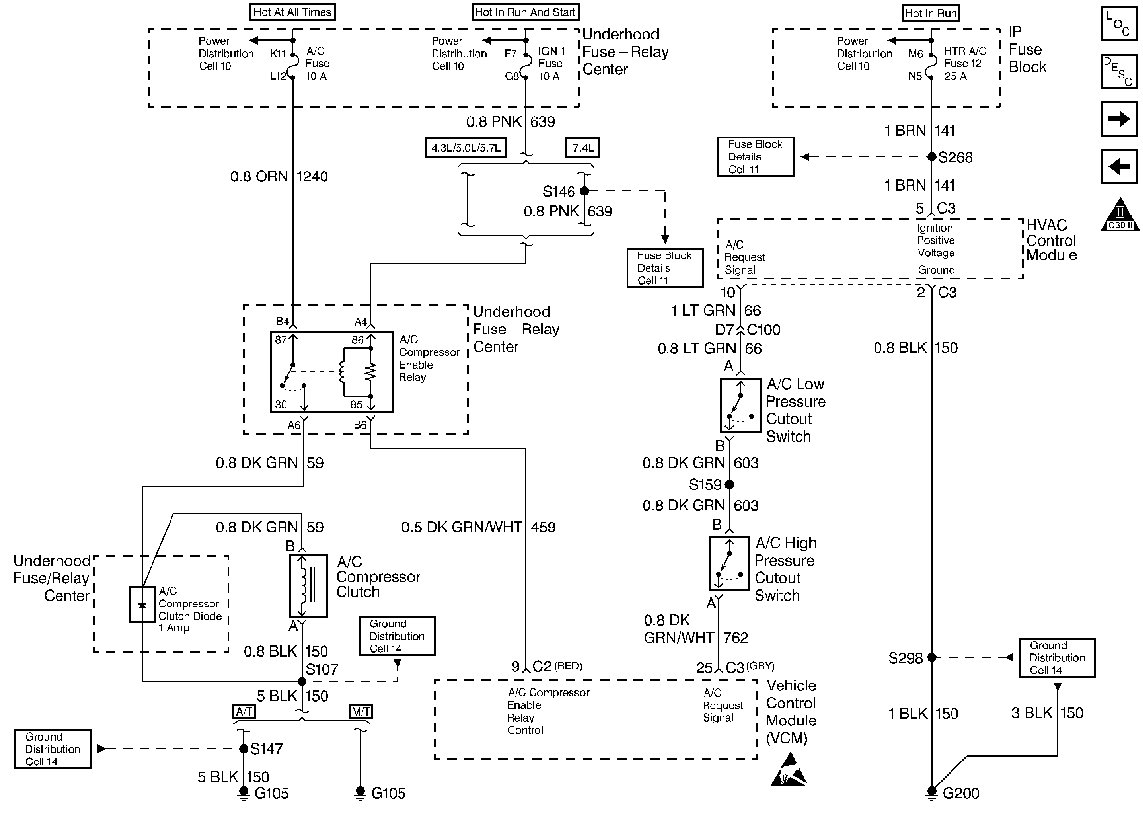
Circuit Description

The VCM control of the A/C clutch improves idle quality and performance by performing the following conditions:

    • Delaying clutch engagement until the idle speed is increased
    • Releasing the clutch when the idle speed is too low
    • Providing additional fuel at the instant the clutch is applied

The additional fuel smooths the cycling of the compressor.

Turning the air conditioning ON supplies battery voltage through the pressure switches to the VCM. When the VCM receives the voltage on the A/C request signal, the A/C enable relay circuit is grounded. The A/C compressor clutch then engages.

Test Description

The numbers below refer to the step numbers on the diagnostic table.

  1. Checks for low refrigerant as the cause for no A/C.

  2. This and the following tests, check for a faulty A/C control relay and high and low cutout switches.

Step

Action

Value(s)

Yes

No

1

Important: Before using this table confirm that the A/C system has an adequate state of charge.

Does the A/C system have an adequate state of charge?

--

Go to Step 2

Go to A/C System Diagnosis in Section 1B

2

  1. Turn ON the engine.
  2. Idle the engine until the normal operating temperature is reached.

    Leave the engine at normal idle.

    Turn ON the A/C.

Does the A/C clutch engage and disengage within the specified value?

60 sec

Go to A/C System Diagnosis in Section 1B

Go to Step 3

3

  1. Connect the scan tool to the DLC.
  2. Turn ON the A/C.
  3. Monitor the A/C Request in data stream (A/C Request should display YES).

Does the display read YES?

--

Go to Step 4

Go to Step 8

4

  1. Disconnect the A/C compressor clutch harness connector.
  2. Connect a test lamp between the terminals of the A/C clutch signal circuit and the ground circuit of the A/C compressor clutch harness connector.

Is the test lamp ON ?

--

Go to Step 5

Go to Step 12

5

Check for a faulty compressor clutch harness connector.

Was a problem found?

--

Go to Step 6

Go to Step 7

6

Repair the A/C compressor clutch harness connector.

Is the action complete?

--

Go to Step 27

--

7

Replace the A/C compressor clutch. Refer to Section 1B.

Is the action complete?

--

Go to Step 27

--

8

  1. Turn OFF the ignition.
  2. Disconnect the gray VCM connector.
  3. Turn ON the ignition.
  4. Connect a test lamp between the harness connector terminal cavity of the A/C request signal circuit and a ground.

Is the test lamp on?

--

Go to Step 9

Go to Step 11

9

Check for a faulty connection at the gray VCM harness connector.

Was a problem found?

--

Go to Step 10

Go to Step 26

10

Repair the VCM harness connector.

Is the action complete?

--

Go to Step 27

--

11

    • Repair the open or short to ground in the harness between the circuit A/C Request signal circuit to the A/C pressure switch if necessary. Refer to Wiring Repairs in Engine Electrical.
    • Repair the open or short to ground in the harness circuit A/C Request signal circuit to the A/C control switch of necessary. Refer to Wiring Repairs in Engine Electrical.

Is the action complete?

--

Go to Step 27

--

12

Connect a test lamp between the A/C clutch signal circuit of the A/C clutch harness connector and the engine ground.

Is the test lamp on?

--

Go to Step 13

Go to Step 14

13

Repair the ground circuit of the A/C clutch harness connector. Refer to Wiring Repairs in Engine Electrical.

Is the action complete?

--

Go to Step 27

--

14

  1. Connect the scan tool.
  2. Turn ON the ignition leaving the engine off.
  3. Using the output test function of the scan tool, command the A/C relay to turn ON.

Does the A/C relay click?

--

Go to Step 23

Go to Step 15

15

  1. Disconnect the A/C relay.
  2. Connect a teat lamp between the terminal cavity of the A/C relay harness connector ignition feed circuit and a ground.

Is the Is the test lamp on?

--

Go to Step 17

Go to Step 16

16

Repair the open or short to ground in the harness for the A/C relay ignition feed circuit. Refer to Wiring Repairs in Engine Electrical.

Is the action complete?

--

Go to Step 27

--

17

  1. Connect a test lamp between the A/C relay harness connector terminal cavities of the A/C relay control circuit and the ignition feed circuit.
  2. Connect the scan tool.
  3. Using the output test function of the scan tool, command the A/C relay to turn ON.

Is the test lamp on?

--

Go to Step 18

Go to Step 19

18

Replace the A/C relay. Refer to A/C Relay Repair and Replacement in Section 1B.

Is the action complete?

--

Go to Step 27

--

19

Check for a faulty connection at the VCM harness connector for the A/C relay control circuit.

Was a problem found?

--

Go to Step 20

Go to Step 21

20

Repair the connection at the VCM connector. Refer to Wiring Repairs in Engine Electrical.

Is the action complete?

--

Go to Step 27

--

21

Check for an open in the circuit between the A/C relay harness connector terminal cavity and the VCM connector terminal cavity.

Was a problem found?

--

Go to Step 22

Go to Step 26

22

Repair the open in the circuit between the A/C relay harness connector terminal cavity and the VCM connector terminal cavity. Refer to Wiring Repairs in Engine Electrical.

Is the action complete?

--

Go to Step 27

--

23

  1. Remove the A/C relay.
  2. With a fused jumper, jumper the A/C relay harness connector terminal cavity of the battery feed circuit and the compressor clutch control circuit.

Does the A/C Clutch engage?

--

Go to Step 24

Go to Step 25

24

Replace the A/C relay. Refer to A/C Relay Repair and Replacement in Section 1B.

Is the action complete?

--

Go to Step 27

--

25

Repair the open or short to the ground in the compressor clutch control circuit. Refer to Wiring Repairs in Engine Electrical.

Was a problem found?

--

Go to Step 27

--

26

Replace the VCM.

Replace the VCM.

Important: If the VCM is faulty, reprogram the VCM. Refer to VCM Replacement/Programming .

Is the repair complete?

--

Go to Step 27

--

27

  1. Using the scan tool, select the DTC and the Clear Info.
  2. Attempt to start the engine.

Does the engine start and continue to run?

--

Go to Step 28

Go to Step 2

28

  1. Allow the engine to idle until the engine reaches the normal operating temperature.
  2. Select the DTC Failed This Ign.

Are any DTCs displayed?

--

Go to The Applicable DTC Table

Go to Step 29

29

Using the scan tool, select the Capture Info and the Review Info.

Are any DTCs displayed that have not been diagnosed?

--

Go to The Applicable DTC Table

System OK