GM Service Manual Online
For 1990-2009 cars only
Figure 1:

Starting System - Gas


Object Number: 26633  Size: FS
Starting and Charging Components
Starting and Charging Circuit
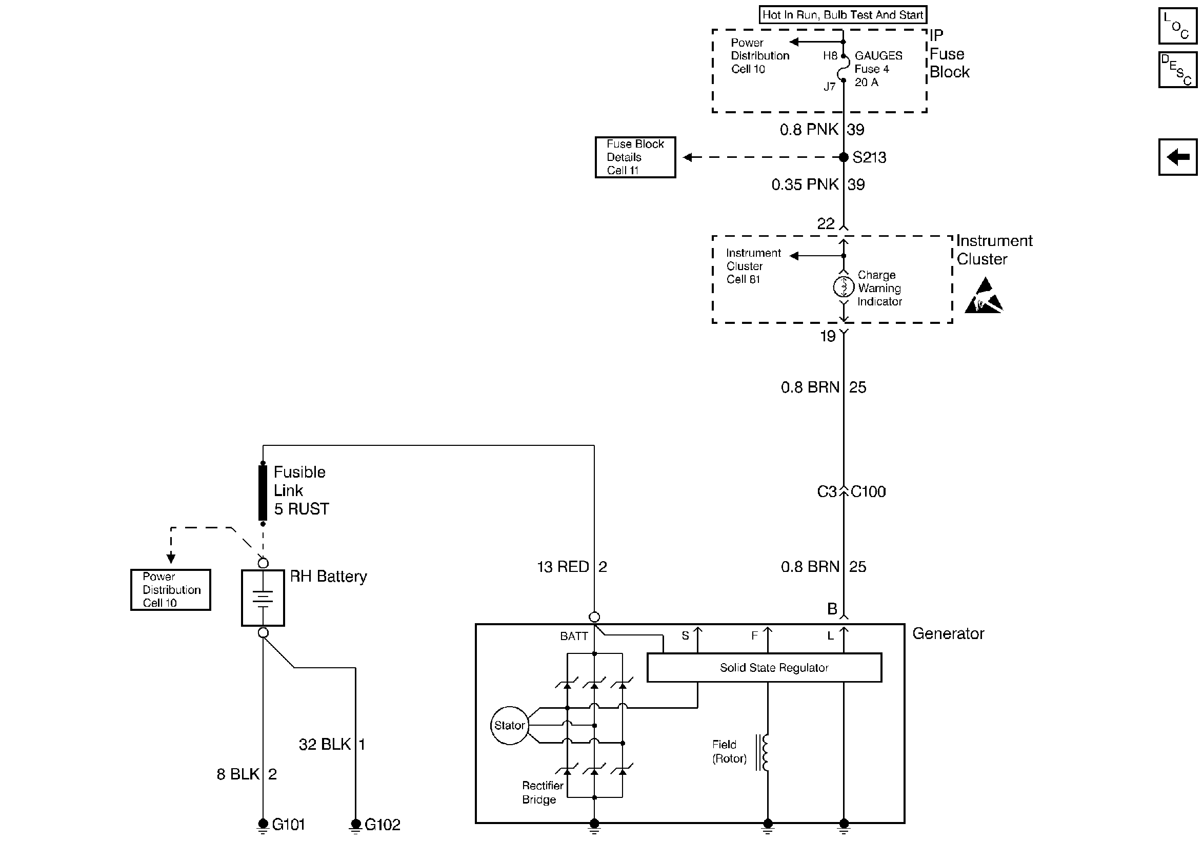
Charging System - Gas
Figure 2:

Charging System - Gas


Object Number: 26635  Size: FS
Starting and Charging Components
Starting and Charging Circuit
Starting System - Gas
Handling ESD Sensitive Parts Notice
Figure 3:

Starting System - Diesel


Object Number: 26634  Size: FS
Starting and Charging Components
Starting and Charging Circuit
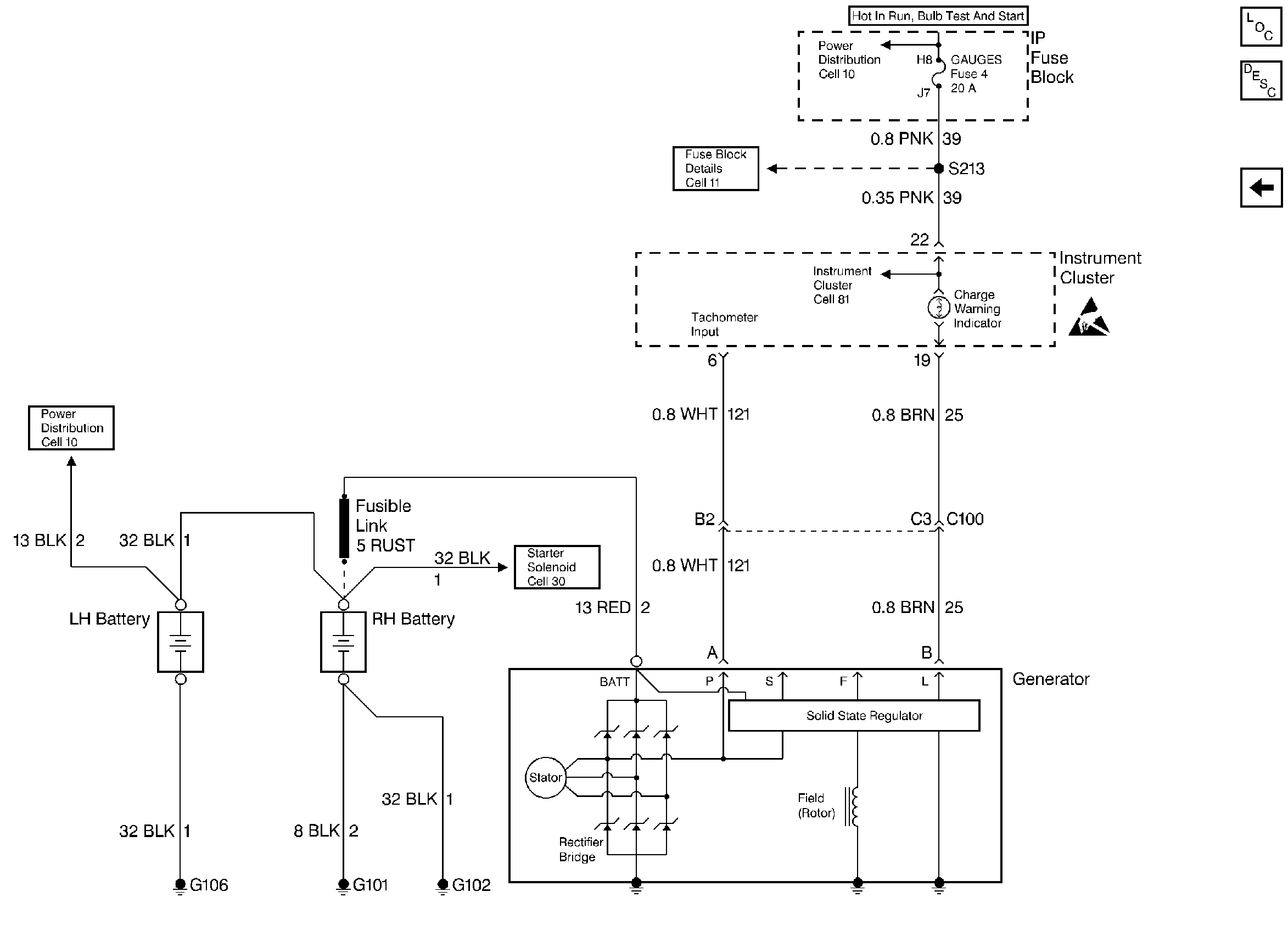
Charging System - Diesel
Figure 4:

Charging System - Diesel


Object Number: 26645  Size: FS
Starting and Charging Components
Starting and Charging Circuit
Starting System - Diesel
Handling ESD Sensitive Parts Notice