GM Service Manual Online
For 1990-2009 cars only

Go to

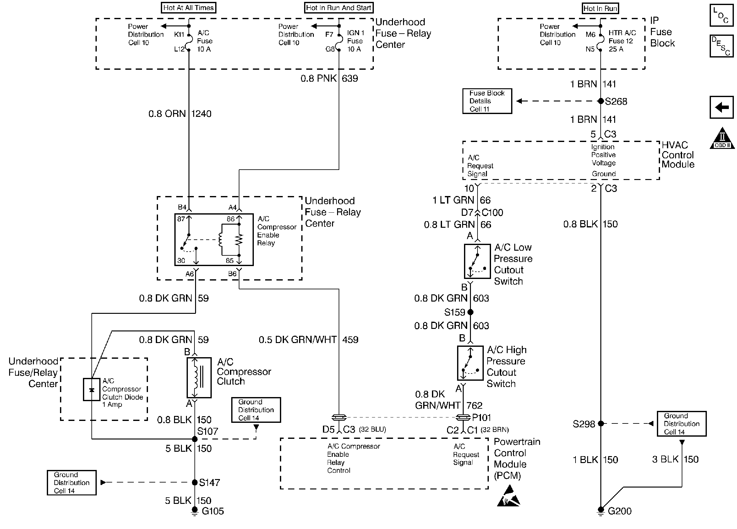
HVAC System


Object Number: 30969  Size: FS
Handling ESD Sensitive Parts Notice
Engine Controls Components
Information Sensors
Transmission Range Switch, TFT, Pressure Control Solenoid, and ISS
OBD II Symbol Description Notice
.

Circuit Description

The Cruise control multi function lever is wired directly to the PCM. The cruise on/off, set/coast and resume/accel signals are inputs to the fuel control portion of the PCM. These inputs allow the PCM to control and hold a requested speed. The cruise can be disengaged at anytime time by applying the brakes. This input is sent to the PCM by the Cruise Control Brake Switch. If the cruise is inoperative, and no Cruise Control or Brake Switch DTC(s) are stored, check for the following conditions:

    • Faulty Cruise multi function switch/ wiring harness (opens or faulty connections).
    • Clutch pedal switch stuck in the open position.

Other conditions that will not allow the Cruise Control to engage that are not the fault of the cruise system.

    • Vehicle speed below 25 MPH (if cruise is already set, cruise will disengage at 20 MPH).
    • Vehicle in 4 wheel drive low.
    • Any DTC that puts vehicle in Back Up Fuel Mode (Back Up Fuel Mode affects the fuel control portion of the PCM). Refer to the appropriate DTC.
    •  More than one Accelerator Pedal Position (APP) DTC set.