GM Service Manual Online
For 1990-2009 cars only
Makes
🢒
Chevrolet
🢒
1996
🢒
Chevy C Pickup - 2WD
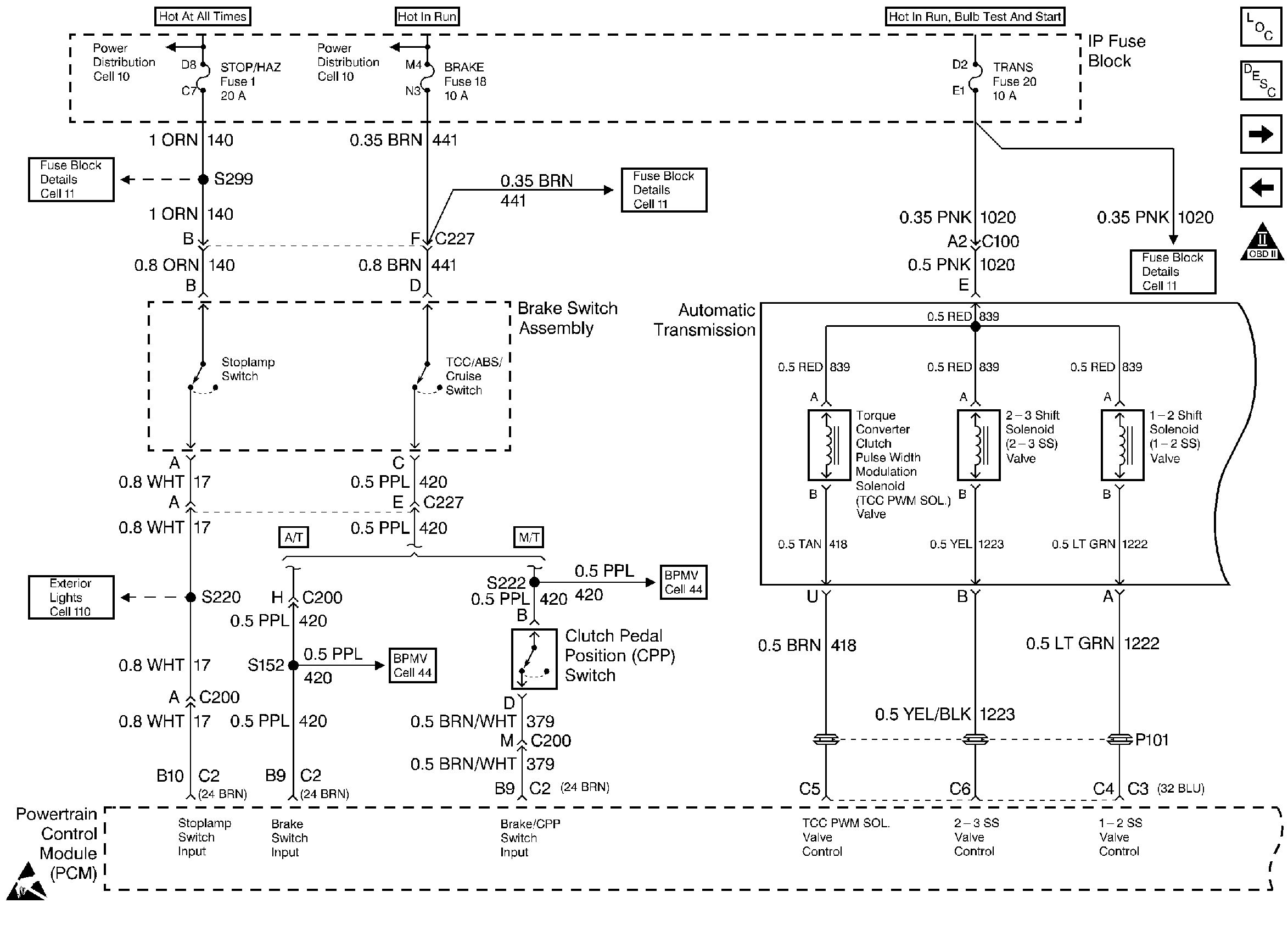
🢒 Transmission Shift Solenoids, Brake, and Clutch Switch
Transmission Shift Solenoids, Brake, and Clutch Switch
Transmission Shift Solenoids, Brake, and Clutch Switch
Handling ESD Sensitive Parts Notice
Engine Controls Components
Information Sensors
Transmission Range Switch, TFT, Pressure Control Solenoid, and ISS
Transmission Vehicle Speed Sensor and Buffer
OBD II Symbol Description Notice