Go to 
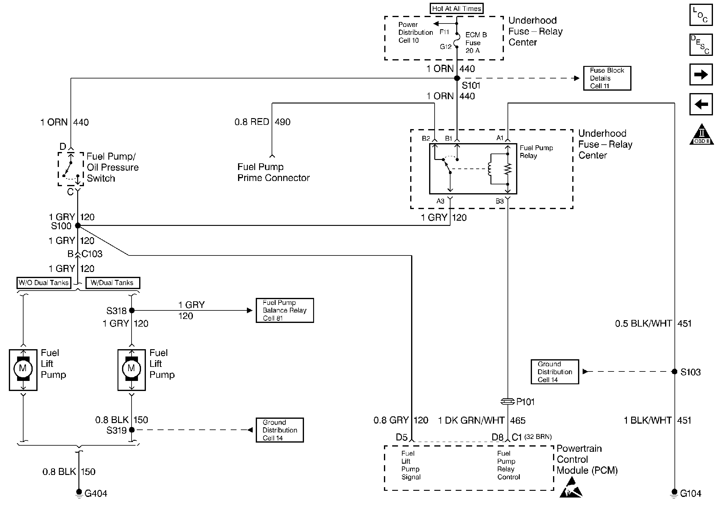
 Fuel Pump System
 
 
The status of the lift pump is monitored by the PCM. This signal is also used to store a DTC if the fuel pump relay is defective or fuel pump voltage is lost while the engine is running. There should be about 12 volts on circuit 120 during glow plug cycle. This is a type B DTC.
| • | Fuel lift pump commanded ON. | 
| • | Ignition voltage minus 4 volts. | 
| • | Fuel lift pump voltage less than ignition voltage value. | 
| • | Condition met for 2 seconds. | 
No action taken.
| • | The PCM will turn the MIL off after three consecutive trips without a fault condition. | 
| • | A History DTC will clear when forty consecutive warm-up cycles that the diagnostic does not fail (coolant temperature has risen 5°C (40°F) from start up coolant temperature and engine coolant temperature exceeds 71°C (160°F) that same ignition cycle. | 
| • | Use of a Scan Tool | 
A DTC P0231 will result in a poor performance problem under heavy loads or grades.
Number(s) below refer to the Step number(s) on the Diagnostic Table.
This fuel pump can also be felt for a pulsing, this will also determine if the fuel pump is working.
| Step | Action | Value(s) | Yes | No | 
|---|---|---|---|---|
| 1 | Important: Before clearing DTCs use the scan tool to record Freeze Frame and failure Records for reference, as data will be lost when Clear Info function is used. Was the On-Board Diagnostic (OBD) System Check performed? | -- | ||
| 
 Does the fuel pump operate? | -- | Go to Diagnostic Aids | ||
| 
 Does the fuel pump operate? | -- | |||
| 4 | 
 Does the fuel pump operate? | -- | ||
| 5 | Replace the faulty fuel pump relay. Refer to Fuel Pump Relay Replacement . Is the action complete? | -- | -- | |
| 6 | 
 Was a problem found? | -- | ||
| 7 | 
 Was a problem found? | -- | ||
| 8 | Replace the faulty fuel pump. Refer to Fuel Lift Pump Replacement . Is the action complete? | -- | -- | |
| 9 | 
 Is the test light ON? | -- | ||
| 10 | Repair the open in the battery feed circuit to the fuel pump relay. Is the action complete? | -- | -- | |
| 11 | Connect a test light between terminal number B1 and terminal number A1 of the fuel pump relay harness connector. Is the test light ON? | -- | ||
| 12 | Repair the open fuel pump relay ground circuit. Is the action complete? | -- | -- | |
| 
 Does the test light come ON during the glow plug cycle and then go OFF after the glow plug cycle is complete? | -- | |||
| 14 | Check for an open in circuit from fuel pump relay harness connector terminal number B3 and PCM. Was a problem found? | -- | ||
| 15 | Repair the open in the fuel pump relay control circuit. Is the action complete? | -- | -- | |
| 16 | Replace the faulty PCM. Important: If the PCM is faulty, the new PCM must be programmed. Refer to Powertrain Control Module Replacement/Programming . Is the action complete? | -- | -- | |
| 17 | Check for a faulty connection at fuel pump relay connector terminal number B3. Was a problem found? | -- | ||
| 18 | Repair the faulty connection at the fuel pump relay connector terminal number B3. Is the action complete? | -- | -- | |
| 19 | Replace the faulty fuel pump relay. Refer to Fuel Pump Relay Replacement . Is the action complete? | -- | -- | |
| 20 | After Repair, use the scan tool Clear Info function and road test vehicle. check for DTCs, Current or history. Review test status information. If status is test(s) Failed or DTCs are present begin diagnosis again, on that DTCs. If last test Failed is not present and no DTCs are present repair is complete. Are the repairs complete? | -- | -- | |
| 21 | Using the Scan Tool, select Capture Info, Review Info. Are any DTCs displayed that have not been diagnosed? | -- | Go to the Applicable DTC Table | System OK |