GM Service Manual Online
For 1990-2009 cars only

Refer to

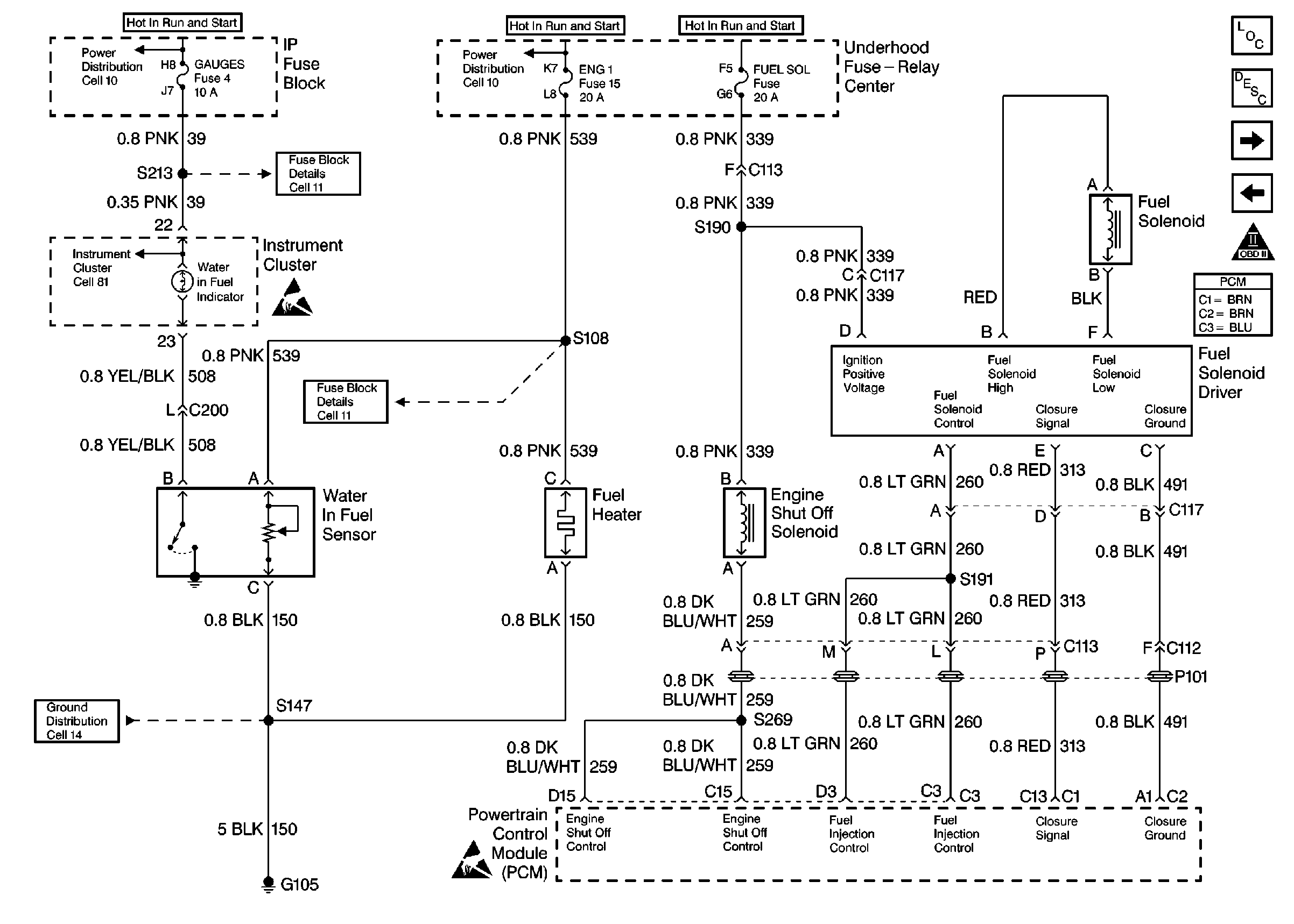
DIESEL PCM, FUEL SOLENOID, WATER IN FUEL


Object Number: 52756  Size: FS
Engine Controls Components
DIESEL PCM, CKP, FUEL TEMP, ITS
DIESEL FUEL PUMP, LIFT PUMP
OBD II Symbol Description Notice
Engine Controls Schematic References
Engine Controls Schematic References
Engine Controls Schematic References
Handling Electrostatic Discharge Sensitive Parts Notice
Handling Electrostatic Discharge Sensitive Parts Notice
Engine Controls Schematic References
Engine Controls Schematic References
Engine Controls Schematic References

Circuit Description

The PCM has the ability to put the vehicle in a ESO controlled idle if an engine overspeed condition has been detected. This is a type D DTC.

Conditions for Setting the DTC

5 ESO cycles with an RPM drop.

Action Taken When the DTC Sets

ESO controlled idle (the PCM will control RPM by turning the ESO ON and OFF. RPM will fluctuate from 800 to 1200 when DTC is set).

Conditions for Clearing the MIL/DTC

    • A History DTC will clear when forty consecutive warm-up cycles that the diagnostic does not fail (coolant temperature has risen 5°C (40°F) from start up coolant temperature and engine coolant temperature exceeds 71°C (160°F) that same ignition cycle.
    • Use of a Scan tool

Diagnostic Aids

This DTC will not set if an external fuel source is causing an overspeed condition. A DTC P1216 will set along with DTC P0219.

Test Description

Number(s) below refer to the step number(s) on the Diagnostic Table.

  1. The injection pump is being replaced in this step.

Step

Action

Value(s)

Yes

No

1

Important: Before clearing DTC(s) use the scan tool Capture Info to record freeze frame and failure records for reference, as data will be lost when Clear Info function is used.

Was the Powertrain On-Board Diagnostic (OBD) System Check performed?

--

Go to Step 2

Go to Powertrain On Board Diagnostic (OBD) System Check

2

Replace Injection pump.

Important: The new injection pump must be timed. Refer to Checking/Adjust Injection Timing .

Is the action complete?

--

Go to Step 3

--

3

  1. Using the Scan Tool, select DTC, Clear Info.
  2. Start engine and idle at normal operating temperature.
  3. Select DTC, Specific, then enter the DTC number which was set.
  4. Operate the vehicle until the Scan Tool indicates that the diagnostic Ran.

Does the Scan Tool indicate that this diagnostic Passed?

--

Go to Step 4

Go to Step 2

4

Using the Scan Tool, select Capture Info, Review Info.

Are any DTCs displayed that have not been diagnosed?

--

Go to the Applicable DTC Table

System OK