GM Service Manual Online
For 1990-2009 cars only

Automatic Transmission Controls Schematics Thumbnails

Figure 1:

VCM Power and VSS


Object Number: 26734  Size: FS
Automatic Transmission Components In Transmission Components
Electronic Component Description
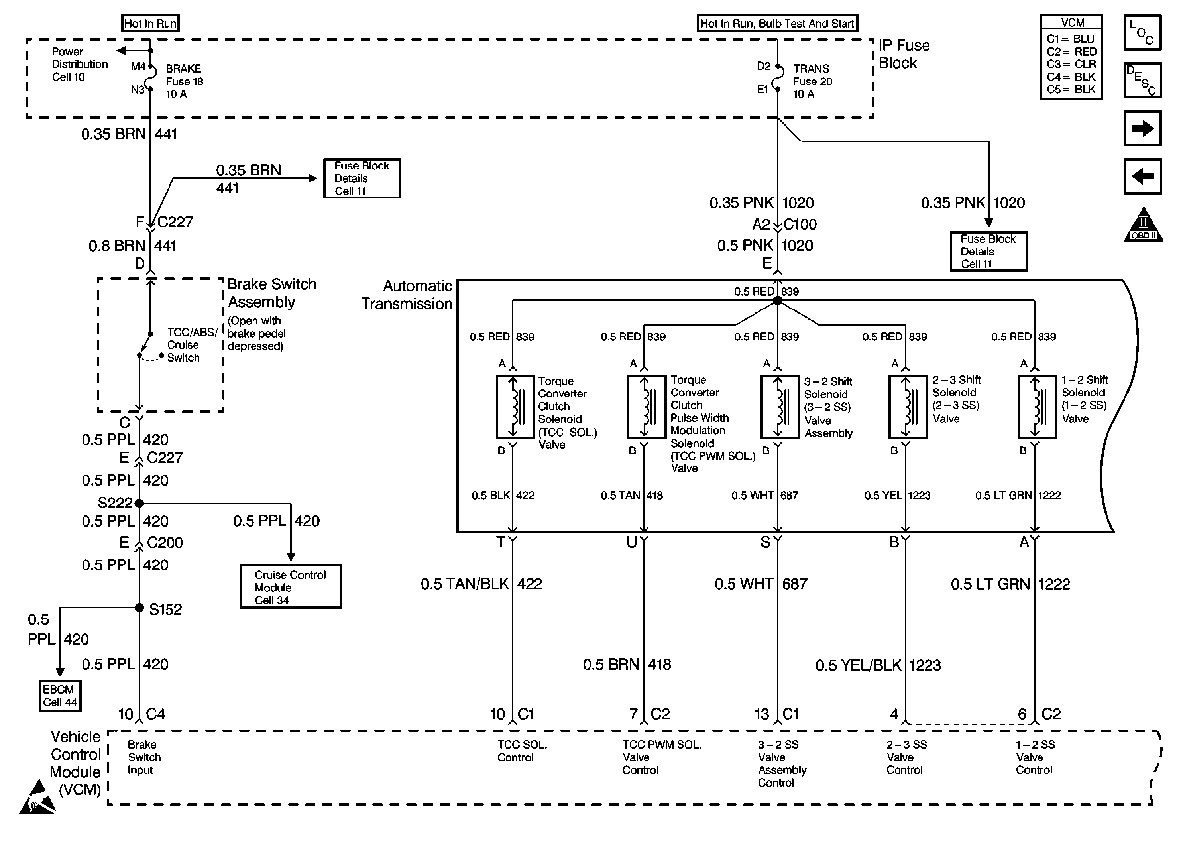
Brake Switch and Solenoids
OBD II Symbol Description Notice
Handling ESD Sensitive Parts Notice
Automatic Transmission Schematic References
Automatic Transmission Schematic References
Automatic Transmission Schematic References
Automatic Transmission Schematic References
Automatic Transmission Schematic References
Figure 2:

Brake Switch and Solenoids


Object Number: 26735  Size: FS
Automatic Transmission Components In Transmission Components
Electronic Component Description
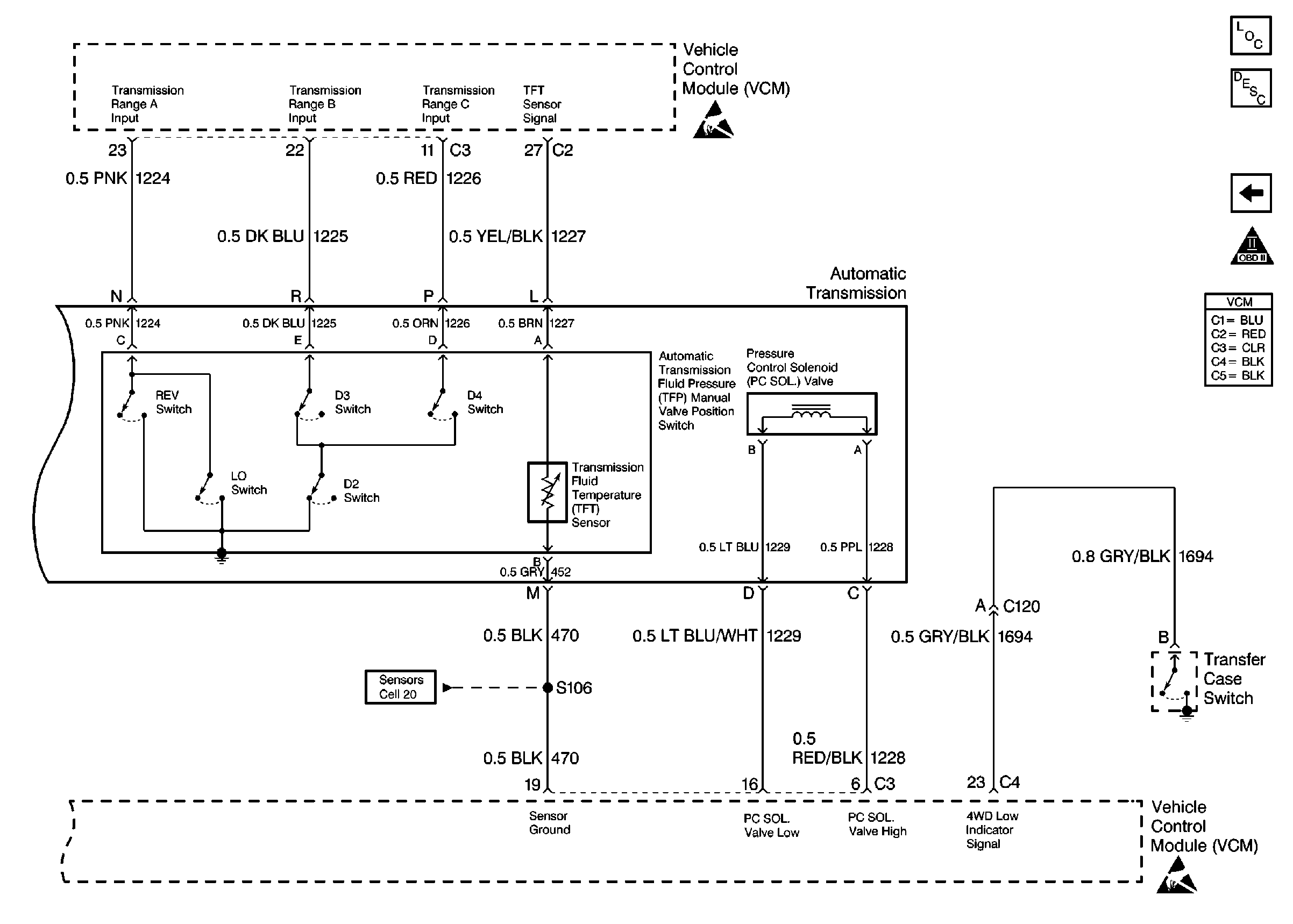
TFP Valve Position Switch and PC Solenoid Valve
VCM Power and VSS
OBD II Symbol Description Notice
Automatic Transmission Schematic References
Automatic Transmission Schematic References
Automatic Transmission Schematic References
Automatic Transmission Schematic References
Automatic Transmission Schematic References
Figure 3:

TFP Valve Position Switch and PC Solenoid Valve


Object Number: 26736  Size: FS
Automatic Transmission Components In Transmission Components
Electronic Component Description
Brake Switch and Solenoids
OBD II Symbol Description Notice
Automatic Transmission Schematic References

Automatic Transmission Controls Schematics Schematics - 4.3 L VIN W

Figure 1:

4L60E VCM, FUSES, VSS


Object Number: 52778  Size: FS
Automatic Transmission Components Schematic Components
4L60E VCM, BRAKE SWITCH, TRANSMISSION
OBD II Symbol Description Notice
DTC P0712 Transmission Fluid Temperature (TFT) Sensor Circuit Low Input
DTC P0712 Transmission Fluid Temperature (TFT) Sensor Circuit Low Input
DTC P0712 Transmission Fluid Temperature (TFT) Sensor Circuit Low Input
Handling Electrostatic Discharge Sensitive Parts Notice
DTC P0712 Transmission Fluid Temperature (TFT) Sensor Circuit Low Input
DTC P0712 Transmission Fluid Temperature (TFT) Sensor Circuit Low Input
Figure 2:

4L60E VCM, BRAKE SWITCH, TRANSMISSION


Object Number: 52780  Size: FS
Automatic Transmission Components Schematic Components
4L60E VCM, TRANSMISSION, SOLENOIDS
4L60E VCM, FUSES, VSS
OBD II Symbol Description Notice
DTC P0712 Transmission Fluid Temperature (TFT) Sensor Circuit Low Input
DTC P0712 Transmission Fluid Temperature (TFT) Sensor Circuit Low Input
DTC P0712 Transmission Fluid Temperature (TFT) Sensor Circuit Low Input
DTC P0712 Transmission Fluid Temperature (TFT) Sensor Circuit Low Input
Handling Electrostatic Discharge Sensitive Parts Notice
DTC P0712 Transmission Fluid Temperature (TFT) Sensor Circuit Low Input
Figure 3:

4L60E VCM, TRANSMISSION, SOLENOIDS


Object Number: 52782  Size: FS
Automatic Transmission Components Schematic Components
4L60E VCM, BRAKE SWITCH, TRANSMISSION
OBD II Symbol Description Notice
4.3L VCM, SENSORS
Handling Electrostatic Discharge Sensitive Parts Notice
Handling Electrostatic Discharge Sensitive Parts Notice