GM Service Manual Online
For 1990-2009 cars only
Makes
🢒
Chevrolet
🢒
1997
🢒
Chevy C Pickup - 2WD
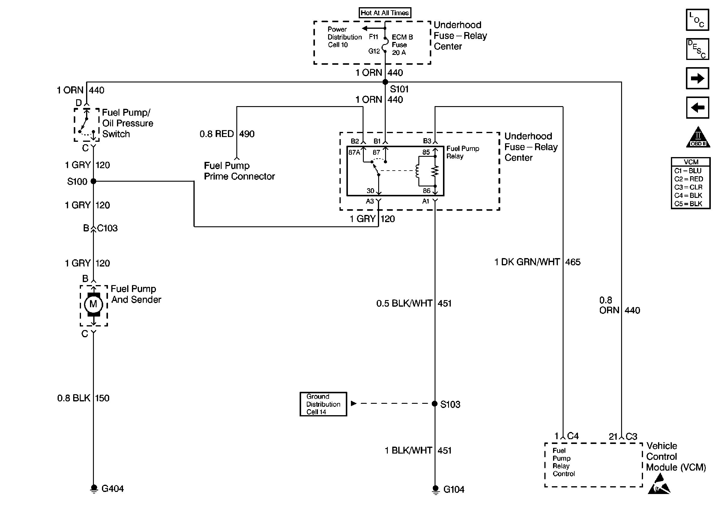
🢒 4.3L VCM, FUSE-RELAY, FUEL PUMP
4.3L VCM, FUSE-RELAY, FUEL PUMP
4.3L VCM, FUSE-RELAY, FUEL PUMP
Engine Controls Components
4.3L VCM, FUEL INJECTORS
4.3L VCM, CKP, CMP, IC, COIL
OBD II Symbol Description Notice
Engine Controls Schematic References
Handling Electrostatic Discharge Sensitive Parts Notice
Engine Controls Schematic References