GM Service Manual Online
For 1990-2009 cars only
Figure 1:

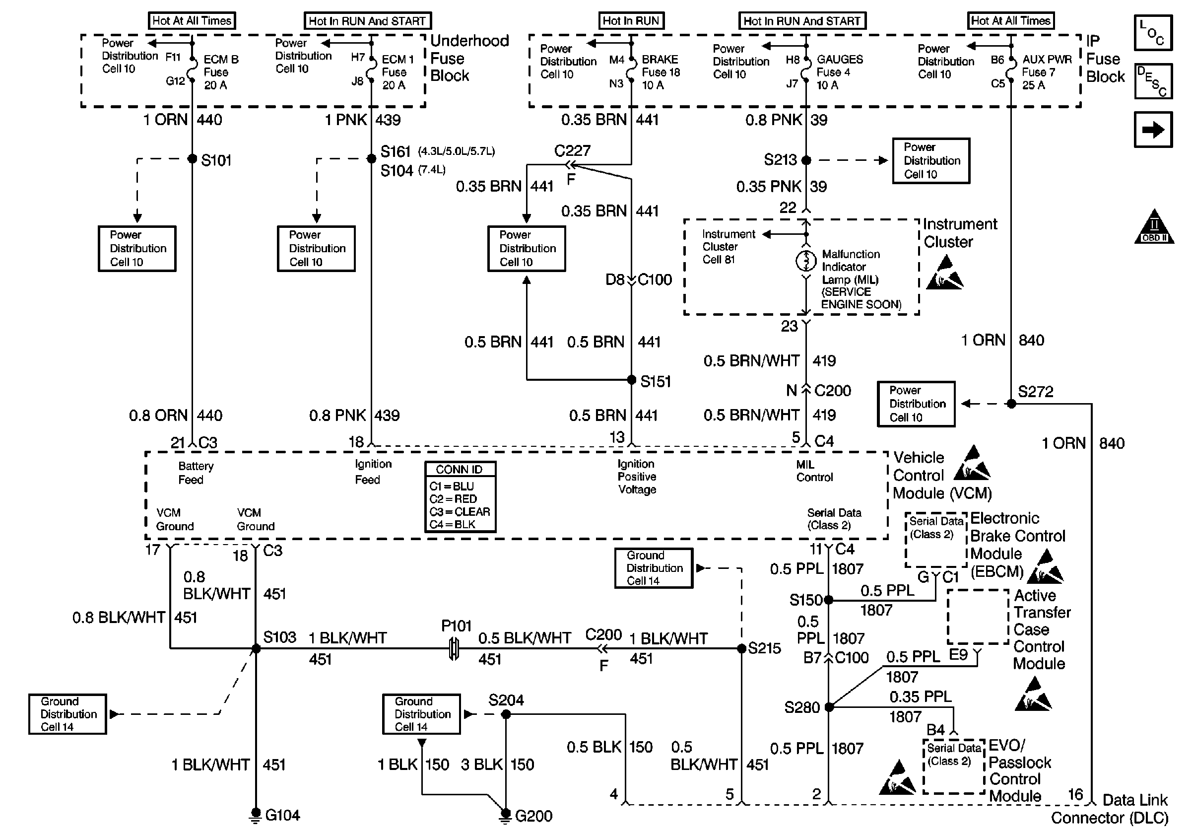
PWR, GND, and DLC


Object Number: 174939  Size: FS
Engine Controls Components
Information Sensors/Switches Description
Ignition System
OBDII Symbol Description Notice
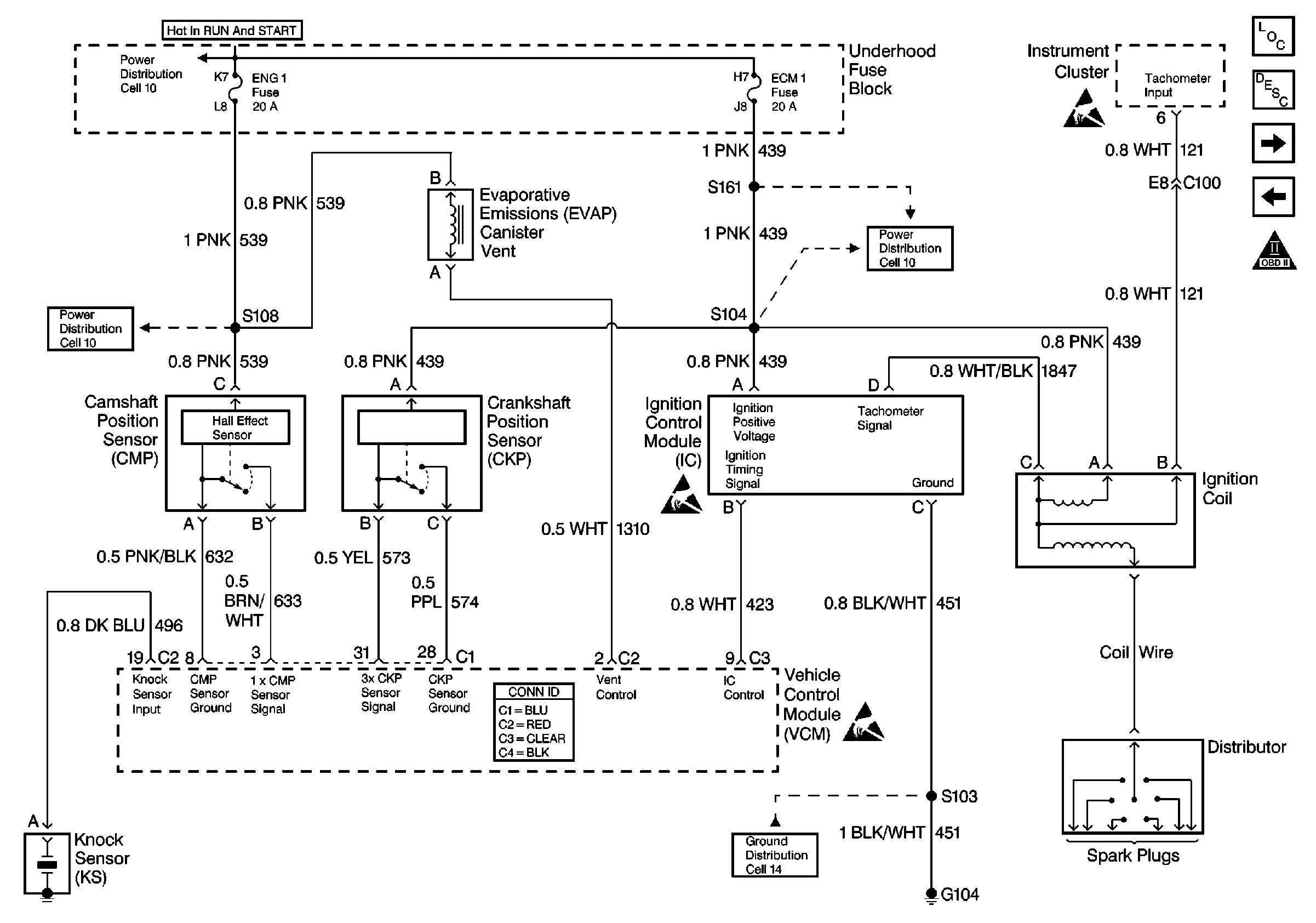
Figure 2:

Ignition System


Object Number: 174942  Size: FS
Engine Controls Components
Information Sensors/Switches Description
Fuel Controls
PWR, GND, and DLC
OBDII Symbol Description Notice
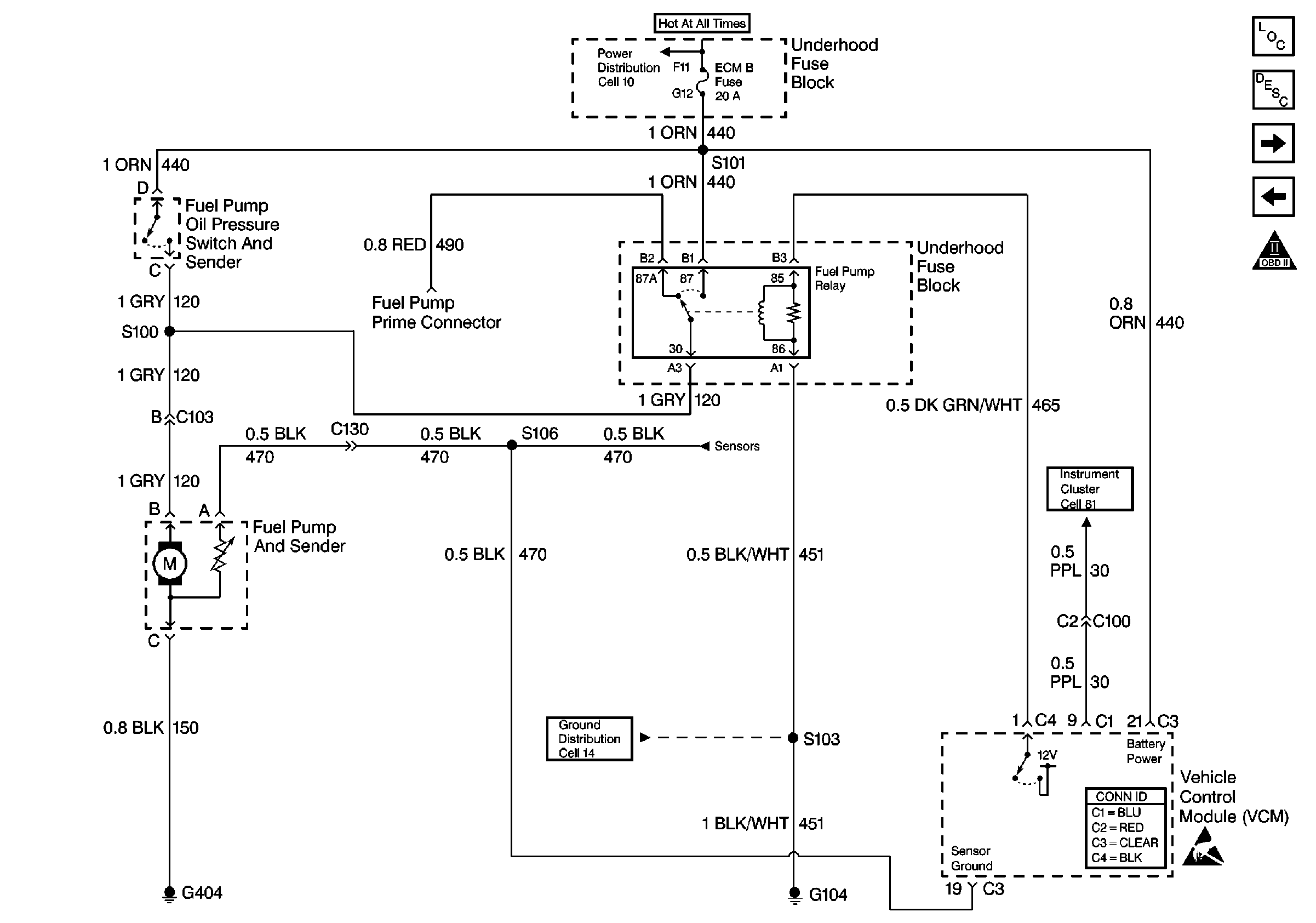
Figure 3:

Fuel Controls


Object Number: 174948  Size: FS
Engine Controls Components
Information Sensors/Switches Description
Fuel Injector Controls
Ignition System
OBDII Symbol Description Notice
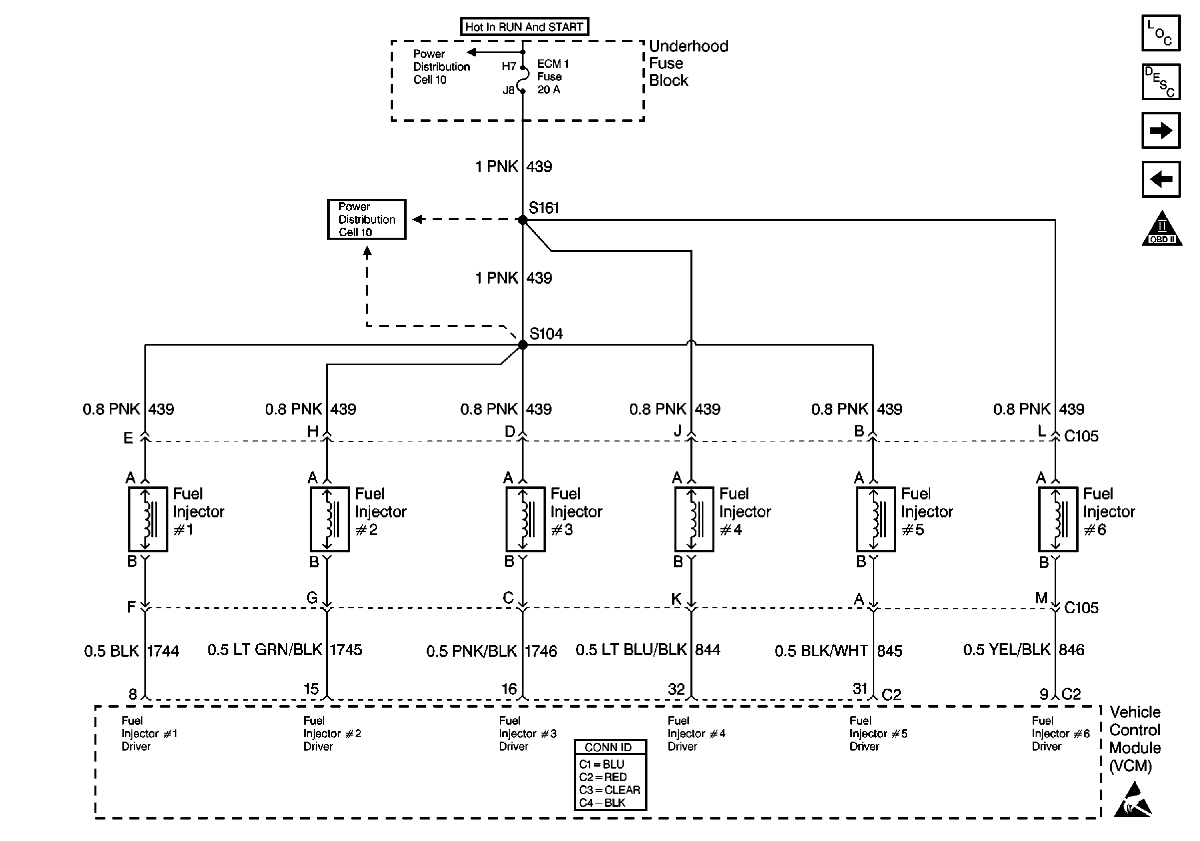
Figure 4:

Fuel Injector Controls


Object Number: 175607  Size: FS
Engine Controls Components
Information Sensors/Switches Description
Engine Sensors
Fuel Controls
OBDII Symbol Description Notice
Figure 5:

Engine Sensors


Object Number: 174957  Size: FS
Engine Controls Components
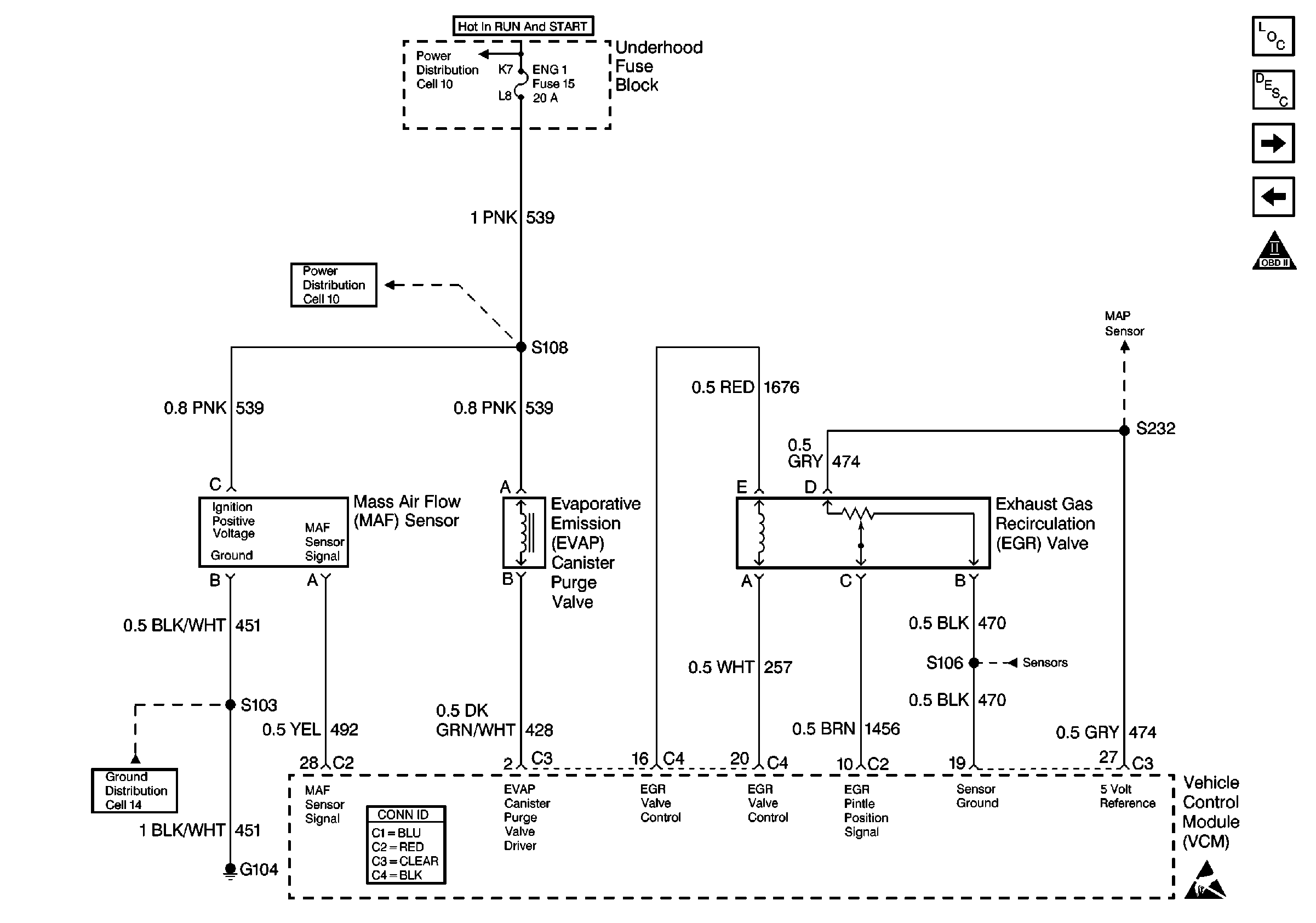
Information Sensors/Switches Description
EVAP and EGR Controls
Fuel Injector Controls
OBDII Symbol Description Notice
Figure 6:

EVAP and EGR Controls


Object Number: 174958  Size: FS
Engine Controls Components
Information Sensors/Switches Description
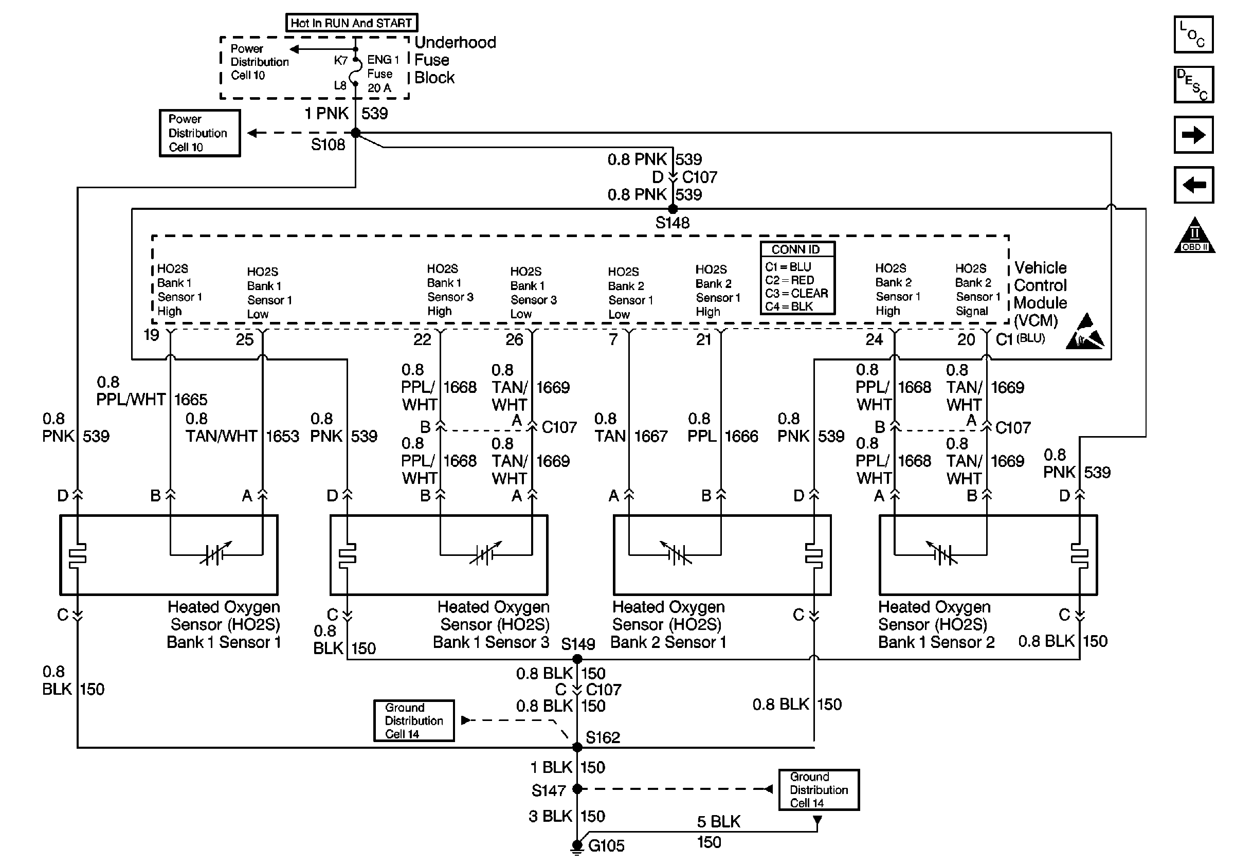
HO2S Sensors
Engine Sensors
OBDII Symbol Description Notice
Figure 7:

HO2S Sensors


Object Number: 185310  Size: FS
Engine Controls Components
Information Sensors/Switches Description
4WD, IAC and Upshift Controls
EVAP and EGR Controls
OBDII Symbol Description Notice
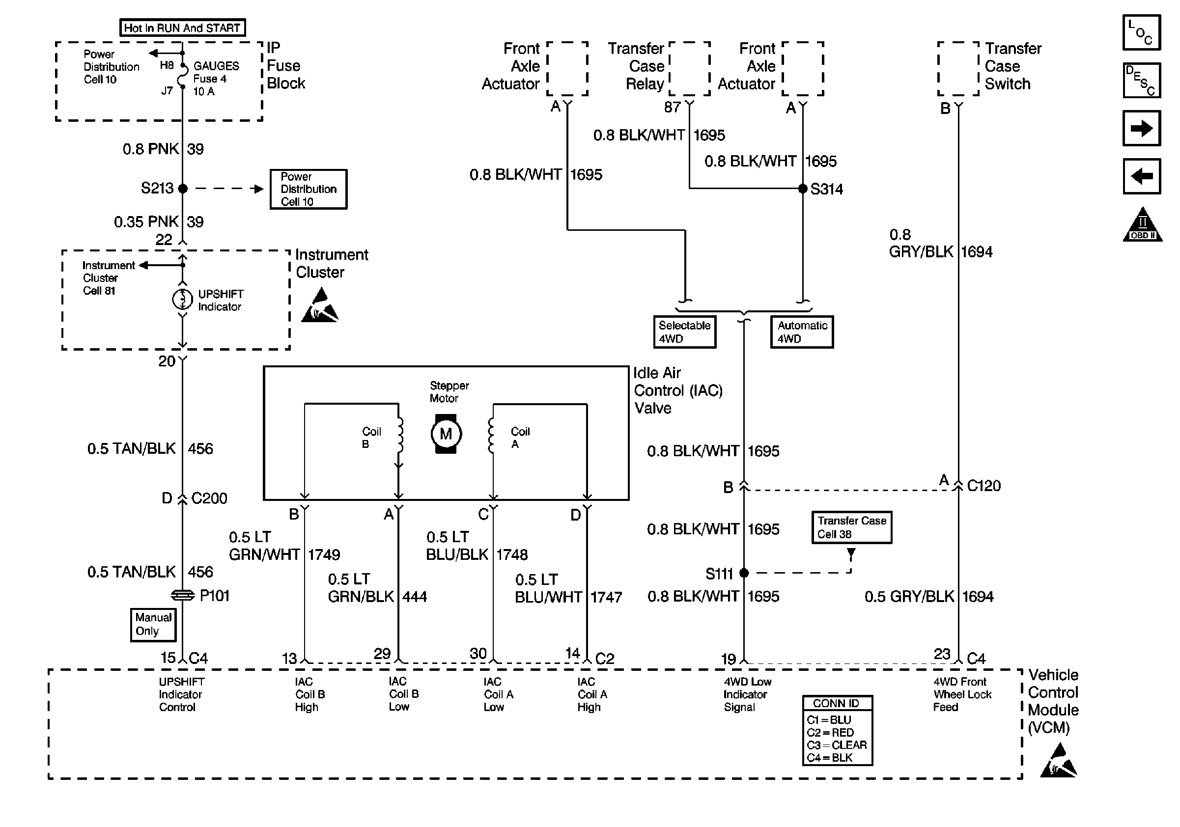
Figure 8:

4WD, IAC and Upshift Controls


Object Number: 174961  Size: FS
Engine Controls Components
Information Sensors/Switches Description
VSS and Cruise Controls
HO2S Sensors
OBDII Symbol Description Notice
Figure 9:

VSS and Cruise Controls


Object Number: 174962  Size: FS
Engine Controls Components
Information Sensors/Switches Description
Transmission Controls
4WD, IAC and Upshift Controls
OBDII Symbol Description Notice
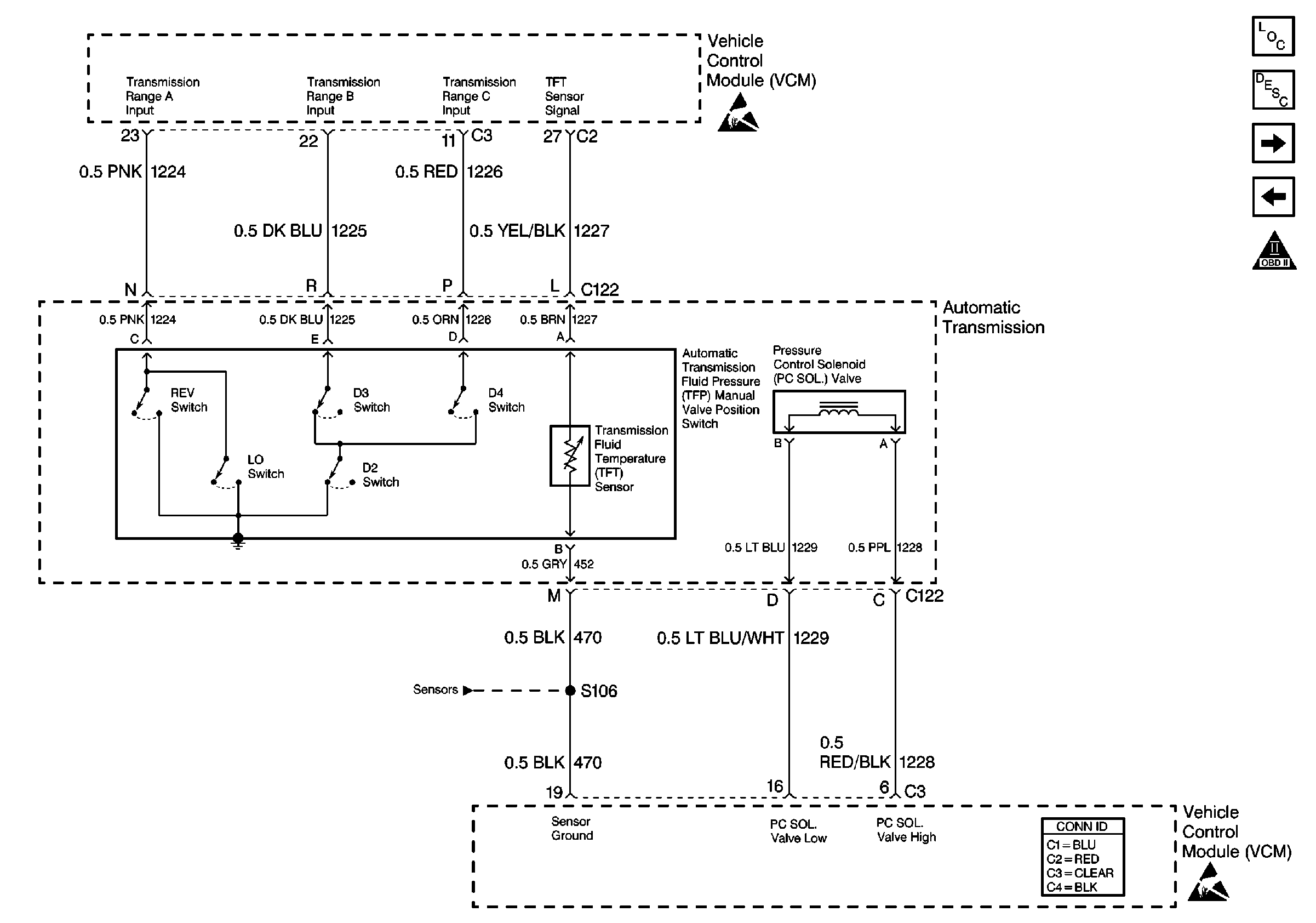
Figure 10:

Transmission Controls


Object Number: 185311  Size: FS
Engine Controls Components
Information Sensors/Switches Description
Transmission and TCC Controls
VSS and Cruise Controls
OBDII Symbol Description Notice
Figure 11:

Transmission and TCC Controls


Object Number: 174963  Size: FS
Engine Controls Components
Information Sensors/Switches Description
A/C Controls
Transmission Controls
OBDII Symbol Description Notice
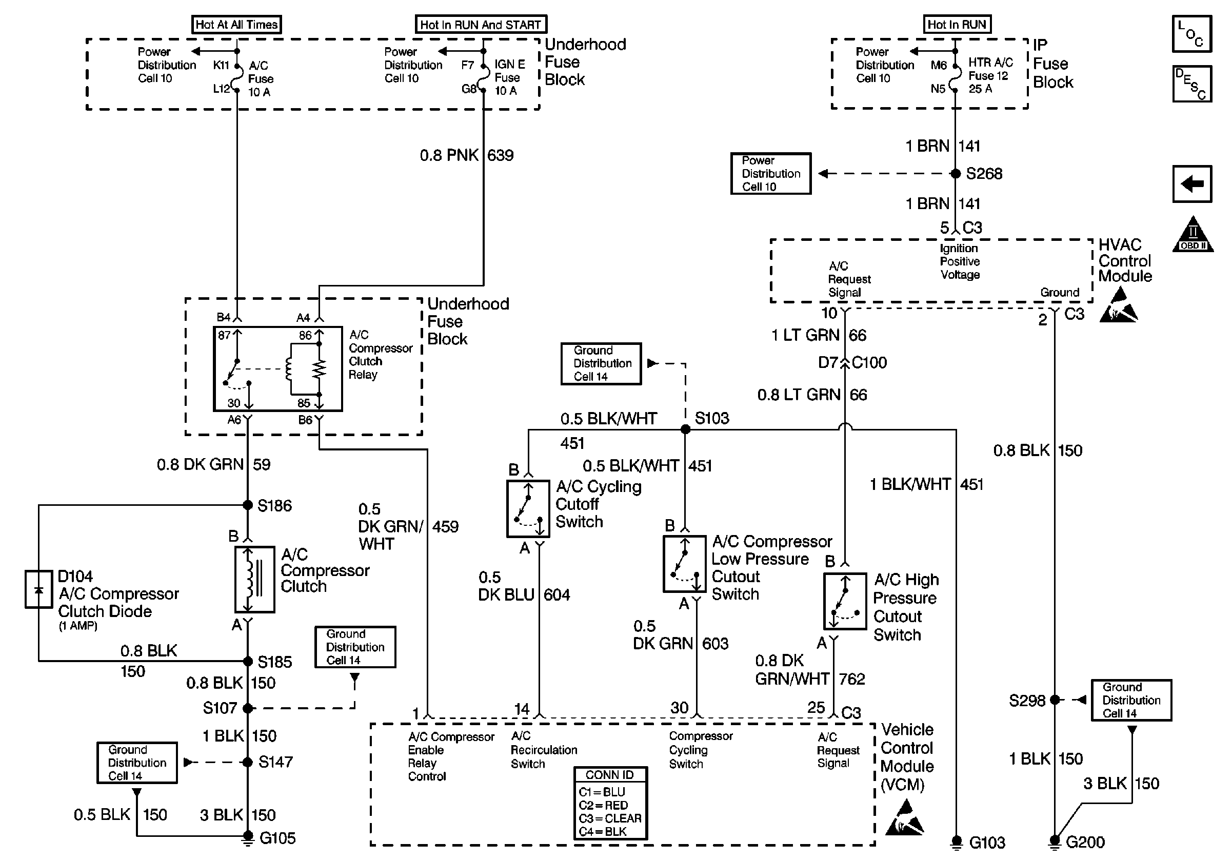
Figure 12:

A/C Controls


Object Number: 174964  Size: FS
Engine Controls Components
Information Sensors/Switches Description
PWR, GND, and DLC
Transmission and TCC Controls
OBDII Symbol Description Notice