GM Service Manual Online
For 1990-2009 cars only

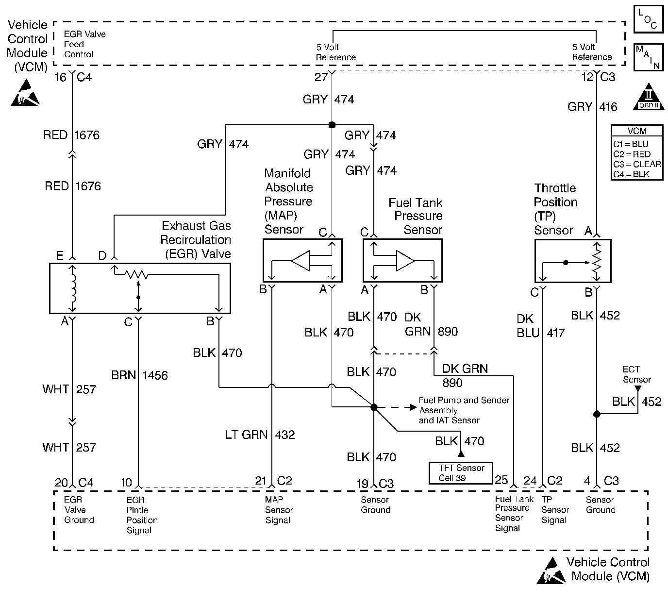
Object Number: 193226  Size: LF
Engine Controls Schematics
Handling ESD Sensitive Parts Notice
Handling ESD Sensitive Parts Notice
Engine Controls Component Views
OBD II Symbol Description Notice

Circuit Description

The Fuel Tank Pressure Sensor responds to changes in the fuel tank pressure or vacuum. This information is used in order to detect vacuum decay or an excessive vacuum during the EVAP diagnostic routing. The fuel tank pressure sensor signal voltage to the VCM varies from a minimum of about 0.1 volts with pressure in the fuel tank to above 4.0 volts with a high vacuum in the fuel tank.

The Fuel Tank Pressure sensor display on the scan tool has an auto zero feature which occurs at each ignition cycle and is corrected according to the barometric pressure. Because of this, the Fuel Tank Pressure sensor display may not accurately reflect the actual output of the sensor or the conditions within the fuel tank.

The Fuel Tank Pressure Sensor diagnosis table is intended to isolate and diagnose the electrical problems with the sensor wiring or the sensor.

Conditions for Running the DTC

The ignition switch is in the RUN position.

Conditions for Setting the DTC

The Fuel Tank Pressure Sensor voltage is less than 0.1 volt for more than 5 seconds.

Action Taken When the DTC Sets

The VCM turns ON the MIL after 2 consecutive driving cycles with the fault active.

Conditions for Clearing the MIL or DTC

    • The control module turns OFF the MIL after 3 consecutive drive trips when the test has run and passed.
    • A history DTC will clear if no fault conditions have been detected for 40 warm-up cycles. A warm-up cycle occurs when the coolant temperature has risen 22°C (40°F) from the startup coolant temperature and the engine coolant reaches a temperature that is more than 70°C (158°F) during the same ignition cycle.
    • Use a scan tool in order to clear the DTCs.

Diagnostic Aids

  1. Inspect the control module harness connectors for the following conditions:
  2. • Improper mating
    • Broken locks
    • Improperly formed or damaged terminals
    • Poor terminal to wire connection
  3. Inspect the wiring harness for damage. If the harness appears to be OK, observe the Fuel Tank Pressure sensor display on the scan tool while moving the connectors and the wiring harnesses related to the sensor. A change in the display will indicate the location of the fault. Refer to Wiring Repairs if a fault in the wiring is found.

Test Description

The number(s) below refer to the step number(s) on the diagnostic table.

  1. If the VCM recognizes the high signal voltage, the VCM and the wiring are Okay.

DTC P0452 Fuel Tank Pressure Sensor Low

Step

Action

Value(s)

Yes

No

1

Important: : Before clearing the DTCs, use the scan tool Capture Info to save the Freeze Frame and Failure Records for reference. The control module's data is deleted once the Clear Info function is used.

Did you perform the Powertrain On-Board Diagnostic (OBD) System Check?

--

Go to Step 2

Go to Powertrain On Board Diagnostic (OBD) System Check

2

  1. Install the scan tool.
  2. Turn ON the ignition leaving the engine OFF.
  3. Monitor the Fuel Tank Pressure Sensor reading.

Does the scan tool display indicate the Fuel Tank Pressure Sensor above the specified value?

7.2 in H2O

Go to Step 4

Go to Step 3

3

This DTC is intermittent.

Are any additional DTCs stored?

--

Go to the applicable DTC table

Go to Diagnostic Aids

4

  1. Turn OFF the ignition.
  2. Disconnect the Fuel Tank Pressure Sensor electrical connector.
  3. Turn ON the ignition leaving the engine OFF.
  4. Measure the voltage between the 5 volt reference circuit and a ground using a J 39200 DMM.

Is the voltage near the specified value?

5V

Go to Step 5

Go to Step 6

5

  1. Turn OFF the ignition.
  2. Jumper the sensor signal and 5 volt reference circuits together.
  3. Turn ON the ignition leaving the engine OFF.

Does the EVAP Fuel Tank Pressure sensor display vacuum greater than the specified value.

-16.50 in H2O

Go to Step 11

Go to Step 9

6

Check for an open in the 5 volt reference circuit.

Did you find a problem?

--

Go to Step 13

Go to Step 7

7

Check for a short to ground in the 5 volt reference circuit.

Did you find a problem?

--

Go to Step 13

Go to Step 8

8

Check the 5 volt reference circuit for a poor terminal connection at the VCM.

Did you find a problem?

--

Go to Step 13

Go to Step 14

9

Check the Fuel Tank Pressure Sensor signal for an open or a short to ground.

Did you find a problem?

--

Go to Step 13

Go to Step 10

10

Check the Fuel Tank Pressure Sensor signal terminal connection at the VCM.

Did you find a problem?

--

Go to Step 13

Go to Step 14

11

Check the connector at the Fuel Tank Pressure Sensor for:

    • Salt or water intrusion
    • Backed out terminals
    • Improper terminal mating
    • Poor terminal to wire connections

Did you find a problem?

--

Go to Step 13

Go to Step 12

12

Replace the Fuel Tank Pressure Sensor. Refer to Fuel Tank Pressure Sensor Replacement .

Is the action complete?

--

Go to Step 15

--

13

Repair the circuit as necessary. Refer to Wiring Repairs .

Is the action complete?

--

Go to Step 15

--

14

  1. Replace the VCM.
  2. Program the new VCM. Refer to VCM Replacement/Programming .
  3. Perform the VTD Password Learn Procedure. Refer to Password Learn .
  4. Perform the CKP System Variation Learning Procedure. Refer to Crankshaft Position System Variation Learn .

Is the action complete?

--

Go to Step 15

--

15

  1. Using the scan tool, clear the DTCs.
  2. Start the engine.
  3. Allow the engine to idle until the engine reaches normal operating temperature.
  4. Select DTC and the Specific DTC function.
  5. Enter the DTC number which was set.
  6. Operate the vehicle, with the conditions for Setting this DTC, until the scan tool indicates the diagnostic Ran.

Does the scan tool indicate the diagnostic Passed?

--

Go to Step 16

Go to Step 2

16

Does the scan tool display any additional undiagnosed DTCs?

--

Go to the applicable DTC table

System OK