GM Service Manual Online
For 1990-2009 cars only

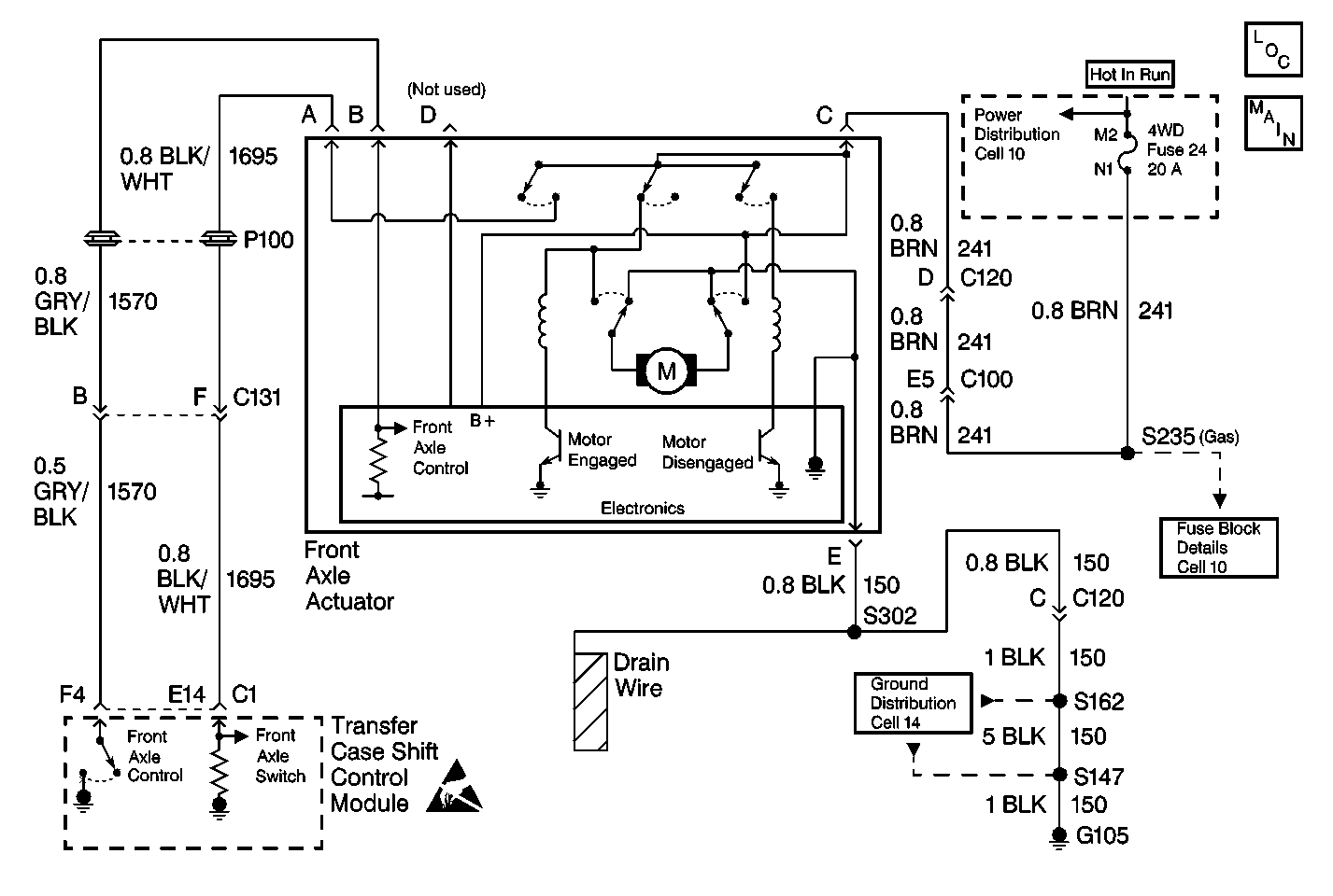
Object Number: 450757  Size: MF
Transfer Case Control Components
Transfer Case Control Schematics Automatic 4WD

Test Description

The number(s) below refer to the step number(s) on the diagnostic table.

  1. This step determines if the front axle actuator has a good power and ground supplied to it.

  2. This step determines if the transfer case shift control module is providing the ground signal to the front axle actuator through terminal B in order to drive the front axle actuator motor.

  3. This step determines if the transfer case shift control module is able to sense voltage on CKT 1695.

Front Axle Will Not Engage

Step

Action

Value(s)

Yes

No

1

Was the Transfer Case Diagnostic System Check performed?

--

Go to Step 2

Go to Transfer Case Diagnostic System Check

2

  1. Turn the ignition ON, engine OFF.
  2. Connect a Scan Tool in order to monitor Front Axle Switch status.
  3. Use the Scan Tool to engage the front Axle.

Does the Front Axle Switch display change from Unlocked to Locked?

--

Go to Step 6

Go to Step 3

3

  1. Turn the ignition Off.
  2. Disconnect the harness connector at the Front Axle Actuator.
  3. Turn the ignition switch On, engine Off.
  4. Connect a J 39200 Digital Multimeter DMM between harness connector terminals C and E at the Front Axle Actuator.

Is the voltage within the value specified?

9-14 V

Go to Step 4

Go to Step 9

4

  1. Connect a J 39200 DMM between Front Axle Actuator harness connector terminals B and C.
  2. Monitor the voltage reading on the J 39200 DMM while using the Scan Tool in order to engage the front axle.

Is the voltage reading within the specified values?

9-14 V

Go to Step 5

Go to Step 14

5

  1. Connect a jumper wire between the front axle actuator harness connector terminals A and C.
  2. Use the Scan Tool in order to read the Front Axle Switch status.

Does the Scan Tool show the Front Axle Switch status Locked?

--

Go to Step 17

Go to Step 7

6

Inspect the front axle for mechanical concerns, if no mechanical concerns are present replace the Front Axle Actuator.

Is the repair complete?

--

Go to Step 19

--

7

  1. Disconnect the connectors at the transfer case shift control module.
  2. Connect a J 39200 DMM between transfer case shift control module harness connector C1 terminal E14 and front axle actuator harness connector terminal A .

Is the resistance reading within the specified values?

0-0.5 V

Go to Step 16

Go to Step 8

8

Repair open in CKT 1695. Refer to Wiring Repairs in Wiring Systems.

Is the repair complete?

--

Go to Step 19

--

9

  1. Connect a J 39200 DMM between Front Axle Actuator harness connector terminals C and ground.
  2. Observe the voltage reading on the J 39200 DMM.

Is the voltage reading within the specified values?

9-14 V

Go to Step 10

Go to Step 11

10

Repair open in CKT 2150. Refer to Wiring Repairs in Wiring Systems.

Is the repair complete?

--

Go to Step 19

--

11

Inspect the 4WD fuse in CKT 241 for continuity.

Is the fuse good?

--

Go to Step 12

Go to Step 13

12

Repair open in CKT 241. Refer to Wiring Repairs in Wiring Systems.

Is the repair complete?

--

Go to Step 19

--

13

  1. Replace 4WD fuse in CKT 241.
  2. Turn the ignition On, engine Off.
  3. Wait 2 minutes and reinspect the fuse.

Is the fuse good?

--

Go to Step 19

Go to Step 18

14

  1. Disconnect the connectors at the transfer case shift control module.
  2. Connect a J 39200 DMM between transfer case shift control module harness connector C1 terminal F4 and front axle actuator harness connector terminal B.

Is the resistance reading within the specified values?

0-5 ohms

Go to Step 16

Go to Step 15

15

Repair open in CKT 1296. Refer to Wiring Repairs in Wiring Systems.

Is the repair complete?

--

Go to Step 19

--

16

Replace the transfer case shift control module. Refer to Transfer Case Shift Control Module Replacement .

Is the action complete?

--

Go to Step 19

--

17

Replace the front axle actuator. Refer to Electric Motor Actuator Replacement .

Is the action complete?

--

Go to Step 19

--

18

Repair short to ground in CKT 241. Refer to Wiring Repairs in Wiring Systems.

Is the repair complete?

--

Go to Step 19

--

19

  1. Ensure the ignition is OFF.
  2. Properly mount and reconnect all previously disconnected ATC components.

Have all the ATC components been reconnected and properly mounted?

--

Go to Step 20

--

20

Clear all ATC DTCs.

Have all the ATC DTCs been cleared?

--

Go to Transfer Case Diagnostic System Check

--