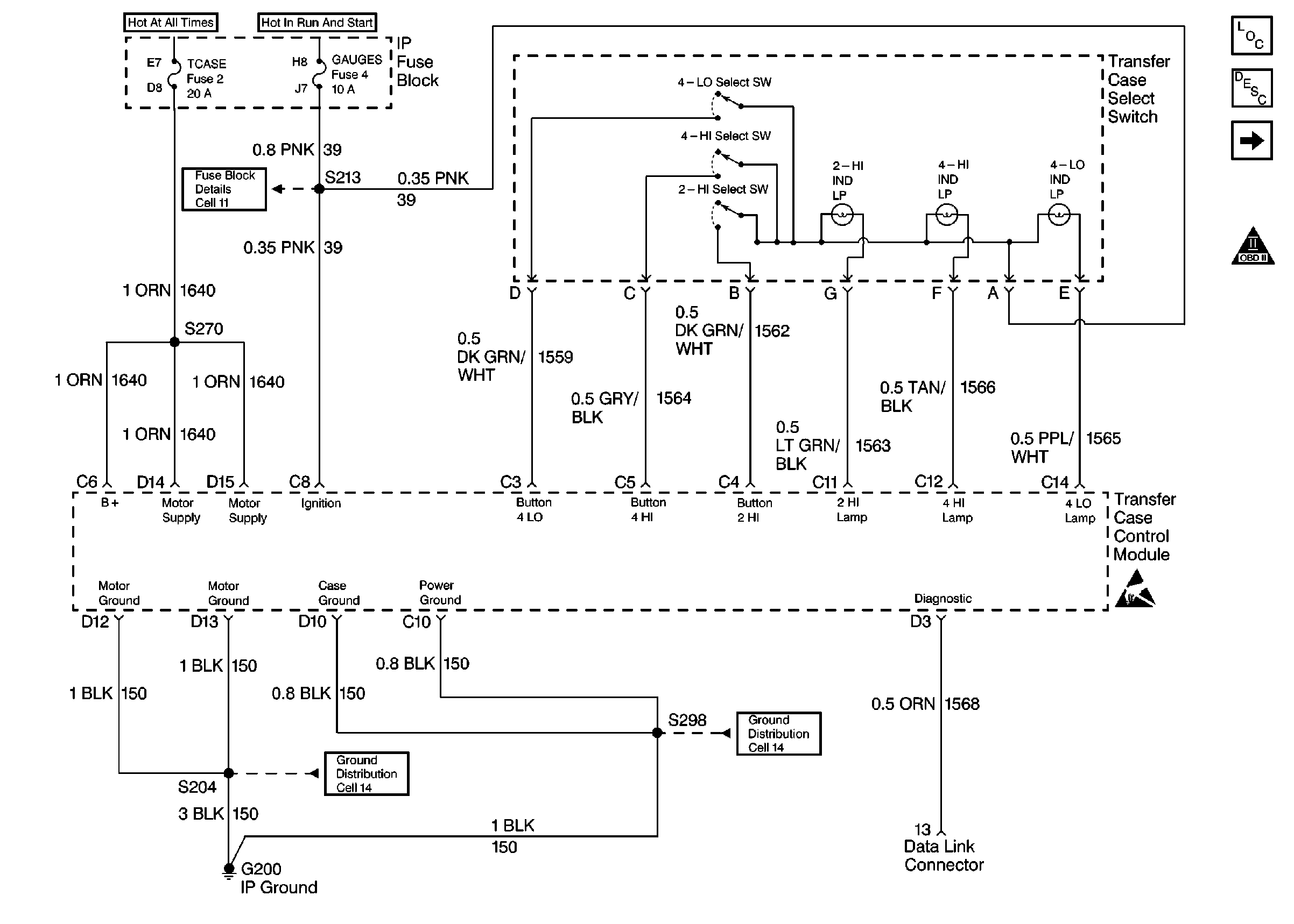
| Figure 1: |
Power, GND and DLC (Page 1 of 2)
|
| Figure 2: |
Power, GND and DLC (Page 2 of 2)
|
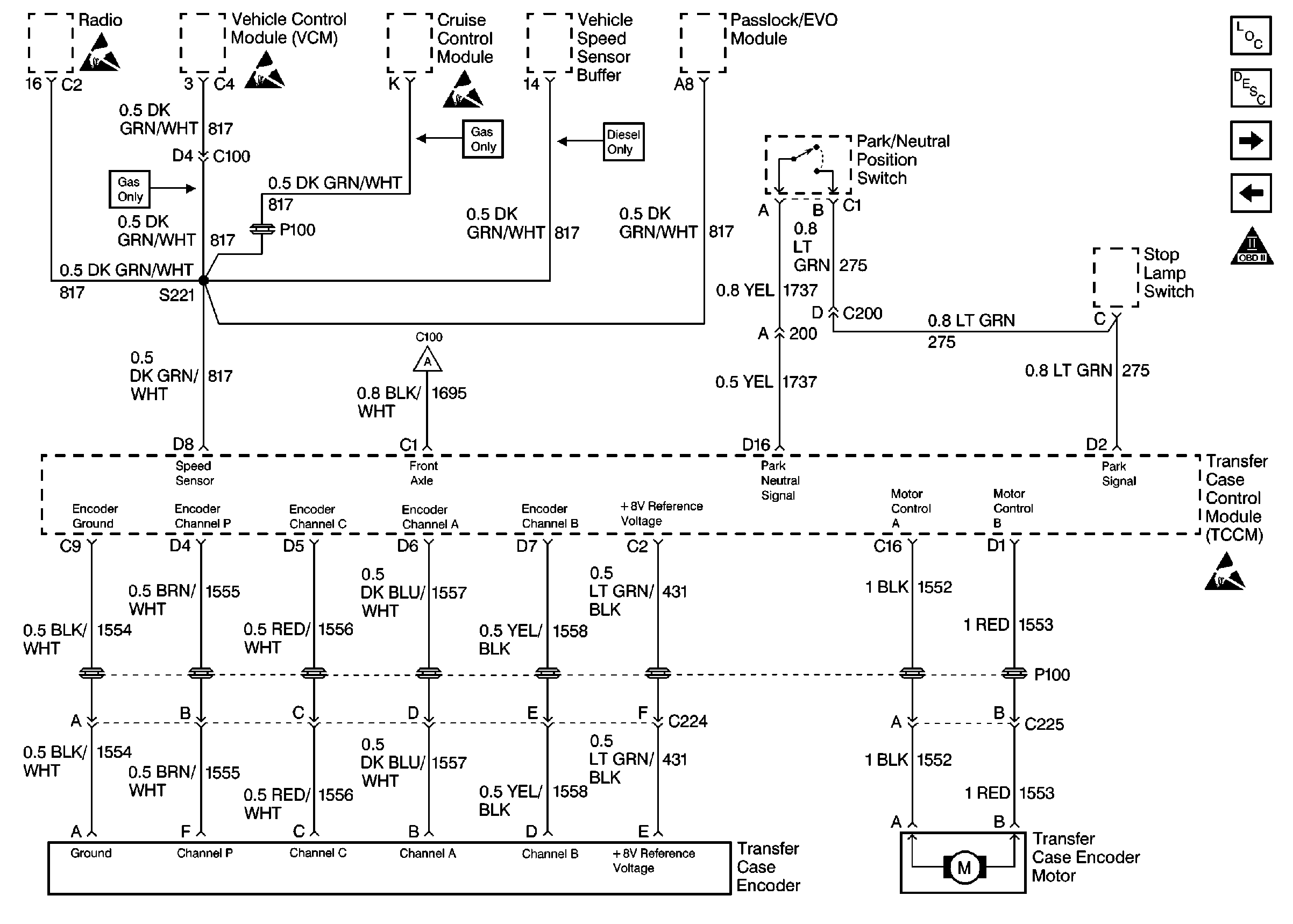
| Figure 3: |
Transfer Case Encoder
|
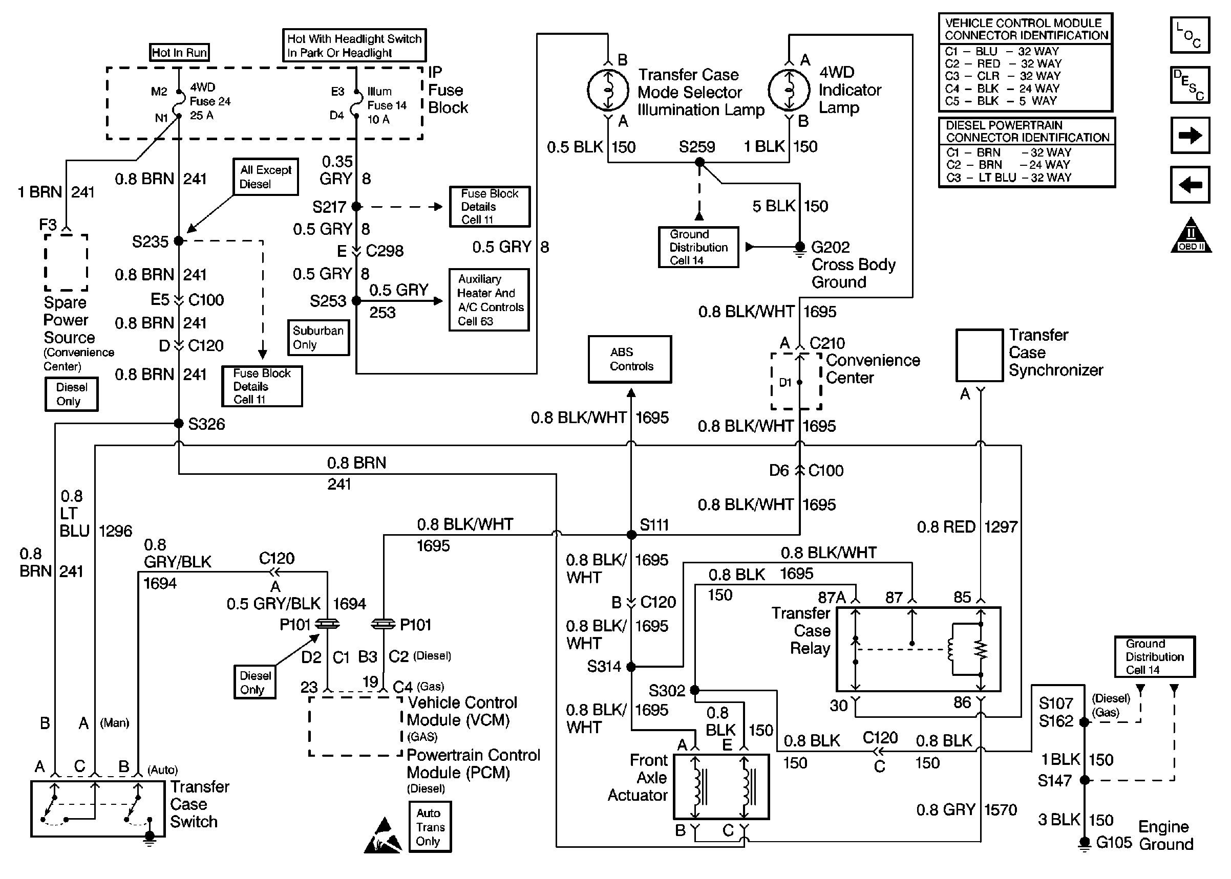
| Figure 4: |
Transfer Case Switch and Front Axle Actuator (Page 1 of 2)
|
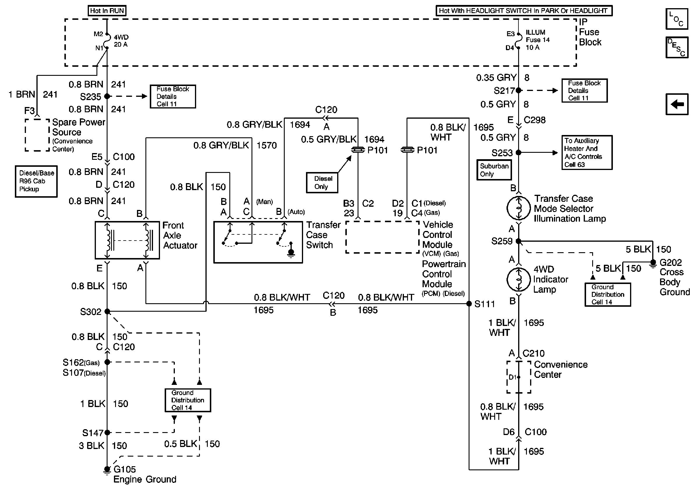
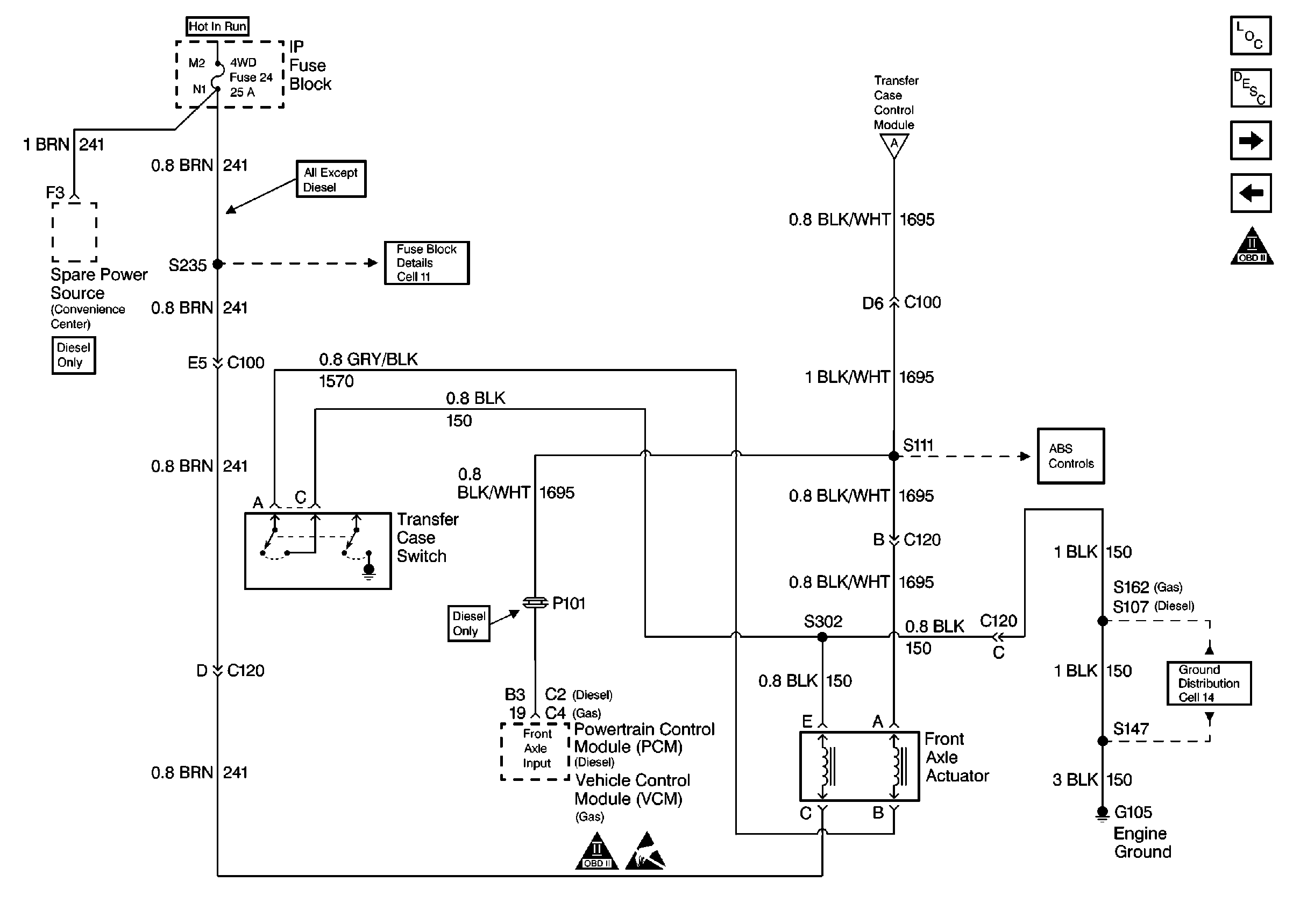
| Figure 5: |
Transfer Case Switch and Front Axle Actuator (Page 2 of 2)
|