GM Service Manual Online
For 1990-2009 cars only
Figure 1:

Cell 14: G112


Object Number: 364568  Size: FS
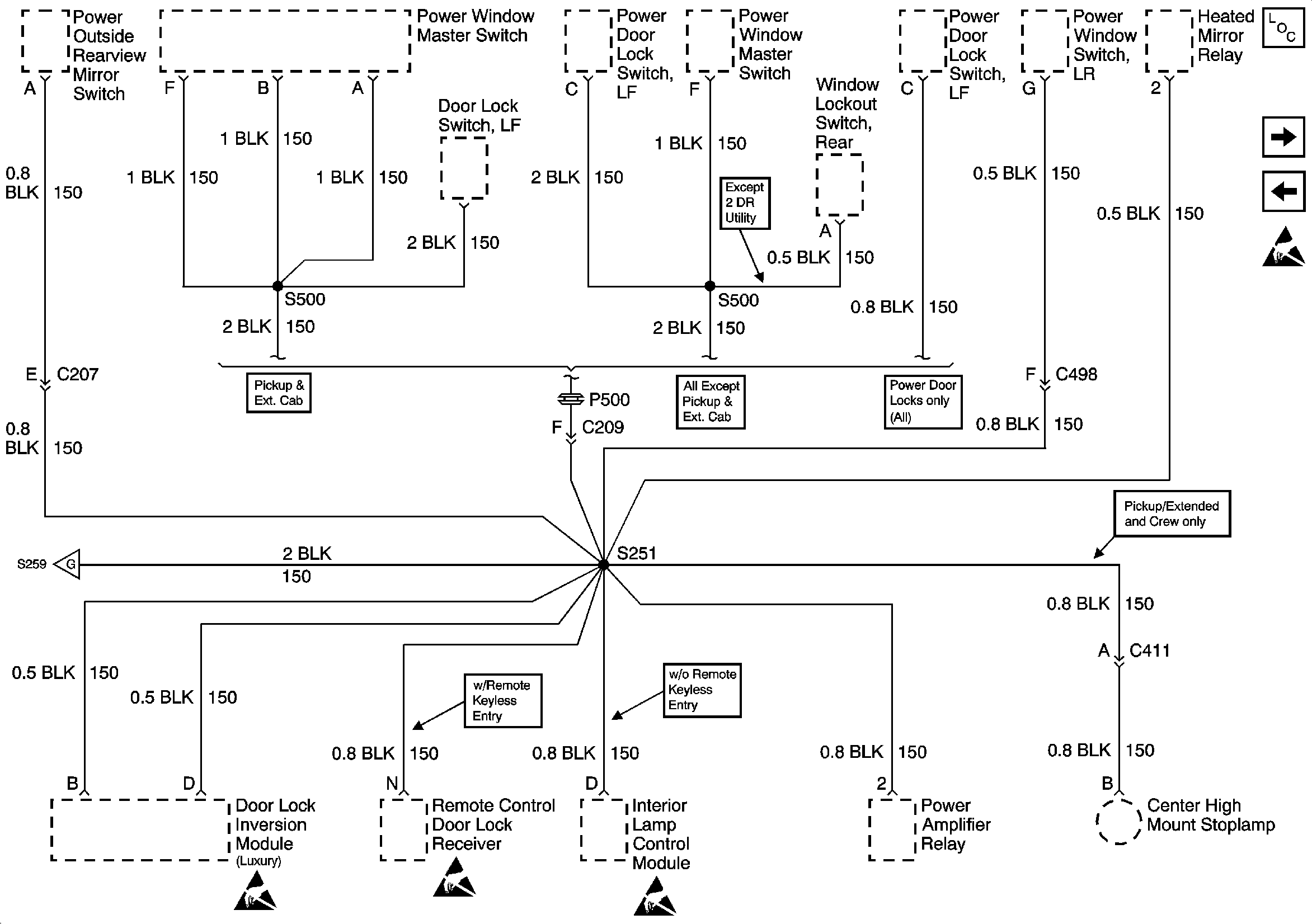
Power and Grounding Components
Cell 14: G103 and G104
Cell 14: G113
Figure 2:

Cell 14: G113


Object Number: 364564  Size: FS
Power and Grounding Components
Cell 14: G112
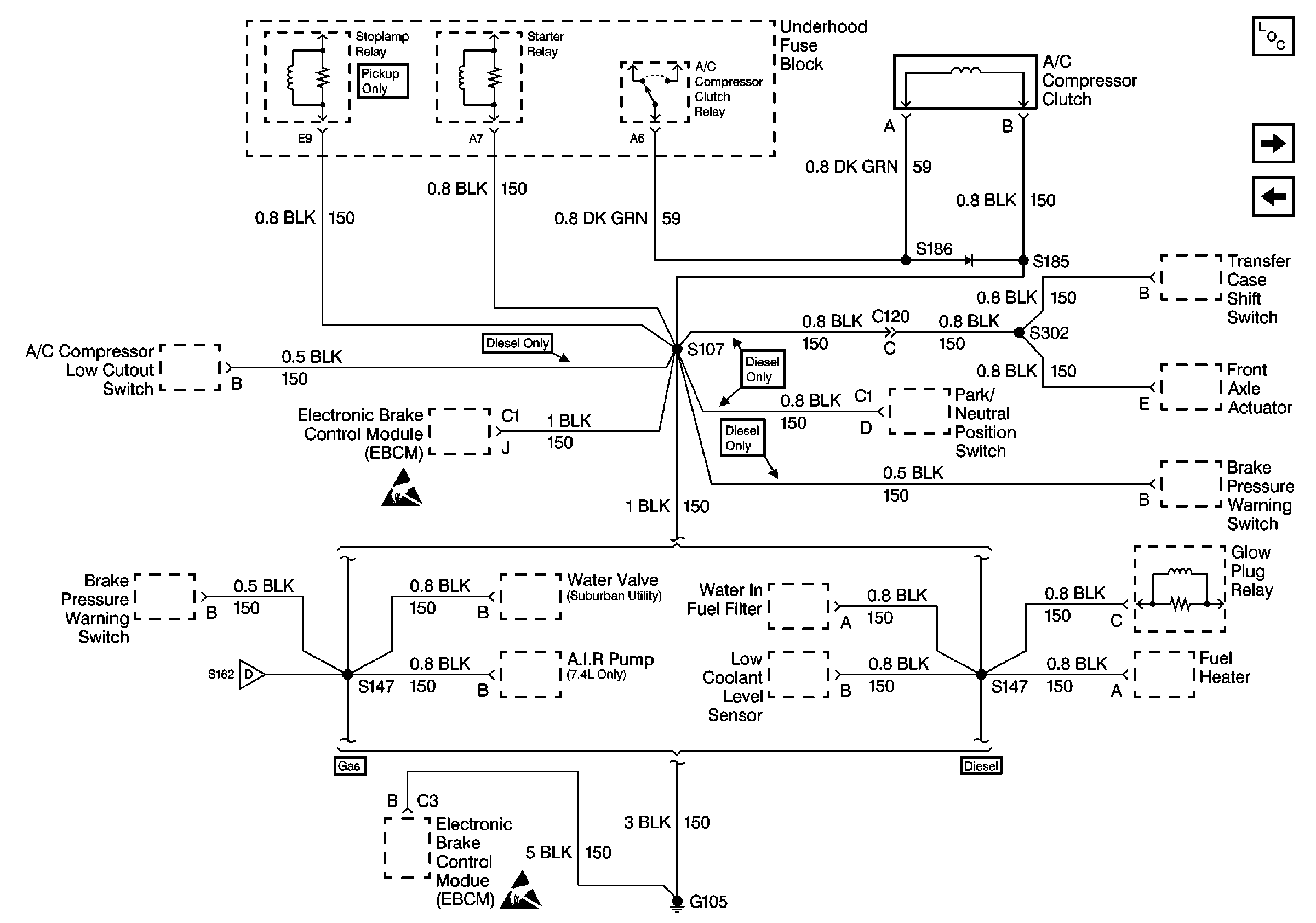
Figure 3:

Cell 14: G103 and G104


Object Number: 364601  Size: FS
Power and Grounding Components
Cell 11: G104 Diesel
Cell 14: G112
Handling Electrostatic Discharge Sensitive Parts Notice
Handling Electrostatic Discharge Sensitive Parts Notice
Handling Electrostatic Discharge Sensitive Parts Notice
Handling Electrostatic Discharge Sensitive Parts Notice
Handling Electrostatic Discharge Sensitive Parts Notice
Handling Electrostatic Discharge Sensitive Parts Notice
Figure 4:

Cell 11: G104 Diesel


Object Number: 364605  Size: FS
Power and Grounding Components
Cell 14: G105 (1 of 2)
Cell 14: G103 and G104
Handling ESD Sensitive Parts Notice
Handling ESD Sensitive Parts Notice
Handling ESD Sensitive Parts Notice
Handling ESD Sensitive Parts Notice
Handling ESD Sensitive Parts Notice
Handling ESD Sensitive Parts Notice
Figure 5:

Cell 14: G105 (1 of 2)


Object Number: 364590  Size: FS
Power and Grounding Components
Cell 14: G105 (2 of 2)
Cell 11: G104 Diesel
Handling Electrostatic Discharge Sensitive Parts Notice
Handling Electrostatic Discharge Sensitive Parts Notice
Cell 14: G105 (2 of 2)
Figure 6:

Cell 14: G105 (2 of 2)


Object Number: 364584  Size: FS
Power and Grounding Components
Cell 14: G101, G102, G108, G110, G111 and G115
Cell 14: G105 (1 of 2)
Cell 14: G105 (1 of 2)
Figure 7:

Cell 14: G101, G102, G108, G110, G111 and G115


Object Number: 390801  Size: FS
Power and Grounding Components
Cell 14: G200 (1 of 4)
Cell 14: G105 (2 of 2)
Figure 8:

Cell 14: G200 (1 of 4)


Object Number: 364576  Size: FS
Power and Grounding Components
Cell 14: G200 (2 of 4)
Cell 14: G101, G102, G108, G110, G111 and G115
Handling Electrostatic Discharge Sensitive Parts Notice
Handling Electrostatic Discharge Sensitive Parts Notice
Handling Electrostatic Discharge Sensitive Parts Notice
Cell 14: G200 (3 of 4)
Cell 14: G200 (2 of 4)
Cell 14: G200 (4 of 4)
Figure 9:

Cell 14: G200 (2 of 4)


Object Number: 364570  Size: FS
Power and Grounding Components
Cell 14: G200 (3 of 4)
Cell 14: G200 (1 of 4)
Handling Electrostatic Discharge Sensitive Parts Notice
Cell 14: G200 (1 of 4)
Figure 10:

Cell 14: G200 (3 of 4)


Object Number: 364578  Size: FS
Power and Grounding Components
Cell 14: G200 (4 of 4)
Cell 14: G200 (2 of 4)
Cell 14: G200 (1 of 4)
Figure 11:

Cell 14: G200 (4 of 4)


Object Number: 364582  Size: FS
Power and Grounding Components
Cell 14: G201, G300, G404
Cell 14: G200 (3 of 4)
Handling Electrostatic Discharge Sensitive Parts Notice
Handling Electrostatic Discharge Sensitive Parts Notice
Handling Electrostatic Discharge Sensitive Parts Notice
Handling Electrostatic Discharge Sensitive Parts Notice
Handling Electrostatic Discharge Sensitive Parts Notice
Handling Electrostatic Discharge Sensitive Parts Notice
Handling Electrostatic Discharge Sensitive Parts Notice
Cell 14: G200 (1 of 4)
Handling Electrostatic Discharge Sensitive Parts Notice
Figure 12:

Cell 14: G201, G300, G404


Object Number: 364645  Size: FS
Power and Grounding Components
Cell 14: G202 (1 of 4)
Cell 14: G200 (4 of 4)
SIR Caution
Handling Electrostatic Discharge Sensitive Parts Notice
SIR Caution
Figure 13:

Cell 14: G202 (1 of 4)


Object Number: 364637  Size: FS
Power and Grounding Components
Cell 14: G202 (2 of 4)
Cell 14: G201, G300, G404
Cell 14: G202 (2 of 4)
Figure 14:

Cell 14: G202 (2 of 4)


Object Number: 364633  Size: FS
Power and Grounding Components
Cell 14: G202 (3 of 4)
Cell 14: G202 (1 of 4)
Handling Electrostatic Discharge Sensitive Parts Notice
Handling Electrostatic Discharge Sensitive Parts Notice
Handling Electrostatic Discharge Sensitive Parts Notice
Cell 14: G202 (1 of 4)
Cell 14: G202 (3 of 4)
Cell 14: G202 (4 of 4)
Figure 15:

Cell 14: G202 (3 of 4)


Object Number: 364640  Size: FS
Power and Grounding Components
Cell 14: G202 (4 of 4)
Cell 14: G202 (2 of 4)
Handling Electrostatic Discharge Sensitive Parts Notice
Handling Electrostatic Discharge Sensitive Parts Notice
Handling Electrostatic Discharge Sensitive Parts Notice
Cell 14: G202 (2 of 4)
Figure 16:

Cell 14: G202 (4 of 4)


Object Number: 358257  Size: FS
Power and Grounding Components
Cell 14: G400
Cell 14: G202 (3 of 4)
Handling Electrostatic Discharge Sensitive Parts Notice
Handling Electrostatic Discharge Sensitive Parts Notice
Cell 14: G202 (2 of 4)
Figure 17:

Cell 14: G400


Object Number: 364631  Size: FS
Power and Grounding Components
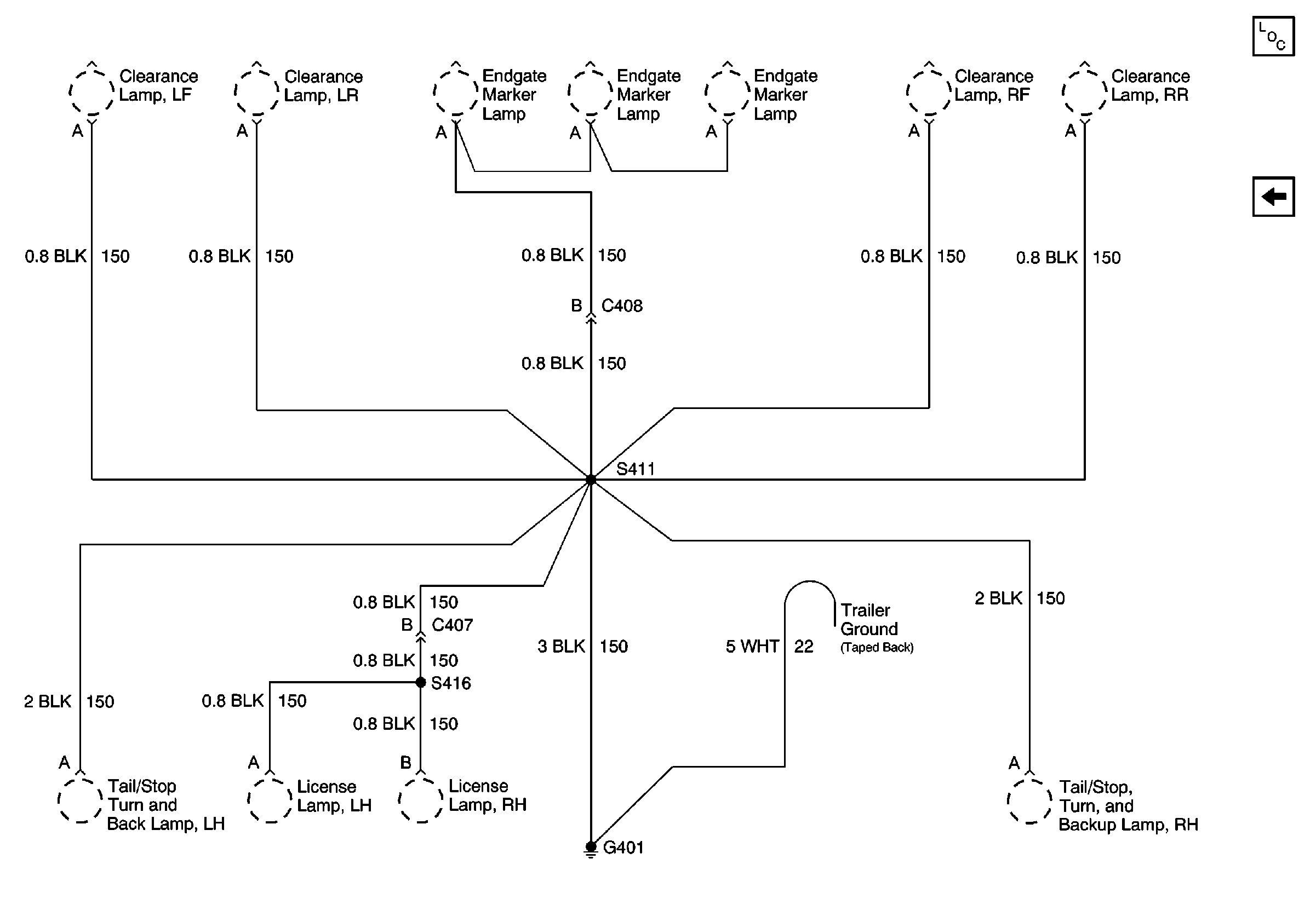
Cell 14: G401 and G403
Cell 14: G202 (4 of 4)
Handling Electrostatic Discharge Sensitive Parts Notice
Handling Electrostatic Discharge Sensitive Parts Notice
Handling Electrostatic Discharge Sensitive Parts Notice
Handling Electrostatic Discharge Sensitive Parts Notice
Handling Electrostatic Discharge Sensitive Parts Notice
Figure 18:

Cell 14: G401 and G403


Object Number: 364623  Size: FS
Power and Grounding Components
Cell 14: G401 and G403 (Pickup w/ Dual Rear Wheels)
Cell 14: G400
Figure 19:

Cell 14: G401 and G403 (Pickup w/ Dual Rear Wheels)


Object Number: 364625  Size: FS
Power and Grounding Components
Cell 14: G401 and G403