GM Service Manual Online
For 1990-2009 cars only

Door Wiring Harness Replacement Rear Cargo Door

Removal Procedure

    Caution: Unless directed otherwise, the ignition and start switch must be in the OFF or LOCK position, and all electrical loads must be OFF before servicing any electrical component. Disconnect the negative battery cable to prevent an electrical spark should a tool or equipment come in contact with an exposed electrical terminal. Failure to follow these precautions may result in personal injury and/or damage to the vehicle or its components.

  1. Disconnect the negative battery cable.
  2. Remove the trim panel. Refer to Trim Panel Replacement.

  3. Object Number: 277850  Size: MH
  4. Disconnect the wiring by completing the following steps:
  5. 3.1. Remove the wiring contact (1) screws.
    3.2. Disconnect the door wiring contact connector.
    3.3. Disconnect the window defogger wiring connectors (5).
    3.4. Disconnect the power door lock actuator connector (4).
    3.5. Remove the wiring harness retainers.
  6. Remove the wiring harness from the door.

Installation Procedure


    Object Number: 277850  Size: MH
  1. Install the wiring harness to the door.
  2. Connect the wiring by completing the following steps:
  3. 2.1. Install the wiring harness retainers.
    2.2. Connect the power door lock actuator connector (4).
    2.3. Connect the window defogger wiring connectors (5).
    2.4. Connect the door wiring contact (1) connector.
    2.5. Install the door wiring contact screws.
  4. Install the trim panel. Refer to Trim Panel Replacement.
  5. Connect the negative battery cable.

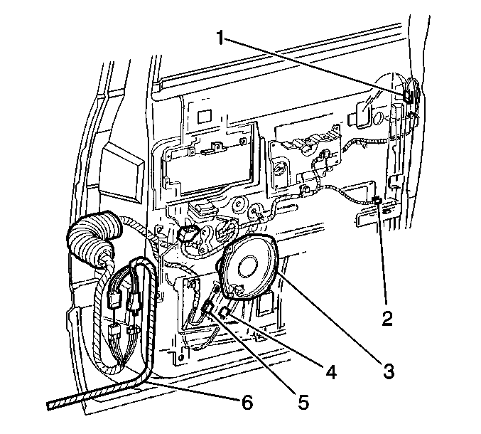
Door Wiring Harness Replacement Front Door

Removal Procedure

    Caution: Unless directed otherwise, the ignition and start switch must be in the OFF or LOCK position, and all electrical loads must be OFF before servicing any electrical component. Disconnect the negative battery cable to prevent an electrical spark should a tool or equipment come in contact with an exposed electrical terminal. Failure to follow these precautions may result in personal injury and/or damage to the vehicle or its components.

  1. Disconnect the negative battery cable.
  2. Remove the cowl kick panel.

  3. Object Number: 277754  Size: SH
  4. Disconnect the cross body wiring harness.

  5. Object Number: 277755  Size: SH
  6. Remove the conduit.
  7. Remove the trim panel. Refer to Front Side Door Trim Panel Replacement .
  8. Remove the water deflector. Refer to Front Side Door Water Deflector Replacement .
  9. Disconnect the power mirror connector (9), as necessary.
  10. Disconnect the keyless entry connector (10), as necessary.
  11. Disconnect the power door lock actuator connector (2), as necessary.
  12. Disconnect the power window motor wiring connector (7), as necessary.
  13. Remove the courtesy lamp harness retainers, as necessary.
  14. Remove the speaker.
  15. Disconnect the speaker wiring harness connector (8), as necessary.
  16. Remove the door wiring harness from the door.

Installation Procedure


    Object Number: 277755  Size: SH
  1. Install the door wiring harness to the door.
  2. Connect the speaker wiring harness connector (8), as necessary.
  3. Install the speaker.
  4. Install the courtesy lamp harness retainers, as necessary.
  5. Disconnect the power window motor wiring connector (7), as necessary.
  6. Install the power door lock actuator connector (2) into the latch, as necessary.
  7. Connect the keyless entry connector (10), as necessary.
  8. Connect the power mirror connector (9), as necessary.
  9. Install the water deflector. Refer to Front Side Door Water Deflector Replacement .
  10. Install the trim panel. Refer to Front Side Door Trim Panel Replacement .
  11. Install the conduit.

  12. Object Number: 277754  Size: SH
  13. Connect the cross body wiring harness.
  14. Install the cowl kick panel.
  15. Connect the negative battery cable.

Door Wiring Harness Replacement Rear Door

Removal Procedure

    Caution: Unless directed otherwise, the ignition and start switch must be in the OFF or LOCK position, and all electrical loads must be OFF before servicing any electrical component. Disconnect the negative battery cable to prevent an electrical spark should a tool or equipment come in contact with an exposed electrical terminal. Failure to follow these precautions may result in personal injury and/or damage to the vehicle or its components.

  1. Disconnect the negative battery cable.
  2. Remove the lock-pillar trim panel.

  3. Object Number: 277814  Size: SH
  4. Disconnect the following components:
  5. • The body harness (1)
    • The conduit (7)
    • The power door lock connector (1)
  6. Remove the trim panel. Refer to Rear Side Door Trim Panel Replacement .
  7. Remove the water deflector. Refer to Rear Side Door Water Deflector Replacement .
  8. Remove the courtesy lamp wiring retainers.
  9. Disconnect the power window motor wiring connector (5).

Installation Procedure


    Object Number: 277814  Size: SH
  1. Connect the power window motor wiring connector (5).
  2. Install the courtesy lamp wiring retainers.
  3. Install the water deflector. Refer to Rear Side Door Water Deflector Replacement .
  4. Install the trim panel. Refer to Rear Side Door Trim Panel Replacement .
  5. Connect the following components:
  6. • The body harness (6)
    • The conduit (7)
    • The lock actuator
  7. Install the lock-pillar trim panel.
  8. Connect the negative battery cable.