GM Service Manual Online
For 1990-2009 cars only
Makes
🢒
Chevrolet
🢒
1999
🢒
Chevy C Pickup - 2WD
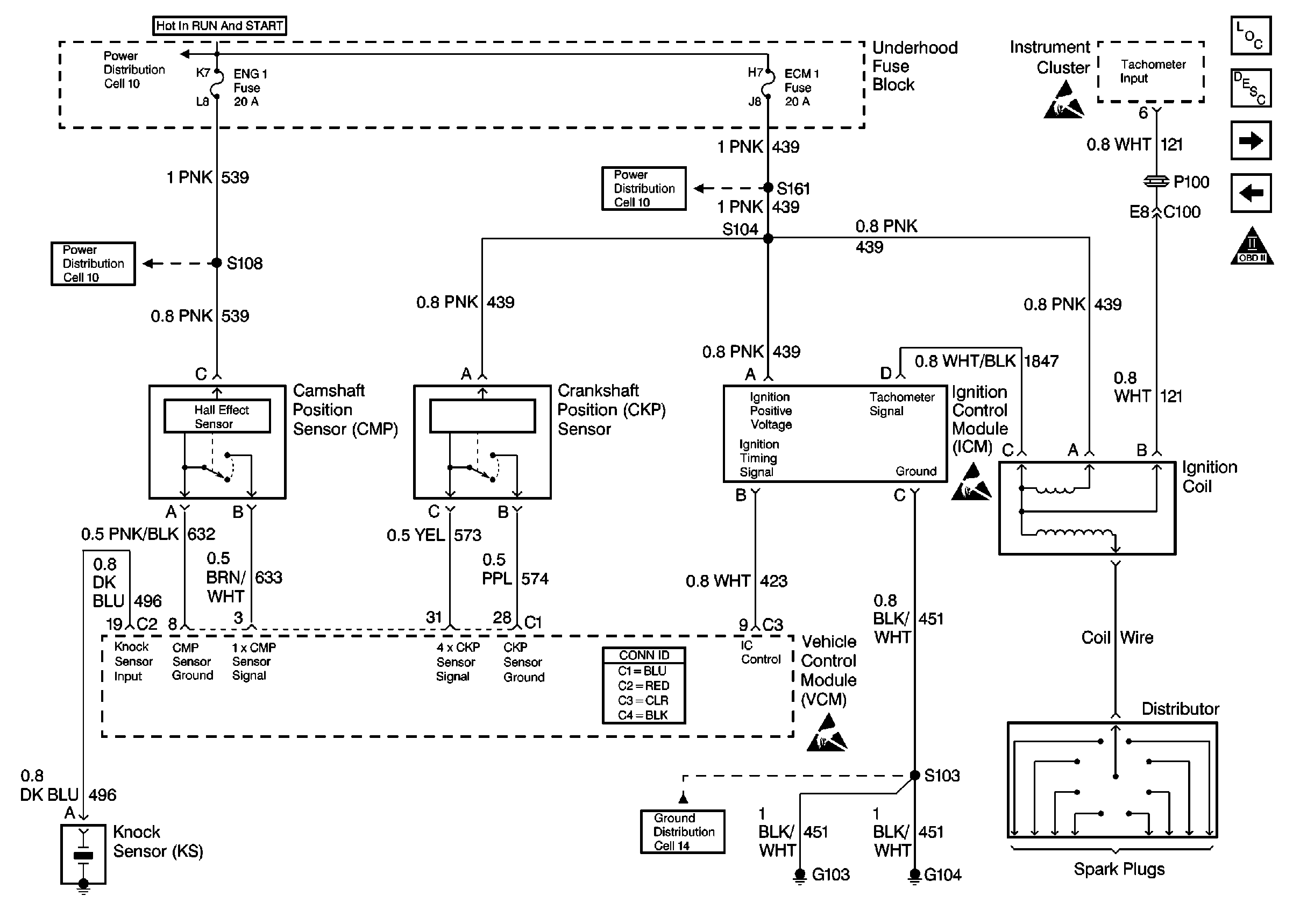
🢒 Ignition Controls
Ignition Controls
Ignition Controls
Cell 10: Battery, and Underhood Fuse Block
Cell 10: ENG-1 Fuse
Cell 10: ENG 1 and ECM 1 Fuses (Diesel)
VCM Connector End Views
Handling ESD Sensitive Parts Notice
OBD II Symbol Description Notice
Handling ESD Sensitive Parts Notice
Cell 14: G103 and G104
Handling ESD Sensitive Parts Notice
Fuel Controls
Power, Ground, and DLC