GM Service Manual Online
For 1990-2009 cars only

Automatic Transmission Controls Schematics Gas

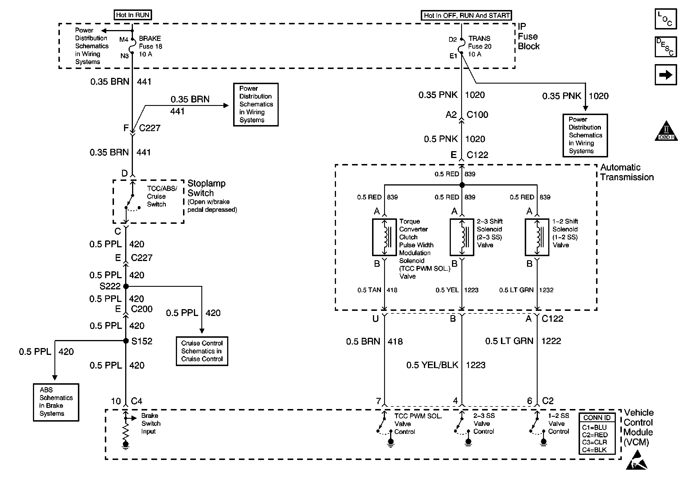
Figure 1:

Automatic Transmission, Fuses, Stoplamp Switch


Object Number: 558274  Size: FS
Automatic Transmission Electronic Component Views Internal
Electronic Component Description
Automatic Transmission, VCM
OBDII Symbol Description Notice
AIR BAG, TURN B/U, CRANK, and TRANS Fuses
BRAKE and HTR-A/C Fuses
BRAKE and HTR-A/C Fuses
Diesel Engine
VSS, TCC Signal and Brake Indicator (Gas)
Handling Electrostatic Discharge Sensitive Parts Notice
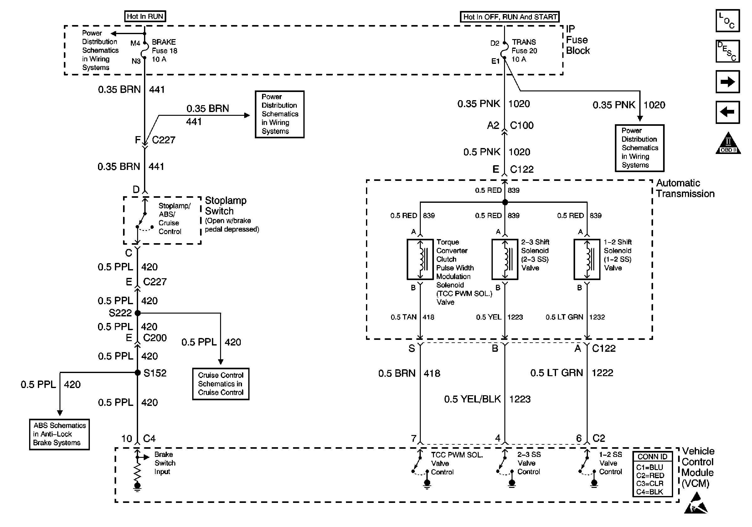
Figure 2:

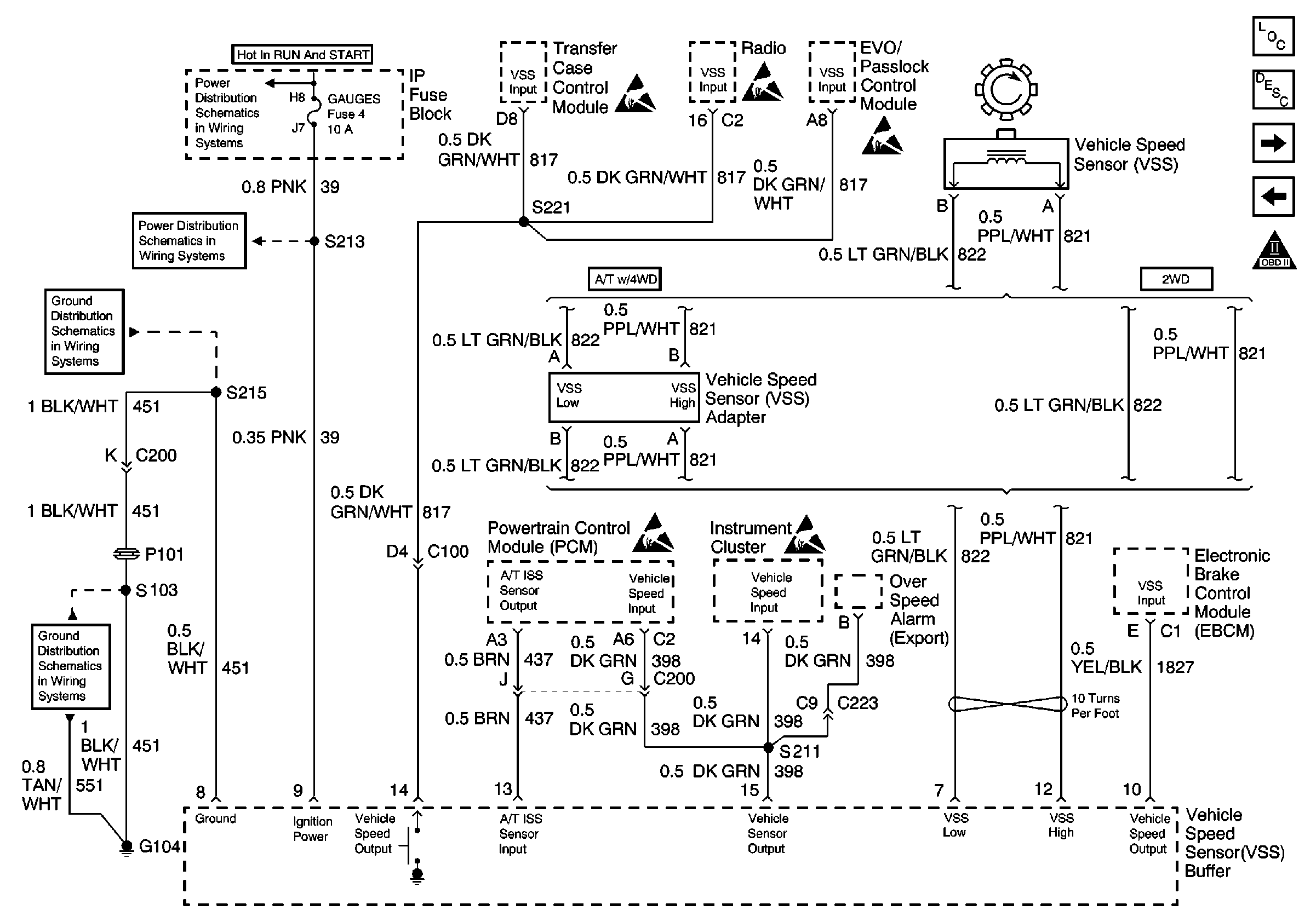
Automatic Transmission, VCM


Object Number: 558277  Size: FS
Automatic Transmission Electronic Component Views Internal
Electronic Component Description
Fuses, Automatic Transmission, VCM
Automatic Transmission, Fuses, Stoplamp Switch
OBDII Symbol Description Notice
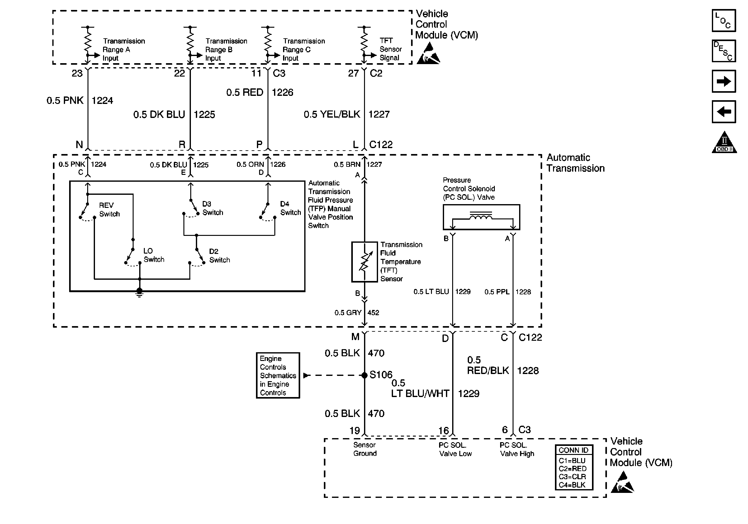
A/T Controls-Internal Switches. TFT, PC Solenoid Valve, and TISS
Handling Electrostatic Discharge Sensitive Parts Notice
Figure 3:

Fuses, Automatic Transmission, VCM


Object Number: 558282  Size: FS
Automatic Transmission Electronic Component Views Internal
Electronic Component Description
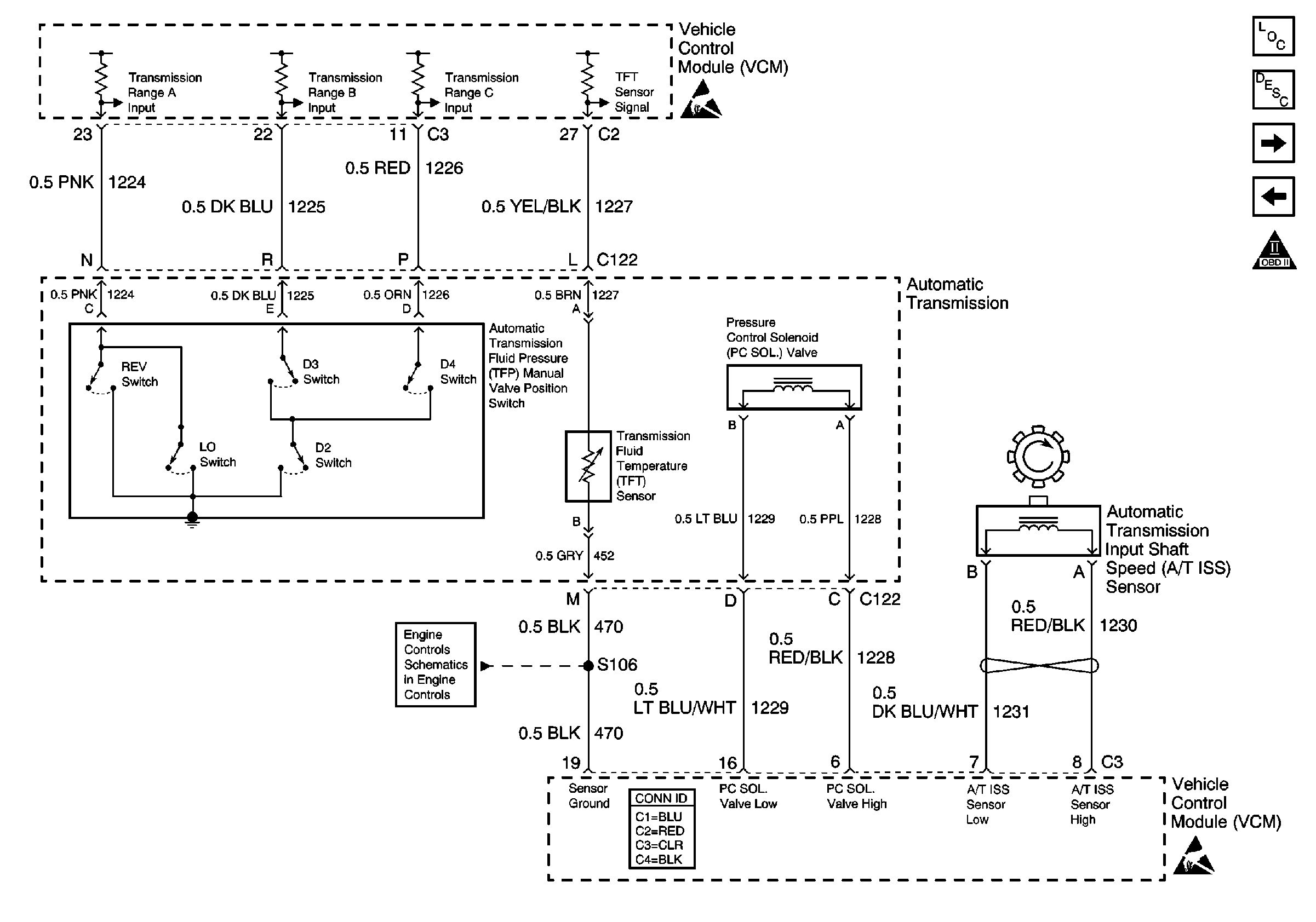
VCM, Automatic Transmission
Automatic Transmission, VCM
OBDII Symbol Description Notice
AIR BAG, TURN B/U, CRANK, and TRANS Fuses
BRAKE and HTR-A/C Fuses
BRAKE and HTR-A/C Fuses
Heated Seats Schematics
VSS, TCC Signal and Brake Indicator (Gas)
Handling Electrostatic Discharge Sensitive Parts Notice
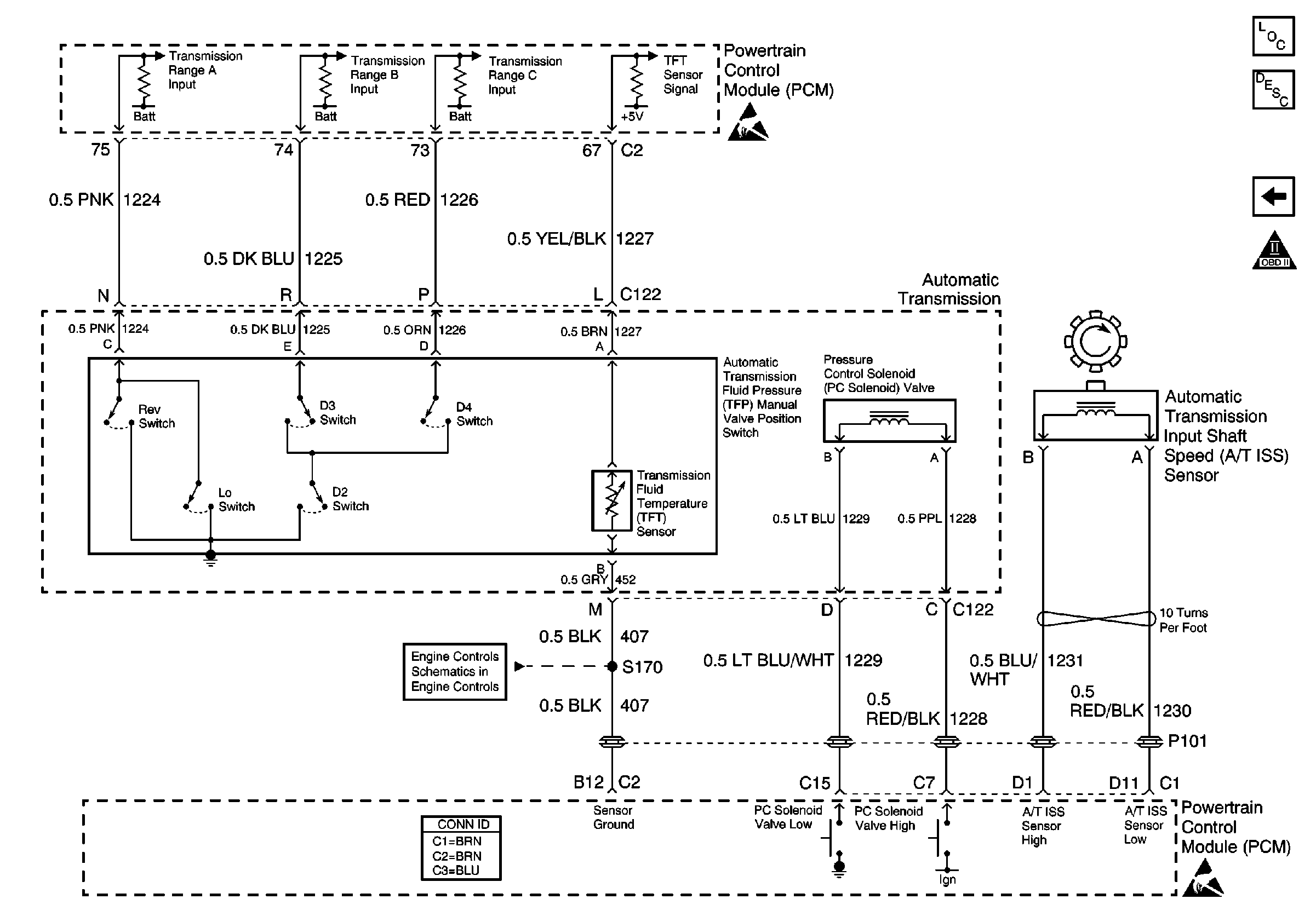
Figure 4:

VCM, Automatic Transmission


Object Number: 558286  Size: FS
Automatic Transmission Electronic Component Views Internal
Electronic Component Description
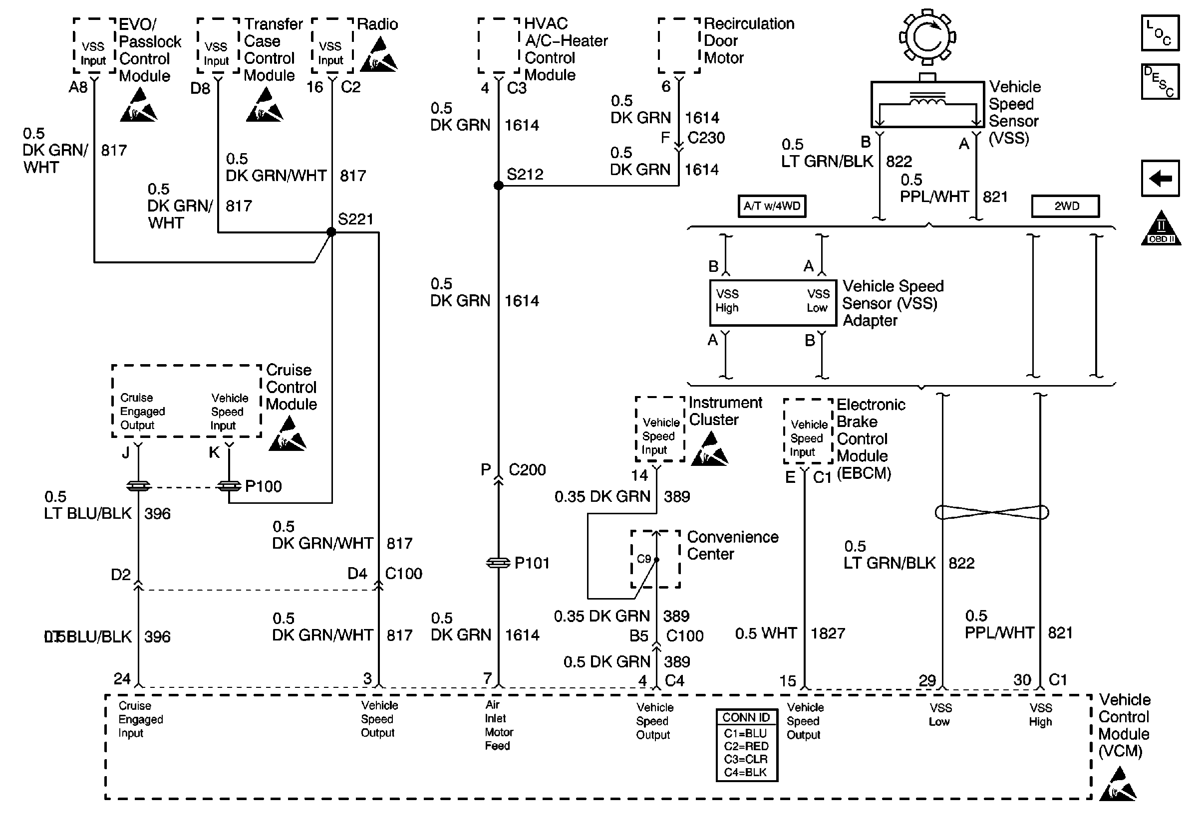
VSS, VCM, Cruise Control Module
Fuses, Automatic Transmission, VCM
OBDII Symbol Description Notice
A/T Controls-Internal Switches. TFT, PC Solenoid Valve, and TISS
Handling Electrostatic Discharge Sensitive Parts Notice
Handling Electrostatic Discharge Sensitive Parts Notice
Figure 5:

VSS, VCM, Cruise Control Module


Object Number: 558288  Size: FS
Automatic Transmission Electronic Component Views Internal
Electronic Component Description
VCM, Automatic Transmission
OBDII Symbol Description Notice
Handling Electrostatic Discharge Sensitive Parts Notice

Automatic Transmission Controls Schematics Diesel

Figure 1:

Automatic Transmission, TCC, PCM


Object Number: 558292  Size: FS
Automatic Transmission Electronic Component Views Internal
Electronic Component Description
PCM, VSS, Transfer Case
OBDII Symbol Description Notice
AIR BAG, TURN B/U, CRANK, and TRANS Fuses
STOP/HAZ, RADIO BATT, and AUX PWR Fuses
BRAKE and HTR-A/C Fuses
STOP/HAZ, RADIO BATT, and AUX PWR Fuses
BRAKE and HTR-A/C Fuses
STOP/HAZ Fuse 1, Turn/Hazard Switch, Turn/Hazard Flasher
BRAKE and HTR-A/C Fuses
Handling Electrostatic Discharge Sensitive Parts Notice
Figure 2:

PCM, VSS, Transfer Case


Object Number: 558297  Size: FS
Automatic Transmission Electronic Component Views Internal
Electronic Component Description
PCM, Automatic Transmission, ISS
Automatic Transmission, TCC, PCM
OBDII Symbol Description Notice
GAUGES Fuse
Handling Electrostatic Discharge Sensitive Parts Notice
Handling Electrostatic Discharge Sensitive Parts Notice
Handling Electrostatic Discharge Sensitive Parts Notice
GAUGES Fuse
G104 Diesel
G104 Diesel
Handling Electrostatic Discharge Sensitive Parts Notice
Handling Electrostatic Discharge Sensitive Parts Notice
Figure 3:

PCM, Automatic Transmission, ISS


Object Number: 558298  Size: FS
Automatic Transmission Electronic Component Views Internal
Electronic Component Description
PCM, VSS, Transfer Case
OBDII Symbol Description Notice
Handling Electrostatic Discharge Sensitive Parts Notice
Transmission Solenoids, TCC/Stoplamps Switch
Handling Electrostatic Discharge Sensitive Parts Notice