GM Service Manual Online
For 1990-2009 cars only
Makes
🢒
Chevrolet
🢒
2000
🢒
Chevy C Pickup - 2WD
🢒
Body and Accessories
🢒
Instrument Panel, Gauges, and Console
🢒 Interior Lights Dimming Schematics
Figure
1:
PK LPS Fuse 9, ILLUM Fuse 14, Headlamp and Panel Dimmer Switch (1 of 2)
Lighting Systems Components
Interior Lights Dimming Circuit Description Except Luxury
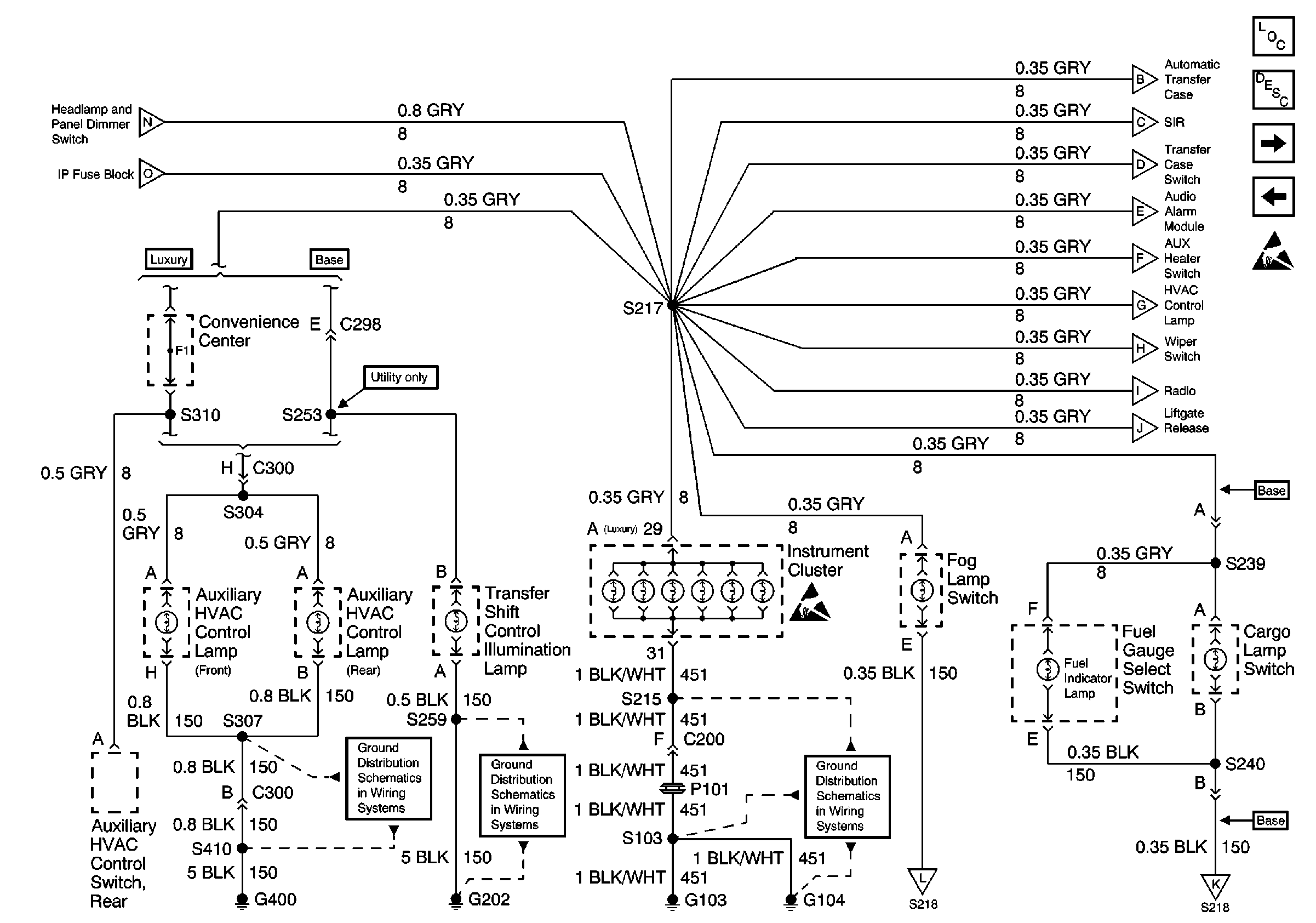
PK LPS Fuse 9, ILLUM Fuse 14, Headlamp and Panel Dimmer Switch (2 of2)
Handling Electrostatic Discharge Sensitive Parts Notice
SIR Caution
PK LPS Fuse 9, ILLUM Fuse 14, Headlamp and Panel Dimmer Switch (2 of2)
PK LPS Fuse 9, ILLUM Fuse 14, Headlamp and Panel Dimmer Switch (2 of2)
ILLUM Fuse
SECURITY/STRG, PK LPS, and DRL-FOG Fuses
SECURITY/STRG, PK LPS, and DRL-FOG Fuses
IP Ground G200
Handling Electrostatic Discharge Sensitive Parts Notice
SIR Caution
Handling Electrostatic Discharge Sensitive Parts Notice
Handling Electrostatic Discharge Sensitive Parts Notice
Figure
2:
PK LPS Fuse 9, ILLUM Fuse 14, Headlamp and Panel Dimmer Switch (2 of 2)
Lighting Systems Components
Interior Lights Dimming Circuit Description Except Luxury
IP Ground G200
PK LPS Fuse 9, ILLUM Fuse 14, Headlamp and Panel Dimmer Switch (1of 2)
Handling Electrostatic Discharge Sensitive Parts Notice
IP Ground G200
IP Ground G200
IP Ground G200
IP Ground G200
IP Ground G200
IP Ground G200
IP Ground G200
IP Ground G200
IP Ground G200
IP Ground G200
IP Ground G200
G103 and G104
G202 (2 of 4)
G400
PK LPS Fuse 9, ILLUM Fuse 14, Headlamp and Panel Dimmer Switch (1of 2)
PK LPS Fuse 9, ILLUM Fuse 14, Headlamp and Panel Dimmer Switch (1of 2)
Figure
3:
IP Ground G200
Lighting Systems Components
Interior Lights Dimming Circuit Description Luxury
PK LPS Fuse 9, ILLUM Fuse 14, Headlamp and Panel Dimmer Switch (1of 2)
Handling Electrostatic Discharge Sensitive Parts Notice
SIR Caution
PK LPS Fuse 9, ILLUM Fuse 14, Headlamp and Panel Dimmer Switch (2 of2)
PK LPS Fuse 9, ILLUM Fuse 14, Headlamp and Panel Dimmer Switch (2 of2)
PK LPS Fuse 9, ILLUM Fuse 14, Headlamp and Panel Dimmer Switch (2 of2)
PK LPS Fuse 9, ILLUM Fuse 14, Headlamp and Panel Dimmer Switch (2 of2)
PK LPS Fuse 9, ILLUM Fuse 14, Headlamp and Panel Dimmer Switch (2 of2)
PK LPS Fuse 9, ILLUM Fuse 14, Headlamp and Panel Dimmer Switch (2 of2)
PK LPS Fuse 9, ILLUM Fuse 14, Headlamp and Panel Dimmer Switch (2 of2)
PK LPS Fuse 9, ILLUM Fuse 14, Headlamp and Panel Dimmer Switch (2 of2)
PK LPS Fuse 9, ILLUM Fuse 14, Headlamp and Panel Dimmer Switch (2 of2)
Handling Electrostatic Discharge Sensitive Parts Notice
SIR Caution
Handling Electrostatic Discharge Sensitive Parts Notice
Handling Electrostatic Discharge Sensitive Parts Notice
PK LPS Fuse 9, ILLUM Fuse 14, Headlamp and Panel Dimmer Switch (2 of2)
PK LPS Fuse 9, ILLUM Fuse 14, Headlamp and Panel Dimmer Switch (2 of2)
PK LPS Fuse 9, ILLUM Fuse 14, Headlamp and Panel Dimmer Switch (2 of2)
G200 (2 of 4)
G200 (1 of 4)