GM Service Manual Online
For 1990-2009 cars only
Makes
🢒
Chevrolet
🢒
2000
🢒
Chevy C Pickup - 2WD
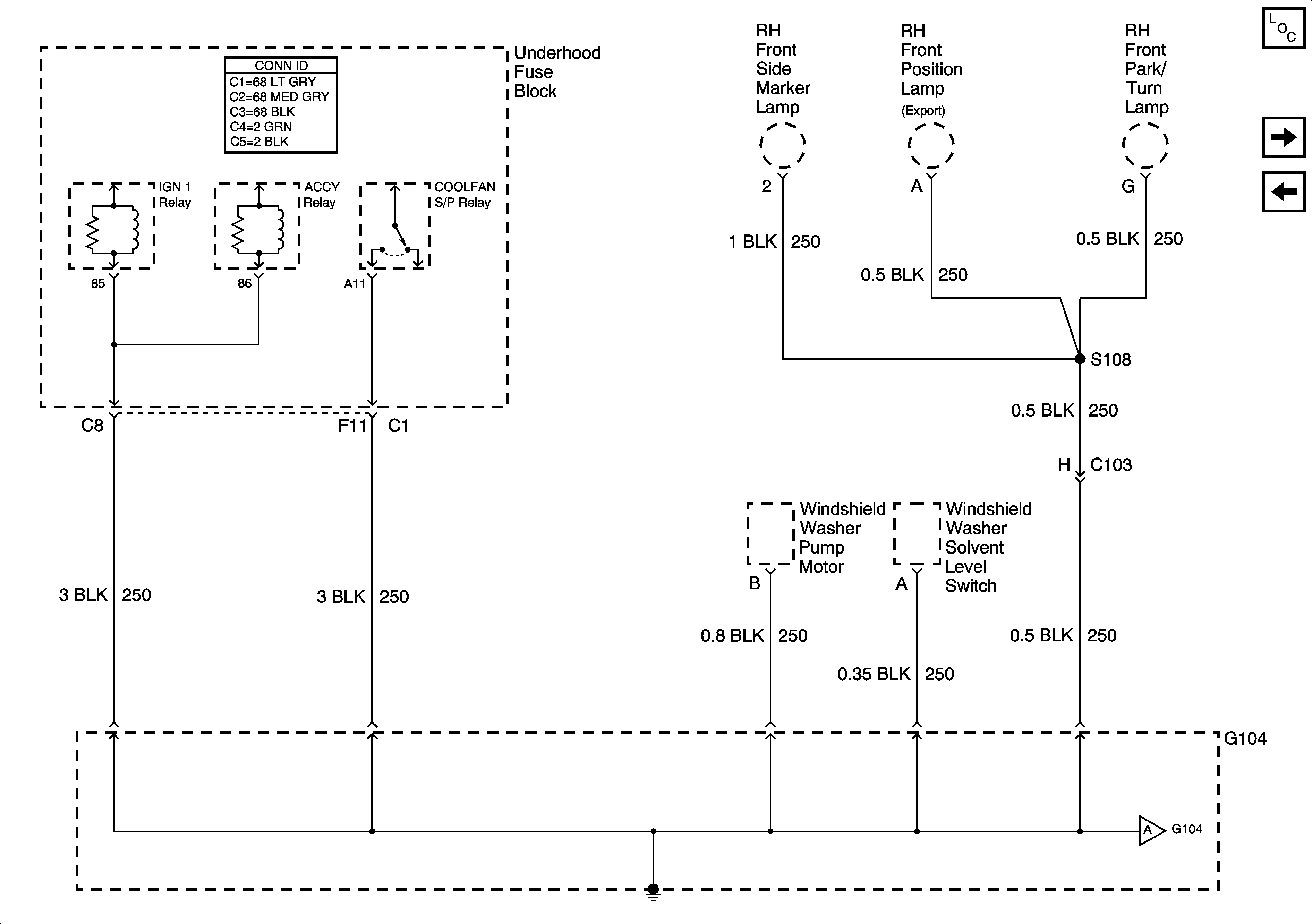
🢒 G104 - Relays, Horns and Other Items
G104 - Relays, Horns and Other Items
G104 -- Relays, Horns and Other Items
Power and Grounding Components
G104 - Lamps and Other Items
G101
Power and Grounding Connector End Views Fuse Blocks and Ignition Switch
G104 - Lamps and Other Items