GM Service Manual Online
For 1990-2009 cars only
Makes
🢒
Chevrolet
🢒
2000
🢒
Chevy C Pickup - 2WD
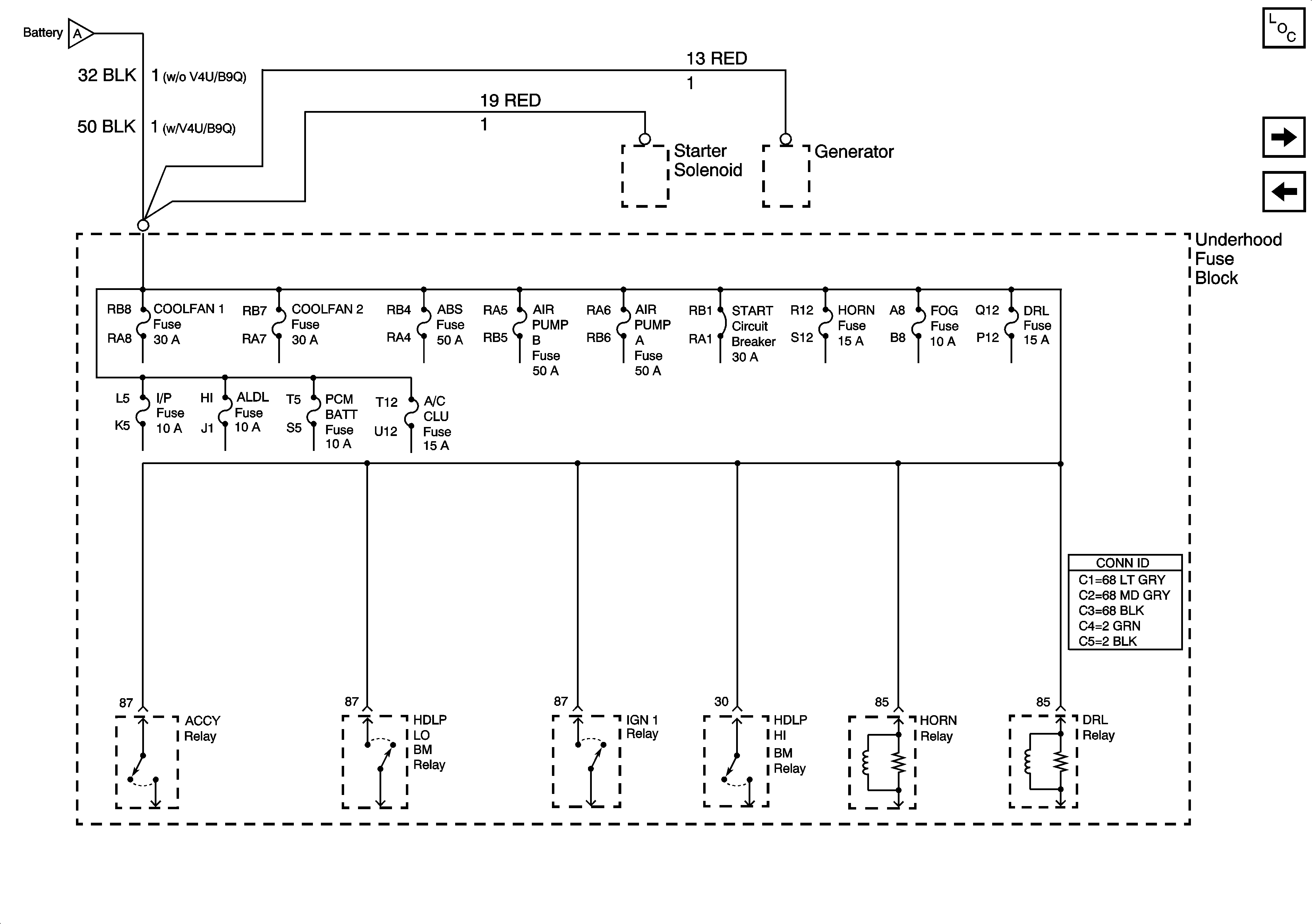
🢒 Underhood Fuse Block Battery Voltage
Underhood Fuse Block Battery Voltage
Underhood Fuse Block Battery Voltage
Power and Grounding Components
OXY SEN, CR CONT, MDL COIL, TRANS Fuses
Rear Fuse Block Battery Voltage
Power and Grounding Connector End Views Fuse Blocks and Ignition Switch
Rear Fuse Block Battery Voltage