GM Service Manual Online
For 1990-2009 cars only
Makes
🢒
Chevrolet
🢒
2000
🢒
Chevy C Pickup - 2WD
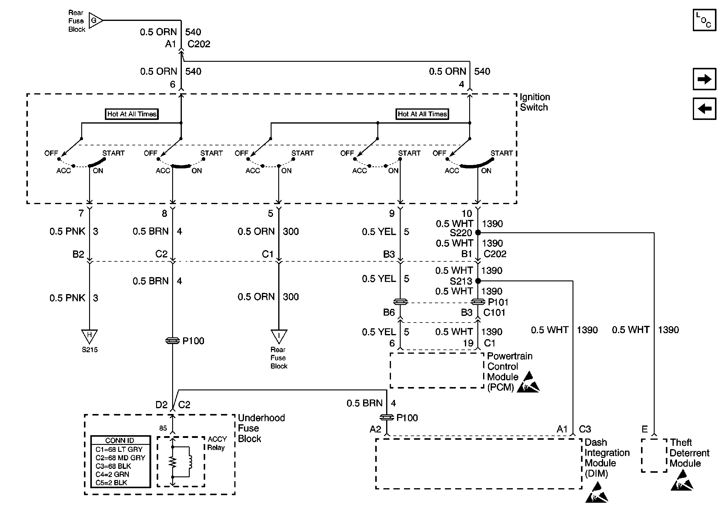
🢒 Ignition Switch
Ignition Switch
Ignition Switch
Power and Grounding Components
Ignition Feed to Underhood and Rear Fuse Blocks
RR BLO, RRDR MDL, HVAC BLO, STOP LP, IGN SW, and TSIG/HAZ Fuses
Ignition Feed to Underhood and Rear Fuse Blocks
Ignition Feed to Underhood and Rear Fuse Blocks
Power and Grounding Connector End Views Fuse Blocks and Ignition Switch
RR BLO, RRDR MDL, HVAC BLO, STOP LP, IGN SW, and TSIG/HAZ Fuses
Handling ESD Sensitive Parts Notice
Handling ESD Sensitive Parts Notice
Handling ESD Sensitive Parts Notice