GM Service Manual Online
For 1990-2009 cars only
Makes
🢒
Chevrolet
🢒
2000
🢒
Chevy C Pickup - 2WD
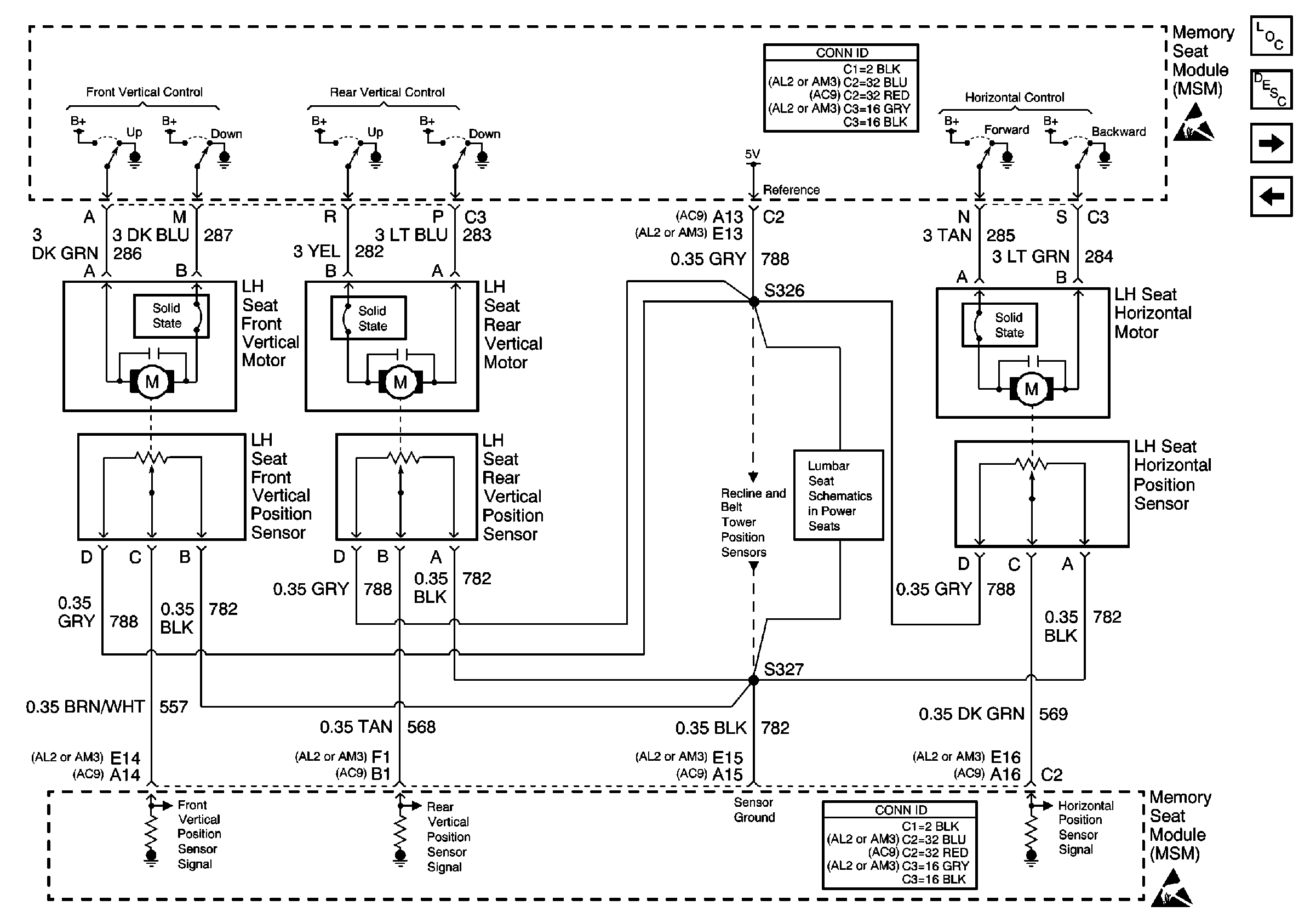
🢒 (A45 with AC9, AL2 or AM3) Front Vertical, Rear Vertical, Horizontal Motors and Position Sensors
(A45 with AC9, AL2 or AM3) Front Vertical, Rear Vertical, Horizontal Motors and Position Sensors
(A45 with AC9, AL2 or AM3) Front Vertical, Rear Vertical, Horizontal Motors and Position Sensors
Power Seat Systems Components
Memory Seat Circuit Description
(A45 with AC9, AL2 or AM3) Recline, Belt Tower Motors and Position SeNsors; Class 2
(A45 with AC9, AL2 or AM3) PWR, GND, LH Seat Switch and MSM
Handling ESD Sensitive Parts Notice
Handling ESD Sensitive Parts Notice