GM Service Manual Online
For 1990-2009 cars only
Makes
🢒
Chevrolet
🢒
2000
🢒
Chevy C Pickup - 2WD
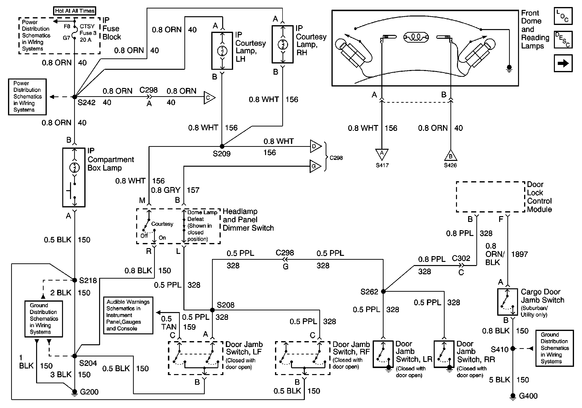
🢒 CTSY Fuse 3, Door Jamb Switches
CTSY Fuse 3, Door Jamb Switches
CTSY Fuse 3, Door Jamb Switches
Lighting Systems Components
Interior Lights Circuit Description Execpt Luxury
GAUGES Fuse 4, Interior Lamp Control Module
Power Distribution Schematics (MegaFuse and Aux Power Center (Z56) 2000 C/K
Rear Dome and Reading Lamps, Door Courtesy Lamps (Utility/Crew Cab w/ Auxiliary Lighting)
Rear Dome and Reading Lamps, Door Courtesy Lamps (Utility/Crew Cab w/ Auxiliary Lighting)
Rear Dome and Reading Lamps, Door Courtesy Lamps (Utility/Crew Cab w/ Auxiliary Lighting)
GAUGES Fuse 4, Interior Lamp Control Module
Rear Dome and Reading Lamps, Door Courtesy Lamps (Utility/Crew Cab w/ Auxiliary Lighting)
T CASE, and CTSY Fuses (1 of 2)
T CASE, and CTSY Fuses (1 of 2)
G200 (1 of 4)