GM Service Manual Online
For 1990-2009 cars only
Makes
🢒
Chevrolet
🢒
2000
🢒
Chevy C Pickup - 2WD
🢒 Console Dimming
Console Dimming
Console Dimming
Lighting Systems Components
Interior Lights Dimming Circuit Description
Front Door Dimming
Steering Wheel Controls
Instrument Panel Dimming
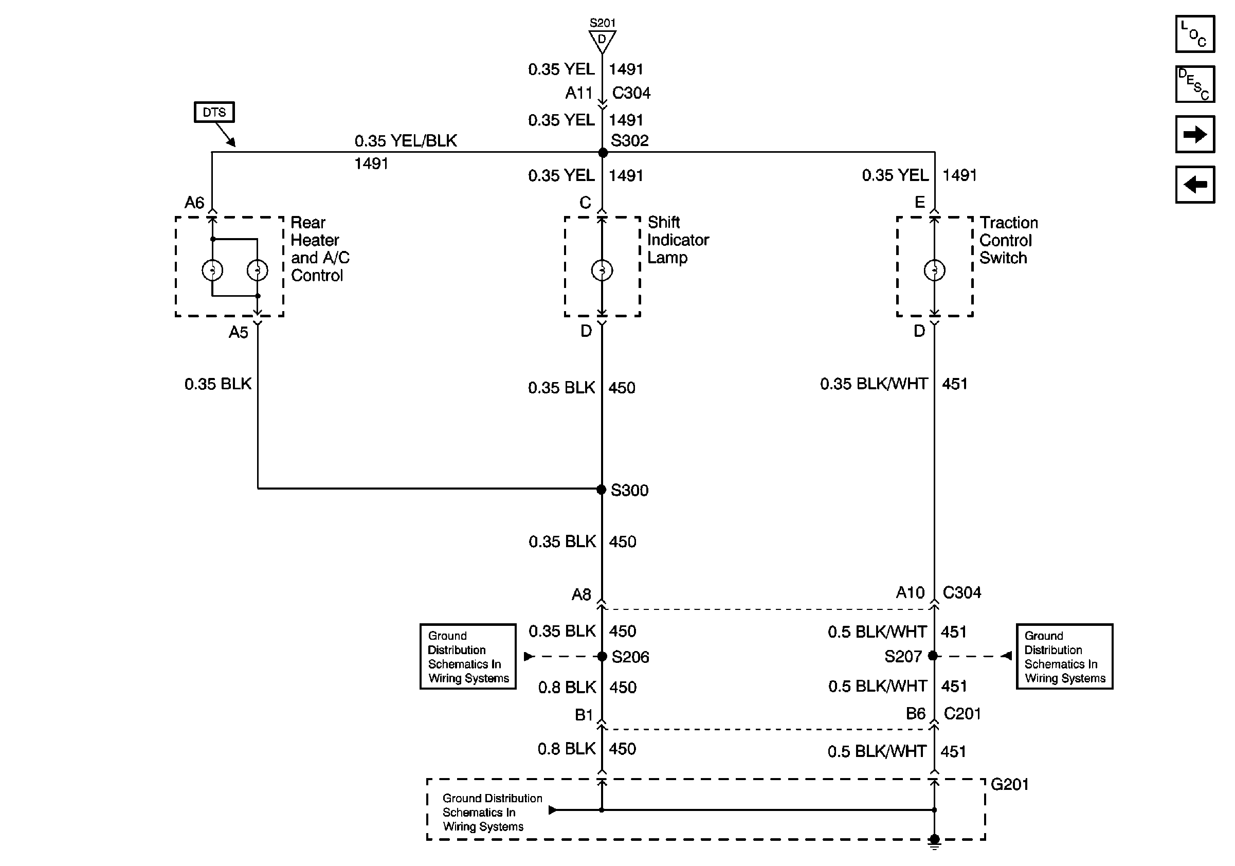
G201 - Console Harness
G201 - Console Harness
G201 - Console Harness