GM Service Manual Online
For 1990-2009 cars only
Makes
🢒
Chevrolet
🢒
2000
🢒
Chevy C Pickup - 2WD
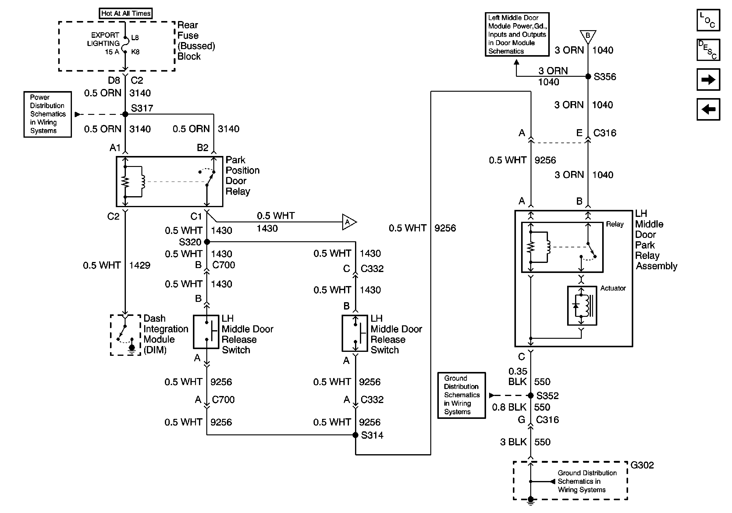
🢒 Power Door Locks ( Middle Door Release w/V4U)
Power Door Locks ( Middle Door Release w/V4U)
Power Door Locks ( Middle Door Release w/V4U)
Power Door Systems Components
Power Door Locks Circuit Description
Power Door Locks (Middle Door Release w/V4U)
Right Rear Door Power Door Lock (w/o B9Q)
Left Middle Door Module (LMDM) Power, Gd., Inputs and Outputs (w/ V4U)
Power Door Locks (Middle Door Release w/V4U)
AUDIO AMP and EXP LTG/LK Fuses
Power Door Locks (Middle Door Release w/V4U)
G302-V4U/B9Q
G302-V4U/B9Q