GM Service Manual Online
For 1990-2009 cars only

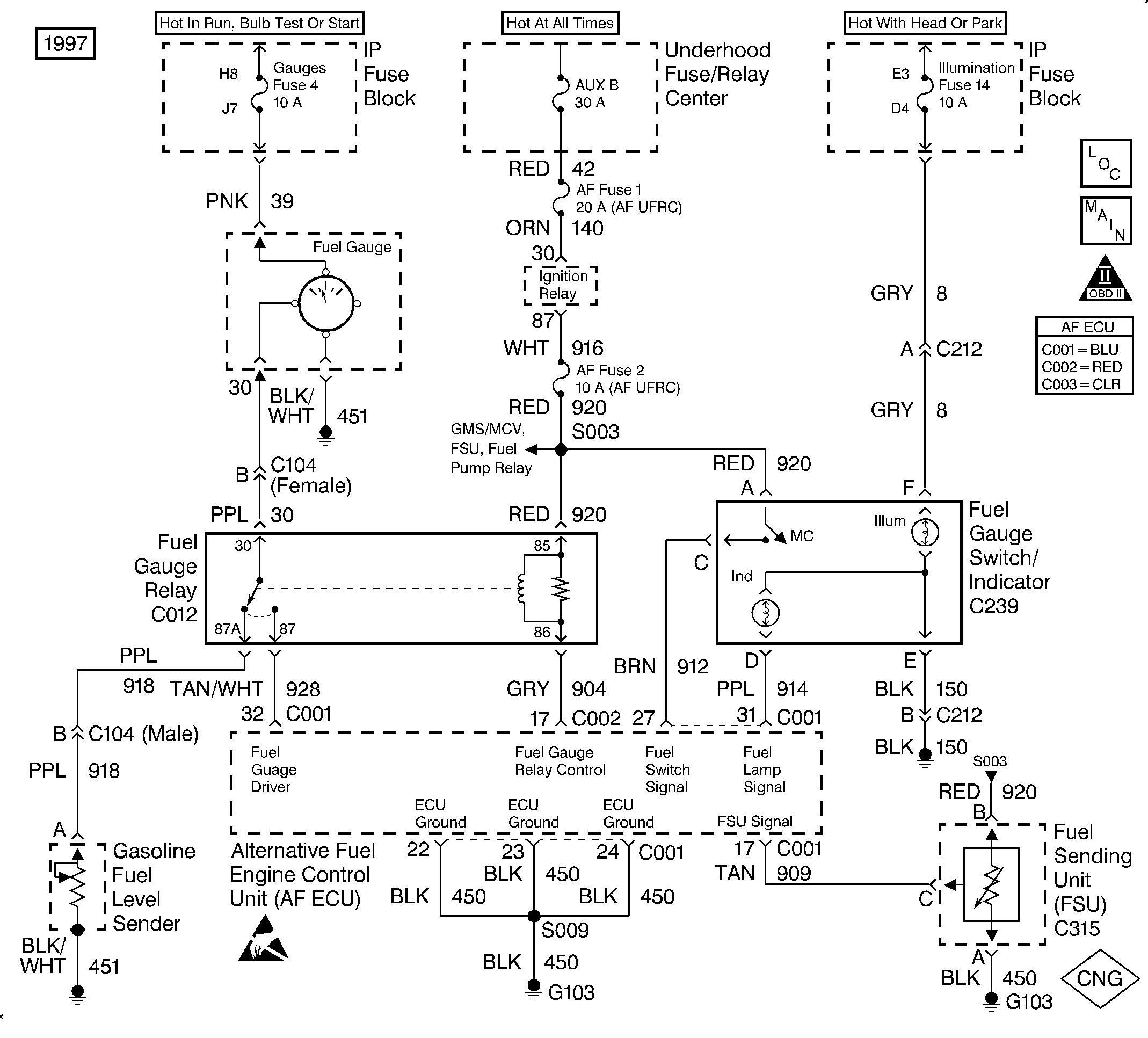
Object Number: 322565  Size: LF
Handling Electrostatic Discharge Sensitive Parts Notice
Engine Controls Components
OBDII Symbol Description Notice
Engine Controls Schematics (PWR, GND and DLC - 1997)

Diagnostic Aids

Important: The gauge will display the dormant fuel level for ten seconds when the fuel gauge selector switch is pressed. It will then return to normal operation.

Inspect for the following conditions:

    • Verify that the CNG fuel system is at least 1/3 full (1200 psi). Add fuel if needed.
    • Verify that the Fuel Sending Unit (FSU) is connected.
    • Verify that the manual lock down screw in the HPL is open.

Step

Action

Value(s)

Yes

No

1

  1. Turn ON the ignition.
  2. Observe the fuel indicator lamp in the fuel gauge selector switch.
  3. The lamp should illuminate for approximately two seconds and then turn off.

Does the lamp cycle on and off?

--

Go to Step 7

Go to Step 2

2

Does the fuel indicator lamp remain illuminated?

--

Go to Step 3

Go to Step 5

3

  1. Start the vehicle.
  2. Close the CNG manual shut-off valve (MSV).

Does the vehicle switch fuel operation, stall or does the MIL illuminate?

--

Go to Step 15

Go to Step 4

4

The vehicle should be operating in the gasoline mode. Open the MSV.

Is the action complete?

--

Go to Fuel System Unwanted Switch to Gasoline

--

5

  1. Turn OFF the ignition.
  2. Disconnect the fuel gauge selector switch connector C239.
  3. Connect a test light between CKT 914 (PPL) at terminal D and CKT 150 (BLK) at terminal E.
  4. Turn ON the ignition. The test light should illuminate for approximately two seconds and then turn off.

Does the test light illuminate?

--

Go to Step 17

Go to Step 6

6

  1. Turn OFF the ignition.
  2. Connect a test light to ground.
  3. Turn ON the ignition.
  4. Probe CKT 914 (PPL) at terminal D.

Does the test light illuminate?

--

Go to Step 9

Go to Step 13

7

  1. Turn OFF the ignition.
  2. Disconnect the fuel sending unit (FSU) connector C239.
  3. Turn ON the ignition.
  4. Observe the fuel gauge. Wait for the fuel gauge to exceed the FULL mark.
  5. Depress the fuel gauge selector switch. The gauge reading should begin to move toward a gasoline fuel level reading.

Does the fuel gauge reading change when the switch is depressed?

--

Go to Step 20

Go to Step 8

8

  1. Turn OFF the ignition.
  2. Disconnect the fuel gauge selector switch connector C239.
  3. Connect the test light to ground.
  4. Turn ON the ignition.
  5. Probe CKT 920 (RED) at terminal A.

Does the test light illuminate?

--

Go to Step 10

Go to Step 16

9

Repair the open in ground circuit 150 between C239 and G200. Refer to Repair Procedures in Electrical Diagnosis in the 1997 C/K Truck Service Manual.

Is the repair complete?

--

Go to Step 20

--

10

  1. Connect the fuel gauge selector switch connector C239.
  2. Turn ON the ignition.
  3. While depressing the switch, inspect for power at CKT 912 (BRN) at terminal C of C239 using a test light.

Does the test light illuminate?

--

Go to Step 11

Go to Step 17

11

  1. Disconnect ECU connector C001.
  2. Inspect for continuity of CKT 912 (BRN) at terminal C of C239 to C001 pin 27 using a DVOM.

Is there continuity?

--

Go to Step 12

Go to Step 18

12

  1. Disconnect ECU connector C001.
  2. Inspect for a faulty connection at ECU connector C001.

Was a problem found?

--

Go to Step 18

Go to Fuel Gauge Relay Diagnosis

13

  1. Disconnect ECU connector C001.
  2. Inspect for continuity at CKT 914 (PPL) at terminal D of C239 to C001 pin 31 using a DVOM.

Is there continuity?

--

Go to Step 14

Go to Step 18

14

  1. Inspect AF Fuse 2.
  2. Inspect for a faulty connection at ECU connector C001.

Was a problem found?

--

Go to Step 18

Go to Step 19

15

  1. Disconnect ECU connector C001.
  2. Using a DVOM, inspect CKT 914 (PPL) at terminal D of the fuel gauge selector switch for a short to voltage.

Was a problem found?

--

Go to Step 18

Go to Step 19

16

  1. Inspect AF Fuse 2.
  2. If the fuse is OK, repair the open in CKT 920. Refer to Repair Procedures in Electrical Diagnosis in the 1997 C/K Truck Service Manual.

Is the action complete?

--

Go to Step 20

--

17

Replace the fuel gauge selector switch. Refer to Fuel Gauge Selector Switch/Fuel Indicator Lamp Replacement .

Is the action complete?

--

Go to Step 20

--

18

Repair the circuit as necessary. Refer to Repair Procedures in Electrical Diagnosis in the 1997 C/K Truck Service Manual.

Is the action complete?

--

Go to Step 20

--

19

Replace the ECU. Refer to Engine Control Unit Replacement .

Is the action complete?

--

Go to Step 20

--

20

  1. Turn ON the ignition.
  2. Depress the fuel gauge selector switch three times within ten seconds.

Does the fuel indicator lamp flash?

--

System OK

Go to Step 1