GM Service Manual Online
For 1990-2009 cars only

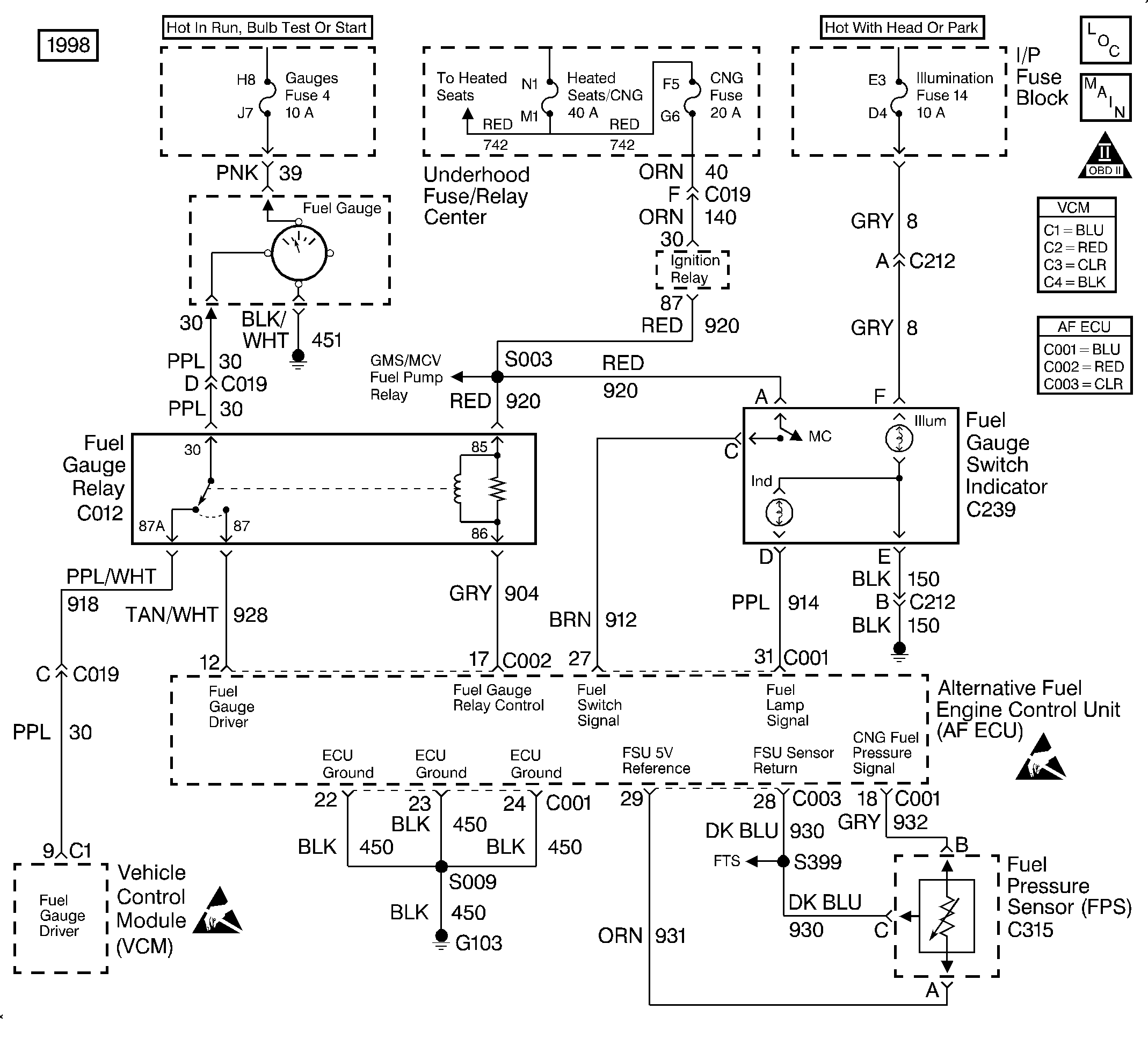
Fuel Gauge Relay Diagnosis 1998


Object Number: 322566  Size: LF
Handling Electrostatic Discharge Sensitive Parts Notice
Handling Electrostatic Discharge Sensitive Parts Notice
Engine Controls Connector End Views Engine Controls
OBDII Symbol Description Notice

Step

Action

Value(s)

Yes

No

1

Inspect the 20A CNG fuse.

Is the fuse blown?

--

Go to Step 12

Go to Step 2

2

  1. Disconnect the fuel pressure sensor (FPS) connector C315.
  2. Turn the ignition ON.
  3. Press the fuel gauge selector switch. Note that the fuel gauge should display the gasoline fuel level for 10 seconds and then return to the CNG fuel level which should read over full.

Does the fuel gauge reading change?

--

Go to Step 13

Go to Step 3

3

  1. Disconnect fuel gauge relay connector C012.
  2. Probe CKT 920 (RED) in terminal 85 of connector C012 using a test light.

Does the test light illuminate?

--

Go to Step 4

Go to Step 8

4

  1. Probe CKT 904 (GRY) in terminal 86 of connector C012 using a test light connected to battery positive.
  2. Press the fuel gauge selector switch. The test light should illuminate until the switch is pressed. The test light should turn off for 10 seconds after the fuel gauge is pressed.

Does the test light turn ON and then OFF?

--

Go to Step 9

Go to Step 5

5

  1. Disconnect ECU connector C001 (blue).
  2. Probe CKT 912 (BRN) in terminal 27 of connector C001 using a test light connected to ground.
  3. Press the fuel gauge selector switch.

Does the test light illuminate while the switch is pressed?

--

Go to Step 6

Go to Fuel Gauge Selector Switch/Fuel Indicator Lamp Diagnosis

6

  1. Disconnect ECU connector C002 (red).
  2. Inspect CKT 904 (GRY) in terminal 86 of connector C012 for continuity to connector C002 terminal 17 using a DVOM.

Is there continuity?

--

Go to Step 7

Go to Step 11

7

Inspect for a faulty connection at ECU connector C002.

Is a problem found?

--

Go to Step 11

Go to Step 10

8

Locate and repair the open in CKT 920.

Is the action complete?

--

Go to Step 13

--

9

Replace the fuel gauge relay.

Is the action complete?

--

Go to Step 13

--

10

Replace the ECU. Refer to Engine Control Unit Replacement .

Is the action complete?

--

Go to Step 13

--

11

Repair the circuit as necessary. Refer to Repair Procedures in Electrical Diagnosis in the 1998 C/K Truck Service Manual.

Is the action complete?

--

Go to Step 13

--

12

  1. Locate and repair the short to ground. Refer to Repair Procedures in Electrical Diagnosis in the 1998 C/K Truck Service Manual.
  2. Replace the fuse(s).

is the action complete?

--

Go to Step 13

--

13

  1. Turn the ignition ON.
  2. Press the fuel gauge selector switch. The fuel gauge should display the fuel level for 10 seconds and then return to normal operation when the switch is pressed.

Does the fuel gauge reading change?

--

Relay OK

Go to Step 1