GM Service Manual Online
For 1990-2009 cars only
Figure 1:

Power, Ground, MIL and DLC


Object Number: 423122  Size: FS
Engine Controls Components
Alternative Fuel Engine Control Unit
Ignition System
Engine Controls, VCM 3 of 3
OBD II Symbol Description Notice
Handling ESD Sensitive Parts Notice
Handling ESD Sensitive Parts Notice
Handling ESD Sensitive Parts Notice
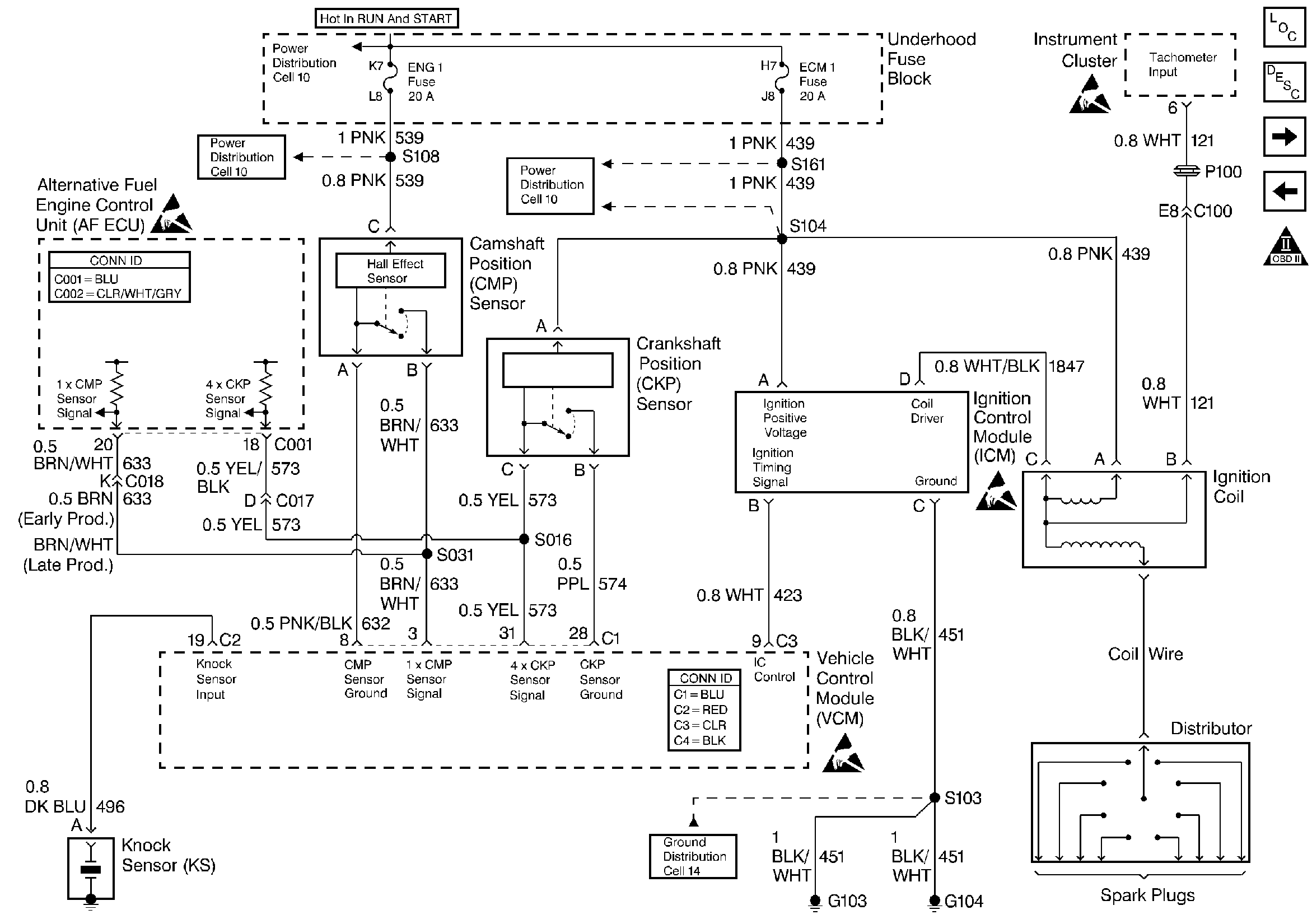
Figure 2:

Ignition System


Object Number: 423123  Size: FS
Engine Controls Components
Alternative Fuel Engine Control Unit
Fuel Controls, Fuel Pump
Power, Ground, MIL and DLC
OBD II Symbol Description Notice
Handling ESD Sensitive Parts Notice
Handling ESD Sensitive Parts Notice
Handling ESD Sensitive Parts Notice
Figure 3:

Fuel Controls, Fuel Pump


Object Number: 423124  Size: FS
Engine Controls Components
Alternative Fuel Engine Control Unit
Fuel Controls, Fuel Gauge
Ignition System
OBD II Symbol Description Notice
Handling ESD Sensitive Parts Notice
Handling ESD Sensitive Parts Notice
Fuel Controls, Lock-Off Solenoids
Figure 4:

Fuel Controls, Fuel Gauge


Object Number: 423125  Size: FS
Engine Controls Components
Alternative Fuel Engine Control Unit
Fuel Controls, Lock-Off Solenoids
Fuel Controls, Fuel Pump
OBD II Symbol Description Notice
Handling ESD Sensitive Parts Notice
Handling ESD Sensitive Parts Notice
Handling ESD Sensitive Parts Notice
Handling ESD Sensitive Parts Notice
Figure 5:

Fuel Controls, Lock-Off Solenoids


Object Number: 423127  Size: FS
Engine Controls Components
Alternative Fuel Engine Control Unit
Engine Data Sensors, FTP, MAP, EGR and IAT
Fuel Controls, Fuel Gauge
OBD II Symbol Description Notice
Handling ESD Sensitive Parts Notice
Fuel Controls, Fuel Pump
Figure 6:

Engine Data Sensors, FTP, MAP, EGR and IAT


Object Number: 423128  Size: FS
Engine Controls Components
Alternative Fuel Engine Control Unit
Engine Data Sensors, TP, ECT, FPS and FTS
Fuel Controls, Lock-Off Solenoids
OBD II Symbol Description Notice
Handling ESD Sensitive Parts Notice
Handling ESD Sensitive Parts Notice
Handling ESD Sensitive Parts Notice
Handling ESD Sensitive Parts Notice
Figure 7:

Engine Data Sensors, TP, ECT, FPS and FTS


Object Number: 423129  Size: FS
Engine Controls Components
Alternative Fuel Engine Control Unit
Engine Data Sensors, GMS/MCV
Engine Data Sensors, FTP, MAP, EGR and IAT
OBD II Symbol Description Notice
Handling ESD Sensitive Parts Notice
Handling ESD Sensitive Parts Notice
Handling ESD Sensitive Parts Notice
Handling ESD Sensitive Parts Notice
Figure 8:

Engine Data Sensors, GMS/MCV


Object Number: 423131  Size: FS
Engine Controls Components
Alternative Fuel Engine Control Unit
Engine Data Sensors, MAF and Vehicle Speed Output
Engine Data Sensors, TP, ECT, FPS and FTS
OBD II Symbol Description Notice
Handling ESD Sensitive Parts Notice
Figure 9:

Engine Data Sensors, MAF and Vehicle Speed Output


Object Number: 423132  Size: FS
Engine Controls Components
Alternative Fuel Engine Control Unit
Engine Data Sensors, HO2S
Engine Data Sensors, GMS/MCV
OBD II Symbol Description Notice
Handling ESD Sensitive Parts Notice
Handling ESD Sensitive Parts Notice
Handling ESD Sensitive Parts Notice
Figure 10:

Engine Data Sensors, HO2S


Object Number: 423133  Size: FS
Engine Controls Components
Alternative Fuel Engine Control Unit
Engine Controls, VCM 1 of 3
Engine Data Sensors, MAF and Vehicle Speed Output
OBD II Symbol Description Notice
Handling ESD Sensitive Parts Notice
Handling ESD Sensitive Parts Notice
Handling ESD Sensitive Parts Notice
Figure 11:

Engine Controls, VCM 1 of 3


Object Number: 423134  Size: FS
Engine Controls Components
Alternative Fuel Engine Control Unit
Engine Controls, VCM 2 of 3
Engine Data Sensors, HO2S
OBD II Symbol Description Notice
Handling ESD Sensitive Parts Notice
Figure 12:

Engine Controls, VCM 2 of 3


Object Number: 423135  Size: FS
Engine Controls Components
Alternative Fuel Engine Control Unit
Engine Controls, VCM 3 of 3
Engine Controls, VCM 1 of 3
OBD II Symbol Description Notice
Handling ESD Sensitive Parts Notice
Figure 13:

Engine Controls, VCM 3 of 3


Object Number: 423136  Size: FS
Engine Controls Components
Alternative Fuel Engine Control Unit
Power, Ground, MIL and DLC
Engine Controls, VCM 2 of 3
OBD II Symbol Description Notice
Handling ESD Sensitive Parts Notice