GM Service Manual Online
For 1990-2009 cars only

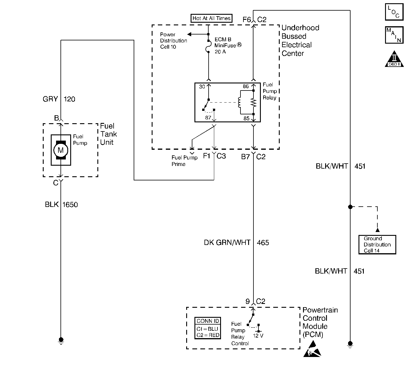
Object Number: 337316  Size: LF
Engine Controls Component Views
Cell 21: Fuel Pump Relay, Fuel Tank Pressure Sensor, G403, G103, S103
OBD II Symbol Description Notice
Handling ESD Sensitive Parts Notice

Circuit Description

When the ignition switch is ON, the PCM activates the in-tank fuel pump. The fuel pump remains ON as long as the PCM receives reference pulses from the ignition system. If there are no reference pulses, the PCM turns the fuel pump OFF after about 2-3 seconds. The pump delivers fuel to the fuel rail and injectors, then to the pressure regulator, where the system pressure remains at 379-427 kPa (55-62 psi) while the fuel pump is running. Excess fuel returns to the fuel tank. When the engine is stopped, a scan tool in the output controls function can turn ON the fuel pump.

Improper fuel system pressure results in one or many of the following symptoms:

    • Cranks but will not run
    • Cuts out, may feel like an ignition problem
    • Poor fuel economy
    • Loss of power
    • Hesitation
    • DTCs

Diagnostic Aids

A fuel pump prime terminal is available at the Underhood Bussed Electrical Center (UBEC). Refer to the UBEC cover for terminal location.

The following conditions may have caused the fuel pump fuse to open:

    • The fuse is faulty
    • There is an intermittent short in the fuel pump power feed circuit.
    • The fuel pump has an intermittent internal problem.

For an intermittent condition, refer to Symptoms .

Test Description

The numbers below refer to the step numbers on the diagnostic table.

  1. Refer to the thumbnail wiring schematic for the proper terminal identification.

  2. The test lamp only illuminates for two seconds even though the scan tool commanded position is ON. You will have to command the fuel pump OFF then ON to re-enable the PCM fuel pump control.

  3. The fuel pump harness connector can be accessed between the framerail and the fuel tank.

  4. Inspect the fuel pump fuse for an open. If the fuse is open, inspect the circuit for a short to ground. Refer to Wiring Repairs in Wiring Systems.

  5. Inspect the fuel pump fuse for an open. If the fuse is open, inspect the circuit for a short to ground. Refer to Wiring Repairs in Wiring Systems.

Step

Action

Value(s)

Yes

No

1

Did you perform the Powertrain On-Board Diagnostic (OBD) System Check?

--

Go to Step 2

Go to Powertrain On Board Diagnostic (OBD) System Check

2

Check the fuel pump fuse.

Is the fuse open?

--

Go to Step 9

Go to Step 3

3

  1. Install a scan tool.
  2. Disconnect the fuel pump relay from the underhood electrical center.
  3. Turn ON the ignition leaving the engine OFF.
  4. Probe the fuel pump battery feed circuit at the underhood electrical center with the test lamp J 35616-200 connected to ground. Refer to Probing Electrical Connectors in Wiring Systems.

Does the test lamp illuminate?

--

Go to Step 4

Go to Step 12

4

Probe the fuel pump relay ground circuit at the underhood electrical center with the test lamp J 35616-200 connected to B+. Refer to the thumbnail wiring schematic for the proper terminal identification.

Does the test lamp illuminate?

--

Go to Step 5

Go to Step 13

5

  1. Probe the fuel pump control circuit at the underhood electrical center with the test lamp J 35616-200 connected to ground. Refer to the thumbnail wiring schematic for the proper terminal identification.
  2. Enable the fuel pump using the scan tool.

Does the test lamp illuminate?

--

Go to Step 6

Go to Step 11

6

Important: Ignition must be ON before performing this step.

Jumper the fuel pump relay battery feed circuit to the fuel pump circuit (load) at the underhood electrical center using a fused jumper wire. Refer to Using Fused Jumper Wires in Wiring Systems.

Does the fuel pump operate?

--

Go to Step 18

Go to Step 7

7

  1. Leave the fused jumper wire connected.
  2. Disconnect the fuel pump harness connector at the fuel pump.
  3. Probe the power feed circuit in the fuel pump harness connector with the test lamp J 35616-200 connected to ground.

Does the test lamp illuminate?

--

Go to Step 8

Go to Step 14

8

  1. Leave the fused jumper wire connected.
  2. Connect the test lamp J 35616-200 between the battery feed circuit and the ground circuit in the fuel pump harness connector.

Does the test lamp illuminate?

--

Go to Step 25

Go to Step 15

9

  1. Turn OFF the ignition.
  2. Remove the fuel pump fuse.
  3. Disconnect the fuel pump harness connector at the fuel pump.
  4. Probe the load circuit for the fuel pump relay at the underhood electrical center with the test lamp J 35616-200 connected to B+.

Does the test lamp illuminate?

--

Go to Step 16

Go to Step 10

10

Probe the battery feed circuit for the fuel pump relay at the underhood electrical center with the test lamp J 35616-200 connected to B+.

Does the test lamp illuminate?

--

Go to Step 20

Go to Step 21

11

  1. Turn OFF the ignition.
  2. Disconnect the PCM connector C2. Refer to Powertrain Control Module Replacement/Programming .
  3. Measure the continuity of the fuel pump relay control circuit from the underhood electrical center to the PCM connector using the DMM J 39200 . Refer to Testing for Continuity in Wiring Systems.

Does the DMM display the specified value or lower?

5ohms

Go to Step 22

Go to Step 17

12

Repair the open or grounded battery feed circuit to the relay. Replace the fuel pump fuse if the fuse is open. Refer to Wiring Repairs in Wiring Systems.

Is the action complete?

--

Go to Step 26

--

13

Repair the open relay ground circuit. Refer to Wiring Repairs in Wiring Systems.

Is the action complete?

--

Go to Step 26

--

14

Repair the open circuit between the fuel pump relay and the fuel pump. Refer to Wiring Repairs in Wiring Systems.

Is the action complete?

--

Go to Step 26

--

15

Repair the open fuel pump ground circuit. Refer to Wiring Repairs in Wiring Systems.

Is the action complete?

--

Go to Step 26

--

16

Repair the short to ground in the fuel pump relay load circuit between the relay and the fuel pump. Refer to Wiring Repairs in Wiring Systems.

Is the action complete?

--

Go to Step 26

--

17

Repair the fuel pump relay control circuit. Refer to Wiring Repairs in Wiring Systems.

Is the action complete?

--

Go to Step 26

--

18

Inspect for poor connections at the relay (underhood electrical center). Refer to Intermittents and Poor Connections Diagnosis in Wiring Systems.

Did you find and correct the condition?

--

Go to Step 26

Go to Step 19

19

Replace the relay. Refer to Fuel Pump Relay Replacement .

Is the action complete?

--

Go to Step 26

--

20

Replace the underhood electrical center. Refer to Underhood Fuse Block Replacement in Wiring Systems.

Is the action complete?

--

Go to Step 26

--

21

  1. Turn OFF the ignition.
  2. Re-install the fuel pump relay.
  3. Install a new fuse.
  4. Connect the fuel pump harness to the fuel pump.
  5. Turn ON the ignition leaving the engine OFF.
  6. Command the fuel pump relay ON using a scan tool.

Is the Fuel Pump fuse open?

--

Go to Step 24

Go to Diagnostic Aids

22

Inspect for a poor connection at the PCM. Refer to Intermittents and Poor Connections Diagnosis in Wiring Systems.

Did you find and correct the condition?

--

Go to Step 26

Go to Step 23

23

Important:: Program the replacement PCM. Refer to Powertrain Control Module Replacement/Programming .

Replace the PCM.

Is the action complete?

--

Go to Step 26

--

24

  1. Inspect the fuel pump harness at the fuel tank for a short to ground.
  2. If you find a short, repair the circuit as necessary. Refer to Wiring Repairs in Wiring Systems.

Did you find and correct the condition?

--

Go to Step 26

Go to Step 25

25

Important: Inspect for poor electrical connections (within the fuel tank) at the fuel pump/sending unit harness connector before replacing the fuel pump. Refer to Intermittents and Poor Connections Diagnosis in Wiring Systems.

Replace the fuel pump. Refer to Fuel Tank Fuel Pump Module Replacement .

Is the action complete?

--

Go to Step 26

--

26

  1. Select the Diagnostic Trouble Code (DTC) option and the Clear DTC Information option using the scan tool.
  2. Attempt to start the engine.

Does the engine start and continue to operate?

--

Go to Step 27

Go to Step 2

27

  1. Idle the engine until the normal operating temperature is reached.
  2. Select the Diagnostic Trouble Code (DTC) option.

Are any DTCs displayed?

--

Go to the applicable DTC table

Go to Step 28

28

Select the Capture Info option and the Review Info option using the scan tool.

Does the scan tool display any DTCs that you have not diagnosed?

--

Go to the applicable DTC table

System OK