GM Service Manual Online
For 1990-2009 cars only

For ignition control circuit schematics, refer to

Cell 21: Ignition Controls - Odd


Object Number: 363096  Size: FS
Engine Controls Components
Powertrain Control Module Description
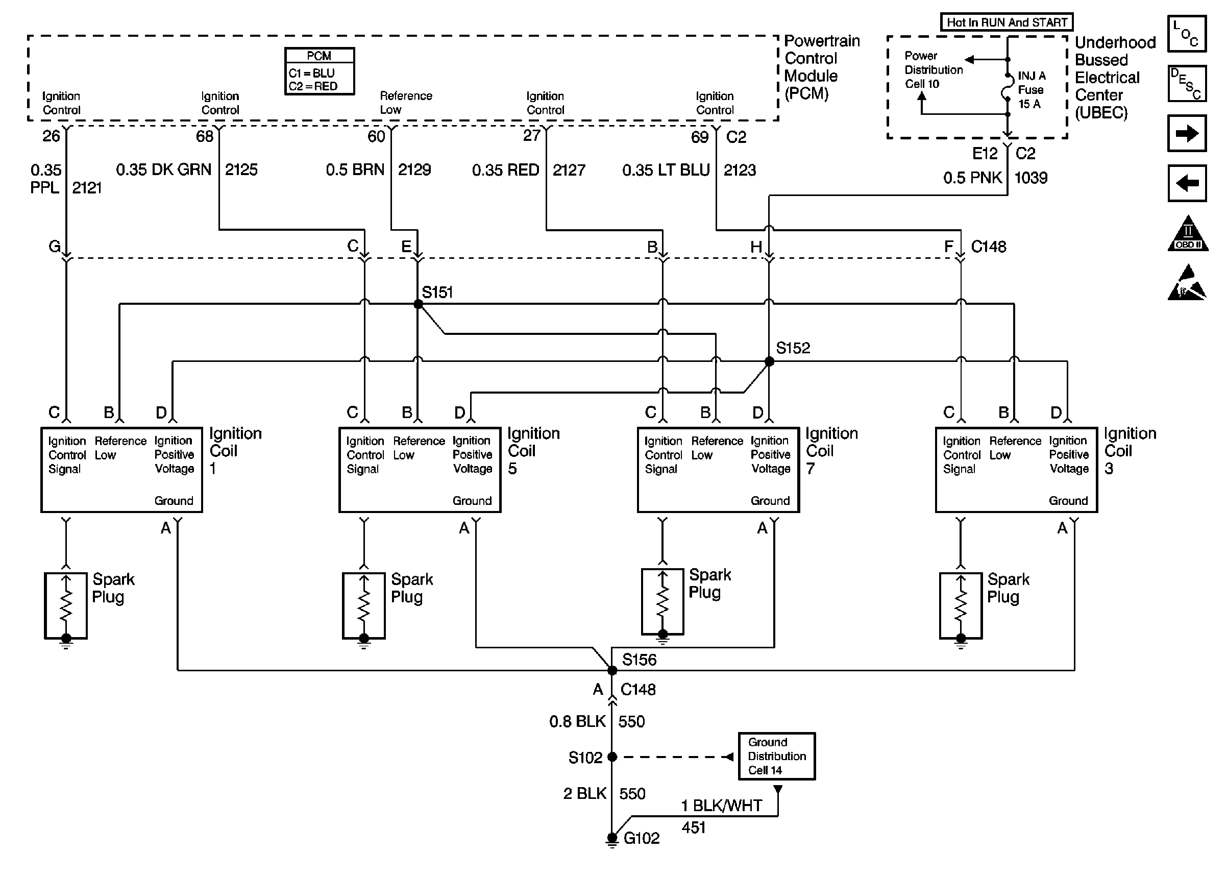
Cell 21: Ignition Controls - Even
Cell 21: Serial Data
OBD II Symbol Description Notice
Handling ESD Sensitive Parts Notice
Cell 10: Crankshaft Position Sensor, Fuel Injector 8
Ground Distribution Schematics
or

Cell 21: Ignition Controls - Even


Object Number: 363100  Size: FS
Engine Controls Components
Powertrain Control Module Description
Cell 21: CMP, CKP, KS
Cell 21: Ignition Controls - Odd
OBD II Symbol Description Notice
Handling ESD Sensitive Parts Notice
Cell 10: Crankshaft Position Sensor, Fuel Injector 8
Cell 14: Underhood Bussed Electrical Center, Windshield Wiper Motor
.

Circuit Description

A Crankshaft Position (CKP) sensor determines the engine crankshaft position. The sensor is mounted and protrudes into the right side of the engine block. The sensor is near a slotted wheel on the crankshaft. The rotation of the slotted wheel causes a magnetic flux change in the sensor. This produces a voltage signal from the electronic Ignition Control Module (ICM). The signal creates the reference pulses needed by the Powertrain Control Module (PCM). These signals trigger the correct ignition coil to fire, at the correct time.

The ignition system on this engine uses an individual ignition coil/module for each cylinder. The PCM controls the ignition system operation. There are eight Ignition Control (IC) circuits, one per cylinder, that connect the PCM and the ignition coil/modules. Each ignition coil/module has a power feed, a chassis ground circuit, and a reference low circuit. The PCM causes a spark to occur by grounding the IC circuit, which signals the ignition module to trigger the ignition coil and fire the spark plug. The PCM controls the sequencing and timing.

Diagnostic Aids

Important: Remove any debris from the PCM connector surfaces before servicing the PCM. Inspect the PCM connector gaskets when diagnosing/replacing the PCM. Ensure that the gaskets are installed correctly. The gaskets prevent water intrusion into the PCM.

The following may cause an intermittent:

    • Check for poor connections. Check for adequate terminal tension. Refer to Intermittents and Poor Connections Diagnosis in Wiring Systems.
    • Corrosion
    • Mis-routed harness
    • Rubbed through wire insulation
    • Broken wire inside the insulation

For an intermittent condition, refer to Symptoms .

Test Description

The numbers below refer to the step numbers on the diagnostic table.

  1. Monitoring the misfire current counters determines if a fault is present.

  2. A good indication that the fuse is open is all the misfire current counters are incrementing on one side of the engine. Inspect the ignition feed circuit for a grounded circuit.

  3. If the fuse is open and the ignition coil/module circuits are OK, inspect the injector circuits for being grounded. The INJ A fuse and INJ B fuse feed the ignition coil/module circuits and injector circuits.

Electronic Ignition System Check

Step

Action

Value(s)

Yes

No

1

Did you perform the Powertrain On-Board Diagnostic (OBD) System Check?

--

Go to Step 2

Go to Powertrain On Board Diagnostic (OBD) System Check

2

Are DTCs P0335, P0336, P0351-P0358 set?

--

Go to Applicable DTC Table

Go to Step 3

3

Important: 

   • This table assumes that there are no injector circuit malfunctions or mechanical malfunctions. If you were not sent here from DTC P0300, refer to DTC P0300 Engine Misfire Detected before proceeding with this table.
   • If more than one cylinder is mis-firing on one side of the engine, inspect the ignition coil/module ground circuit for an open.

  1. Install a scan tool.
  2. Idle the engine.
  3. Using a scan tool, monitor all the Misfire Cur. counters on the misfire data list. There are a total of 8 counters, one counter per cylinder.

Are any of the Misfire Cur. counters incrementing?

--

Go to Step 4

Go to Diagnostic Aids

4

Are the misfire current counters incrementing for most cylinders on one bank of the engine?

--

Go to Step 8

Go to Step 5

5

  1. Turn OFF the ignition.
  2. Disconnect the ignition coil/module electrical harness connector that corresponds to the Misfire Cur counter(s) that was incrementing.
  3. Turn On the ignition leaving the engine OFF.
  4. Probe the ignition feed circuit at the ignition coil/module electrical connector using the test lamp J 35616-200 connected to battery ground. Refer to Probing Electrical Connectors in Wiring Systems.

Does the test lamp illuminate?

--

Go to Step 6

Go to Step 10

6

Probe the ignition feed circuit at the ignition coil/module electrical connector to the ignition coil/module ground circuit using the test lamp J 35616-200 . Refer to Probing Electrical Connectors in Wiring Systems.

Does the test lamp illuminate?

--

Go to Step 7

Go to Step 13

7

Probe the ignition feed circuit at the ignition coil/module electrical connector to the ignition coil/module reference low circuit using the test lamp J 35616-200 . Refer to Probing Electrical Connectors in Wiring Systems.

Does the test lamp illuminate?

--

Go to Step 21

Go to Step 17

8

  1. Inspect for an open ignition coil/module fuse (INJ A or INJ B).
  2. Locate and repair the ignition feed circuit for a grounded circuit, if the fuse is open. Refer to Wiring Repairs in Wiring Systems.
  3. Replace the fuse. Refer to General Electrical Diagnosis in Wiring Systems.

Did you find and correct the condition?

--

System OK

Go to Step 9

9

Repair the open in the ignition feed circuit between the fuse block and the splice. Refer to Wiring Repairs in Wiring Systems.

Is the action complete?

--

System OK

--

10

  1. Disconnect the main ignition coil/module 8-way connector.
  2. Probe the ignition feed circuit at the ignition coil/module main 8-way connector using the test lamp J 35616-200 connected to battery ground. Refer to Probing Electrical Connectors in Wiring Systems.

Does the test lamp illuminate?

--

Go to Step 11

Go to Step 12

11

Repair the open circuit between the splice and the ignition coil/module connector. Refer to Wiring Repairs in Wiring Systems.

Is the action complete?

--

System OK

--

12

Repair the open ignition feed circuit between the fuse block (open fuse) and splice. Refer to Wiring Repairs in Wiring Systems.

Is the action complete?

--

System OK

--

13

  1. Disconnect the main ignition coil/module 8-way connector.
  2. Using the test lamp J 35616-200 probe the ignition feed circuit to the ignition coil/module ground circuit at the ignition coil/module main electrical 8-way connector. Refer to Probing Electrical Connectors in Wiring Systems.

Does the test lamp illuminate?

--

Go to Step 14

Go to Step 16

14

  1. Inspect for a poor connection at the main ignition coil/module 8-way electrical connector. Refer to Intermittents and Poor Connections Diagnosis in Wiring Systems.
  2. Repair poor connections as necessary. Refer to Connector Repairs in Wiring Systems.

Did you find and correct the condition?

--

System OK

Go to Step 15

15

Repair the open ground circuit between the main 8-way connector and the ignition coil/module connector. Refer to Wiring Repairs in Wiring Systems.

Is the action complete?

--

System OK

--

16

Repair the open ground circuit between the ground and the main 8-way connector. Refer to Wiring Repairs in Wiring Systems.

Is the action complete?

--

System OK

--

17

  1. Disconnect the main ignition coil/module 8-way connector.
  2. Using the test lamp J 35616-200 probe the ignition feed circuit at the ignition coil/module main electrical 8-way connector to the ignition coil/module reference low circuit. Refer to Probing Electrical Connectors in Wiring Systems.

Does the test lamp illuminate?

--

Go to Step 18

Go to Step 20

18

  1. Inspect for a poor connection at the main ignition coil/module electrical 8-way connector. Refer to Intermittents and Poor Connections Diagnosis in Wiring Systems.
  2. If a poor connection is found, repair as necessary. Refer to Connector Repairs in Wiring Systems.

Did you find and correct the condition?

--

System OK

Go to Step 19

19

Repair the open reference low circuit between the main 8-way connector and the ignition coil/module connector. Refer to Wiring Repairs in Wiring Systems.

Is the action complete?

--

System OK

--

20

Repair the open reference low circuit between the PCM and the splice. Refer to Wiring Repairs in Wiring Systems.

Is the action complete?

--

System OK

--

21

  1. Inspect for poor connections at the ignition coil/module harness connector. Refer to Intermittents and Poor Connections Diagnosis in Wiring Systems.
  2. Repair poor connections as necessary. Refer to Connector Repairs in Wiring Systems.

Did you find a condition and correct it?

--

System OK

Go to Step 22

22

Replace ignition coil/module. Refer to Ignition Coil Replacement in Engine Electrical.

Is the action complete?

--

System OK

--