GM Service Manual Online
For 1990-2009 cars only
Makes
🢒
Chevrolet
🢒
1999
🢒
Chevy C Silverado - 2WD
🢒
Transmission/Transaxle
🢒
Automatic Transmission - 4L80-E
🢒 Automatic Transmission Controls Schematics
Automatic Transmission Controls Schematics Gas
Figure
1:
Cell 39: Stoplamp Switch, TCC, Shift Solenoid, PCM
Automatic Transmission Components
Cell 21: Instrument Cluster, Automatic Transmission
OBD II Symbol Description Notice
Handling ESD Sensitive Parts Notice
Cell 10: Left Bussed Electrical Center, Electronic Brake Control Module
Cell 44: Left Bussed Electrical Center, Splice Pack SP205
Cell 21: Instrument Cluster, Automatic Transmission
Figure
2:
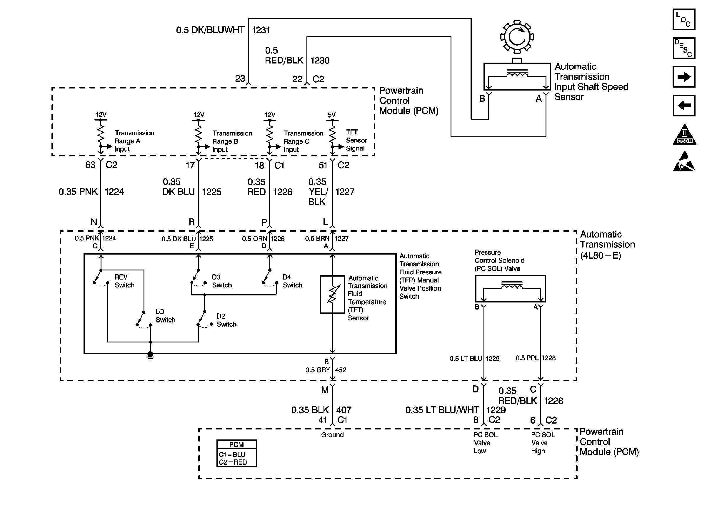
Cell 39: PC Solenoid Valve, A/T ISS Sensor, PCM
Automatic Transmission Components
Electronic Component Description
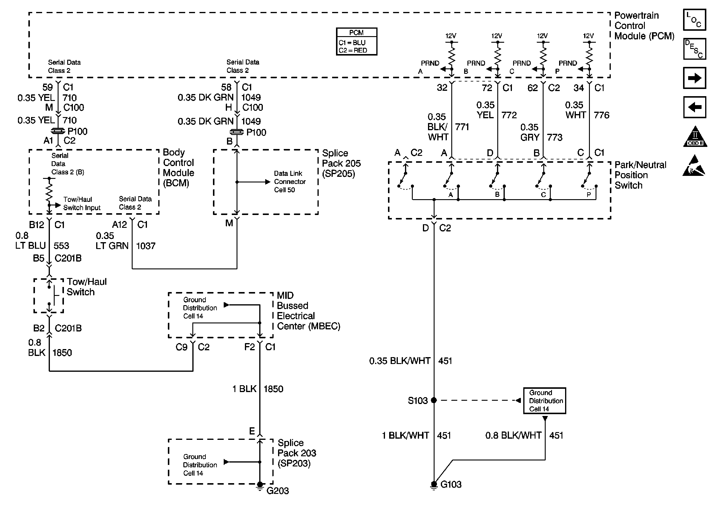
Cell 39: BCM, Tow/Haul Switch, Park/Neutral Position Switch
Cell 39: Stoplamp Switch, TCC, Shift Solenoid, PCM
OBD II Symbol Description Notice
Handling ESD Sensitive Parts Notice
Figure
3:
Cell 39: BCM, Tow/Haul Switch, Park/Neutral Sposition Switch
Automatic Transmission Components
Cell 39: Vehicle Speed Sensor (VSS) and VSS Circuit - V8 Gas
Cell 21: Instrument Cluster, Automatic Transmission
OBD II Symbol Description Notice
Handling ESD Sensitive Parts Notice
Cell 50
Cell 14: Horn Switch, C201C, C207C
Cell 14: Full Feature Seat Heated/Memory Seat Switch, Light Bar Switch
Cell 14: Vehicle Control Module, S103, G102
Figure
4:
Cell 39: Vehicle Speed Sensor (VSS) and VSS Circuit -- V8 Gas
Engine Controls Components
Cell 21: Exhaust Gas Recirculation Valve, Powertrain Control Module
OBD II Symbol Description Notice
Handling ESD Sensitive Parts Notice