GM Service Manual Online
For 1990-2009 cars only
Makes
🢒
Chevrolet
🢒
1999
🢒
Chevy C Silverado - 2WD
🢒
Body and Accessories
🢒
Lighting Systems
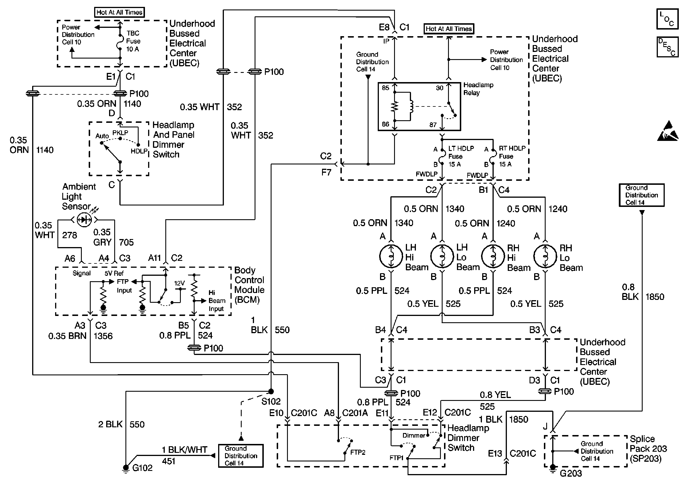
🢒 Headlights Schematics
Cell 100
Lighting Systems Components
Headlights Circuit Description
Handling ESD Sensitive Parts Notice
Cell 10: Underhood Bussed Electrical Center, Headlamp Dimmer Switch
Cell 14: Underhood Bussed Electrical Center, Windshield Wiper Motor
Cell 10: A/C Compressor Relay, Auxiliary Power Outlet
Cell 14: Full Feature Seat Heated/Memory Seat Switch, Light Bar Switch
Cell 14: Vehicle Control Module, S103, G102
Cell 14: Full Feature Seat Heated/Memory Seat Switch, Light Bar Switch