GM Service Manual Online
For 1990-2009 cars only
Figure 1:

Cell 10: Underhood Bussed Electrical Center, Bussed Fuses


Object Number: 370007  Size: FS
Power and Grounding Components
Cell 10: Underhood Bussed Electrical Center, Data Link Connector
Figure 2:

Cell 10: Underhood Bussed Electrical Center, Electronic Brake Control Module


Object Number: 293713  Size: FS
Power and Grounding Components
Cell 10: Underhood Bussed Electrical Center, Headlamp Dimmer Switch
Cell 10: Underhood Bussed Electrical Center, Data Link Connector
Handling ESD Sensitive Parts Notice
SIR Caution
Cell 10: Underhood Bussed Electrical Center, HVAC Blower Switch
Cell 10: Underhood Bussed Electrical Center, Bussed Fuses
Cell 10: A/C Compressor Relay, Auxiliary Power Outlet
Cell 10: Underhood Bussed Electrical Center, Automatic Transfer Case
Figure 3:

Cell 10: Underhood Bussed Electrical Center, HVAC Blower Switch


Object Number: 293754  Size: FS
Power and Grounding Components
Cell 10: A/C Compressor Relay, Auxiliary Power Outlet
Cell 10: Left Bussed Electrical Center, Electronic Brake Control Module
Handling ESD Sensitive Parts Notice
Cell 10: Underhood Bussed Electrical Center, Electronic Brake Control ModuLe
Cell 10: Underhood Bussed Electrical Center, Data Link Connector
Cell 10: Left Bussed Electrical Center, Electronic Brake Control Module
Cell 10: Underhood Bussed Electrical Center, Automatic Transfer Case
Figure 4:

Cell 10: Underhood Bussed Electrical Center, Data Link Connector


Object Number: 295485  Size: FS
Power and Grounding Components
Cell 10: Underhood Bussed Electrical Center, Electronic Brake Control ModuLe
Cell 10: Underhood Bussed Electrical Center, Bussed Fuses
Handling ESD Sensitive Parts Notice
Figure 5:

Cell 10: Underhood Bussed Electrical Center, Headlamp Dimmer Switch


Object Number: 293779  Size: FS
Power and Grounding Components
Cell 10: Right Bussed Electrical Center, Mode Door Motor
Cell 10: Underhood Bussed Electrical Center, Electronic Brake Control ModuLe
Handling ESD Sensitive Parts Notice
Cell 10: Underhood Bussed Electrical Center, Data Link Connector
Cell 10: Mid Bussed Electrical Center, LH Power Seat Switch
Cell 10: A/C Compressor Relay, Auxiliary Power Outlet
Figure 6:

Cell 10: A/C Compressor Relay, Auxiliary Power Outlet


Object Number: 293793  Size: FS
Power and Grounding Components
Cell 10: Underhood Bussed Electrical Center, Automatic Transfer Case
Cell 10: Underhood Bussed Electrical Center, HVAC Blower Switch
Handling ESD Sensitive Parts Notice
Cell 10: Underhood Bussed Electrical Center, Headlamp Dimmer Switch
Cell 10: Underhood Bussed Electrical Center, Automatic Transfer Case
Cell 10: Underhood Bussed Electrical Center, Electronic Brake Control ModuLe
Figure 7:

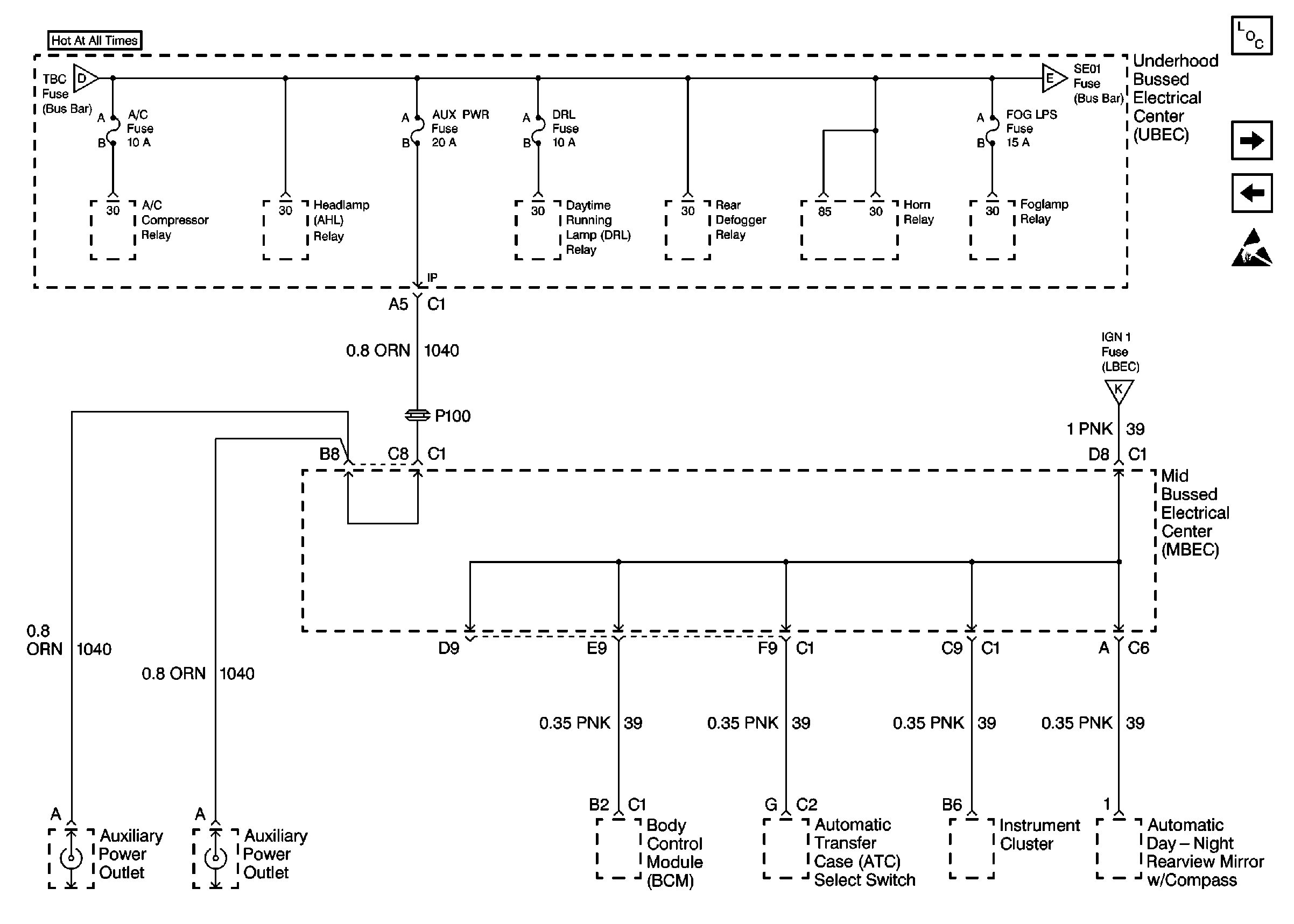
Cell 10: Underhood Bussed Electrical Center, Automatic Transfer Case


Object Number: 293802  Size: FS
Power and Grounding Components
Cell 10: Underhood Bussed Electrical Center, Vehicle Control Module
Cell 10: A/C Compressor Relay, Auxiliary Power Outlet
Handling ESD Sensitive Parts Notice
Cell 10: A/C Compressor Relay, Auxiliary Power Outlet
Cell 10: Underhood Bussed Electrical Center, Vehicle Control Module
Cell 10: Underhood Bussed Electrical Center, Electronic Brake Control ModuLe
Cell 10: Underhood Bussed Electrical Center, HVAC Blower Switch
Figure 8:

Cell 10: Left Bussed ELectrical Center, Electronic Brake Control Module


Object Number: 293767  Size: FS
Power and Grounding Components
Cell 10: Underhood Bussed Electrical Center, HVAC Blower Switch
Cell 10: Mid Bussed Electrical Center, LH Power Seat Switch
Handling ESD Sensitive Parts Notice
Cell 10: Underhood Bussed Electrical Center, HVAC Blower Switch
Cell 10: Right Bussed Electrical Center, Mode Door Motor
Figure 9:

Cell 10: Right Bussed Electrical Center, Mode Door Motor


Object Number: 293774  Size: FS
Power and Grounding Components
Cell 10: Mid Bussed Electrical Center, LH Power Seat Switch
Cell 10: Underhood Bussed Electrical Center, Headlamp Dimmer Switch
Cell 10: Left Bussed Electrical Center, Electronic Brake Control Module
Figure 10:

Cell 10: Mid Bussed Electrical Center, LH Power Seat Switch


Object Number: 293788  Size: FS
Power and Grounding Components
Cell 10: Left Bussed Electrical Center, Electronic Brake Control Module
Cell 10: Right Bussed Electrical Center, Mode Door Motor
Cell 10: Underhood Bussed Electrical Center, Headlamp Dimmer Switch
Figure 11:

Cell 10: Underhood Bussed Electrical Center, Vehicle Control Module


Object Number: 293811  Size: FS
Power and Grounding Components
Cell 10: Crankshaft Position Sensor, Fuel Injector 8
Cell 10: Underhood Bussed Electrical Center, Automatic Transfer Case
Handling ESD Sensitive Parts Notice
Cell 10: Underhood Bussed Electrical Center, Automatic Transfer Case
Cell 10: Underhood Bussed Electrical Center, Bussed Fuses
Cell 10: Crankshaft Position Sensor, Fuel Injector 8
Cell 10: Crankshaft Position Sensor, Fuel Injector 8
Cell 10: Crankshaft Position Sensor, Fuel Injector 8
Figure 12:

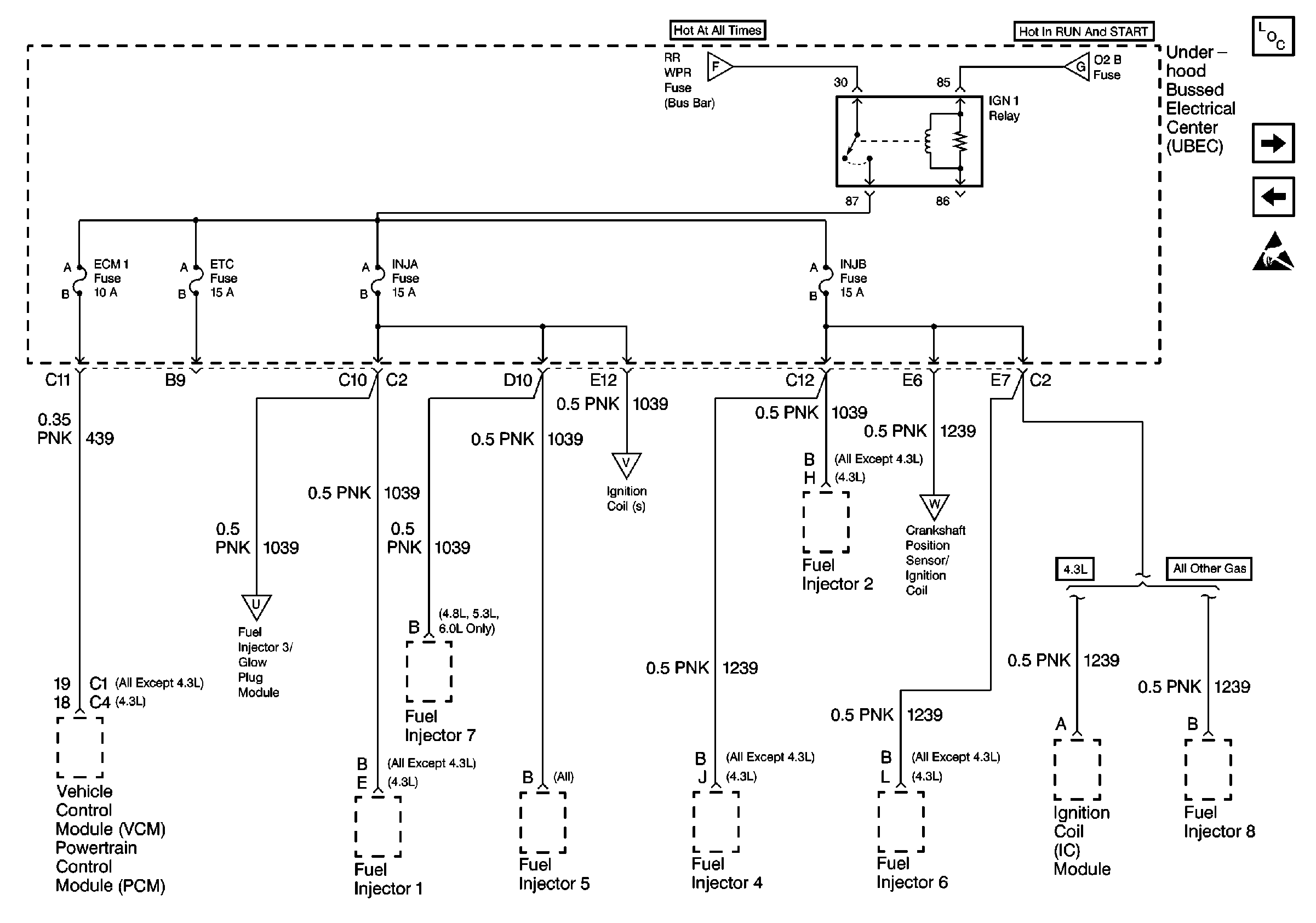
Cell 10: Crankshaft Position Sensor, Fuel Injector 8


Object Number: 293815  Size: FS
Power and Grounding Components
Cell 10: Underhood Bussed Electrical Center, Secondary Air Injection Pump Relay
Cell 10: Underhood Bussed Electrical Center, Vehicle Control Module
Handling ESD Sensitive Parts Notice
Cell 10: Underhood Bussed Electrical Center, Vehicle Control Module
Cell 10: Underhood Bussed Electrical Center, Vehicle Control Module
Cell 10: Underhood Bussed Electrical Center, Vehicle Control Module
Figure 13:

Cell 10: Underhood Bussed Electrical Center, Secondary Air Injection Pump Relay


Object Number: 293818  Size: FS
Engine Electrical Components
Cell 10: Crankshaft Position Sensor, Fuel Injector 8
Cell 10: Underhood Bussed Electrical Center, Vehicle Control Module
Cell 10: Underhood Bussed Electrical Center, Electronic Brake Control ModuLe
Figure 14:

Cell 10: Underhood Bussed Electrical Center, Data Link Connector


Object Number: 295485  Size: FS
Power and Grounding Components
Cell 10: Underhood Bussed Electrical Center, Electronic Brake Control ModuLe
Cell 10: Underhood Bussed Electrical Center, Bussed Fuses
Handling ESD Sensitive Parts Notice