GM Service Manual Online
For 1990-2009 cars only
Makes
🢒
Chevrolet
🢒
1999
🢒
Chevy C Silverado - 2WD
🢒
Body and Accessories
🢒
Retained Accessory Power
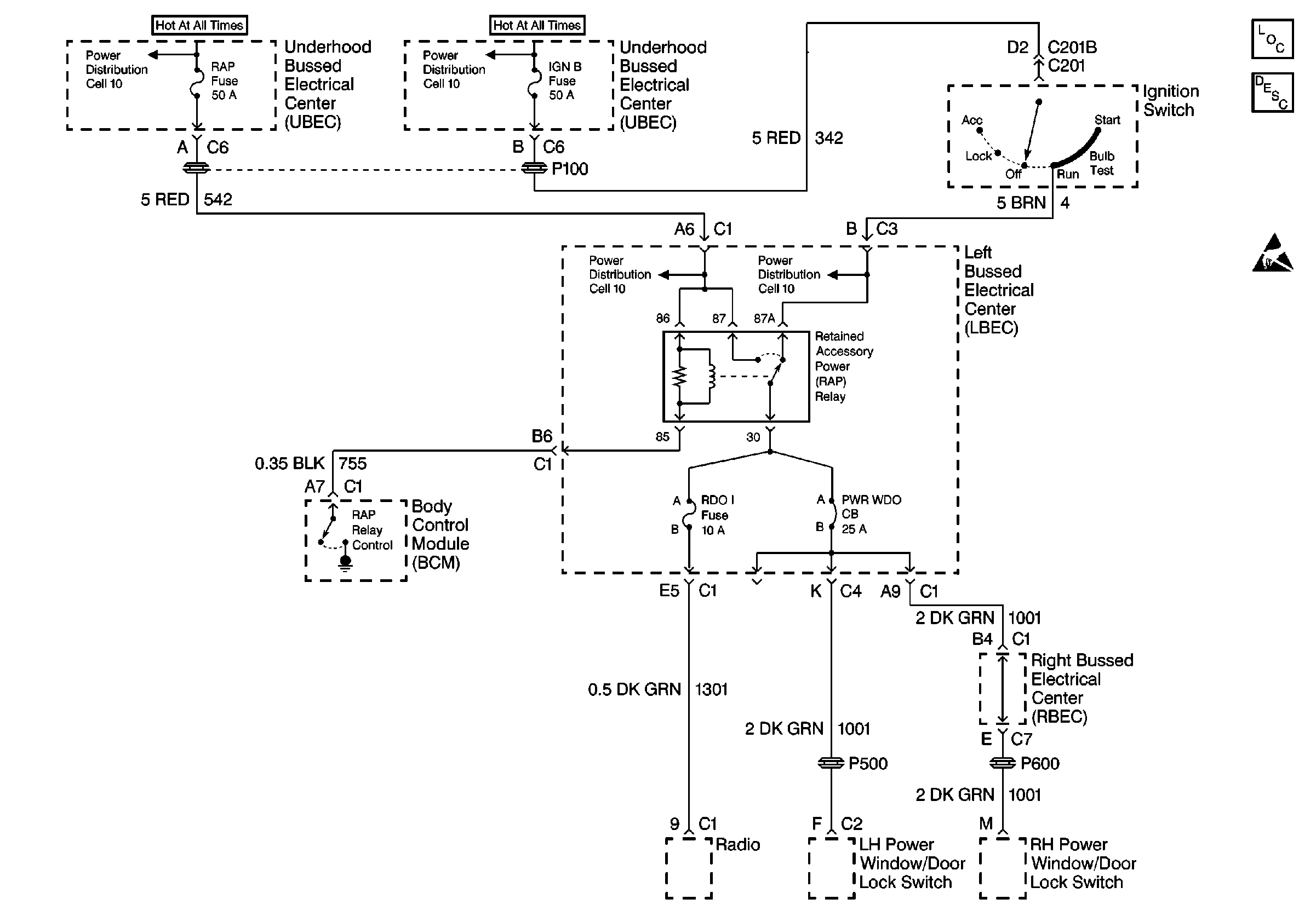
🢒 Retained Accessory Power (RAP) Schematics
Cell 15
Retained Accessory Power (RAP) Components
Retained Accessory Power (RAP) Circuit Description
Handling ESD Sensitive Parts Notice
Cell 10: Underhood Bussed Electrical Center, Headlamp Dimmer Switch
Cell 10: Underhood Bussed Electrical Center, HVAC Blower Switch
Cell 10: Underhood Bussed Electrical Center, HVAC Blower Switch
Cell 10: Underhood Bussed Electrical Center, Headlamp Dimmer Switch