GM Service Manual Online
For 1990-2009 cars only
Makes
🢒
Chevrolet
🢒
1999
🢒
Chevy C Silverado - 2WD
🢒
Body and Accessories
🢒
Stationary Windows
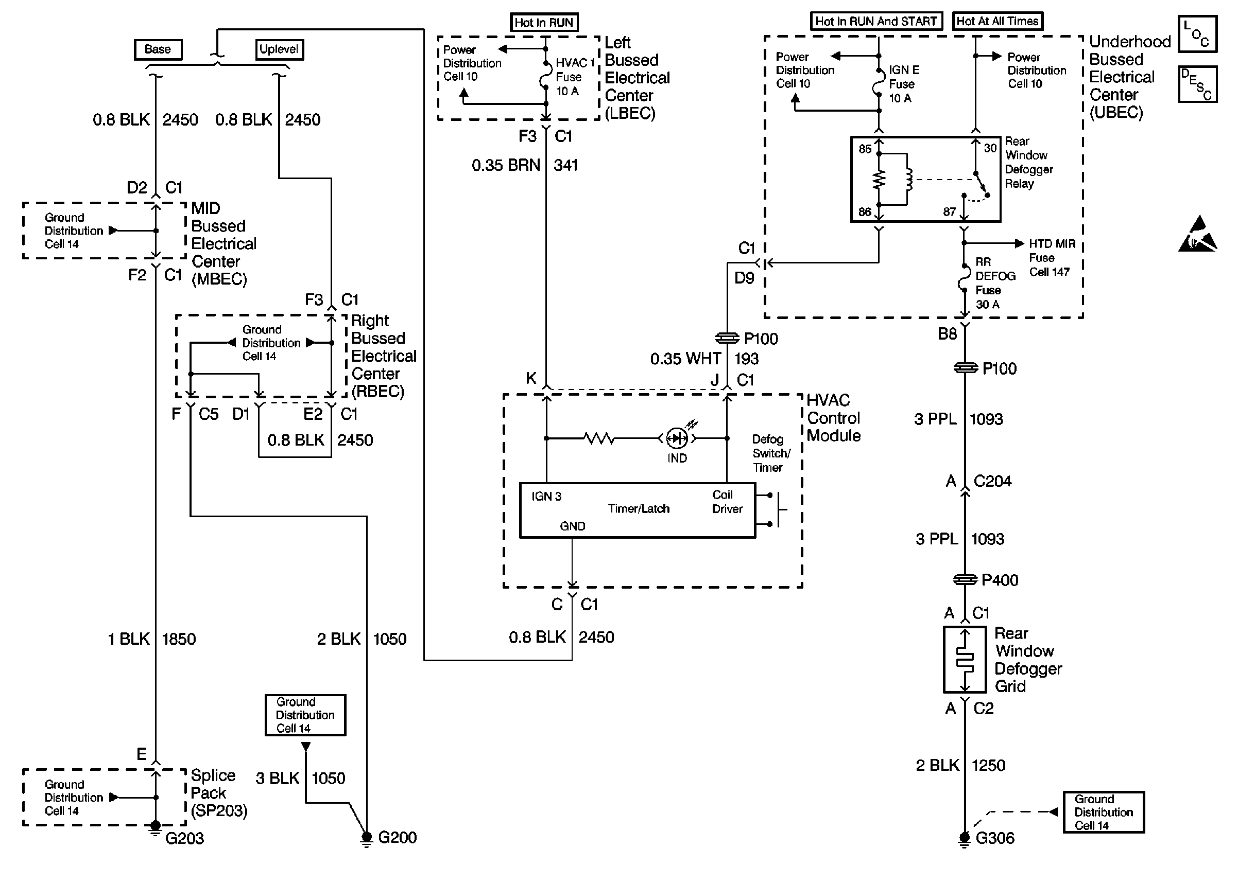
🢒 Defogger Schematics
Cell 61
Stationary Windows Components Defogger
Rear Window Defogger Circuit Description
Handling ESD Sensitive Parts Notice
Cell 14: Horn Switch, C201C, C207C
Cell 10: Left Bussed Electrical Center, Electronic Brake Control Module
Cell 10: Underhood Bussed Electrical Center, Secondary Air Injection Pump Relay
Cell 10: A/C Compressor Relay, Auxiliary Power Outlet
Cell 147: Power Mirror Switch, LH, RH Outside Power Mirror, G203
Cell 14: Temperature Door Motor, Passenger Heated Seat Switch, Roof Marker Lamps
Cell 14: Full Feature Seat Heated/Memory Seat Switch, Light Bar Switch
Cell 14: Temperature Door Motor, Passenger Heated Seat Switch, Roof Marker Lamps
Cell 14: Passenger Seat Bolster Switch, Passenger Power Seat Switch