GM Service Manual Online
For 1990-2009 cars only
Figure 1:

Module Power and Memory Seat Controls


Object Number: 1471366  Size: FS
Power Seat Systems Components
Memory Seat Circuit Description
Seat Switch Inputs
Cell 10: Underhood Bussed Electrical Center, Headlamp Dimmer Switch
Cell 10: Left Bussed Electrical Center, Electronic Brake Control Module
Cell 10: Underhood Bussed Electrical Center, Headlamp Dimmer Switch
Cell 147: Power Mirror Switch, LH, RH Outside Power Mirror, G203
Cell 10: Left Bussed Electrical Center, Electronic Brake Control Module
Cell 130: Right Bussed Electrical Center, LH Power Door Lock Actuator(Up Level)
Cell 138
Cell 10: Mid Bussed Electrical Center, LH Power Seat Switch
Cell 142
Figure 2:

Seat Switch Inputs


Object Number: 1449164  Size: FS
Power Seat Systems Components
Memory Seat Circuit Description
Module Ground, Seat Recliner, and Front Vertical Motors and Position Sensors
Module Power and Memory Seat Controls
Module Ground, Seat Recliner, and Front Vertical Motors and Position Sensors
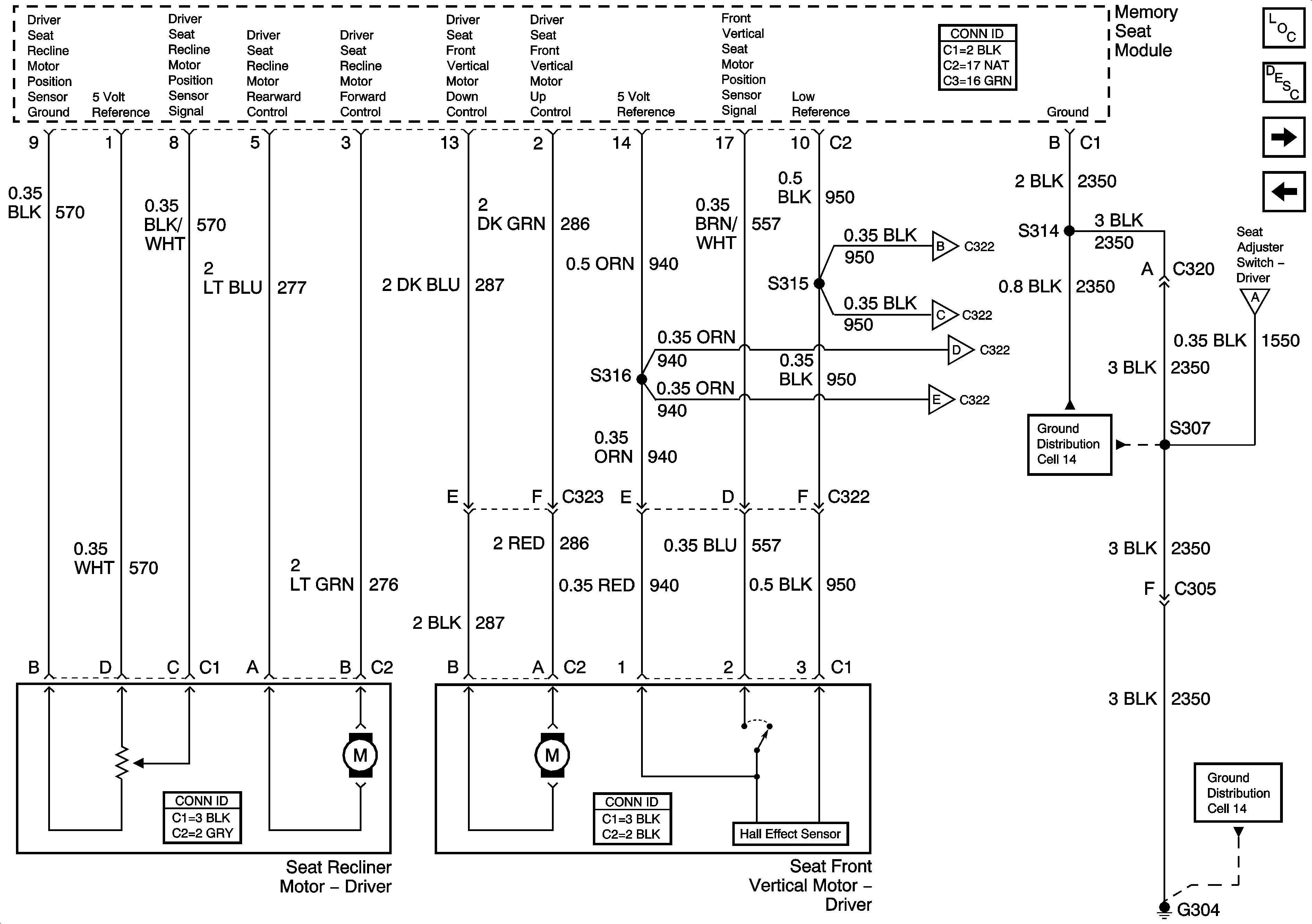
Figure 3:

Module Ground, Seat Recliner, and Front Vertical Motors and Position Sensors


Object Number: 1471369  Size: FS
Power Seat Systems Components
Memory Seat Circuit Description
Seat Rear Vertical and Horizontal Motors and Position Sensors
Seat Switch Inputs
Seat Rear Vertical and Horizontal Motors and Position Sensors
Seat Switch Inputs
Cell 14: Passenger Seat Bolster Switch, Passenger Power Seat Switch
Cell 14: Passenger Seat Bolster Switch, Passenger Power Seat Switch
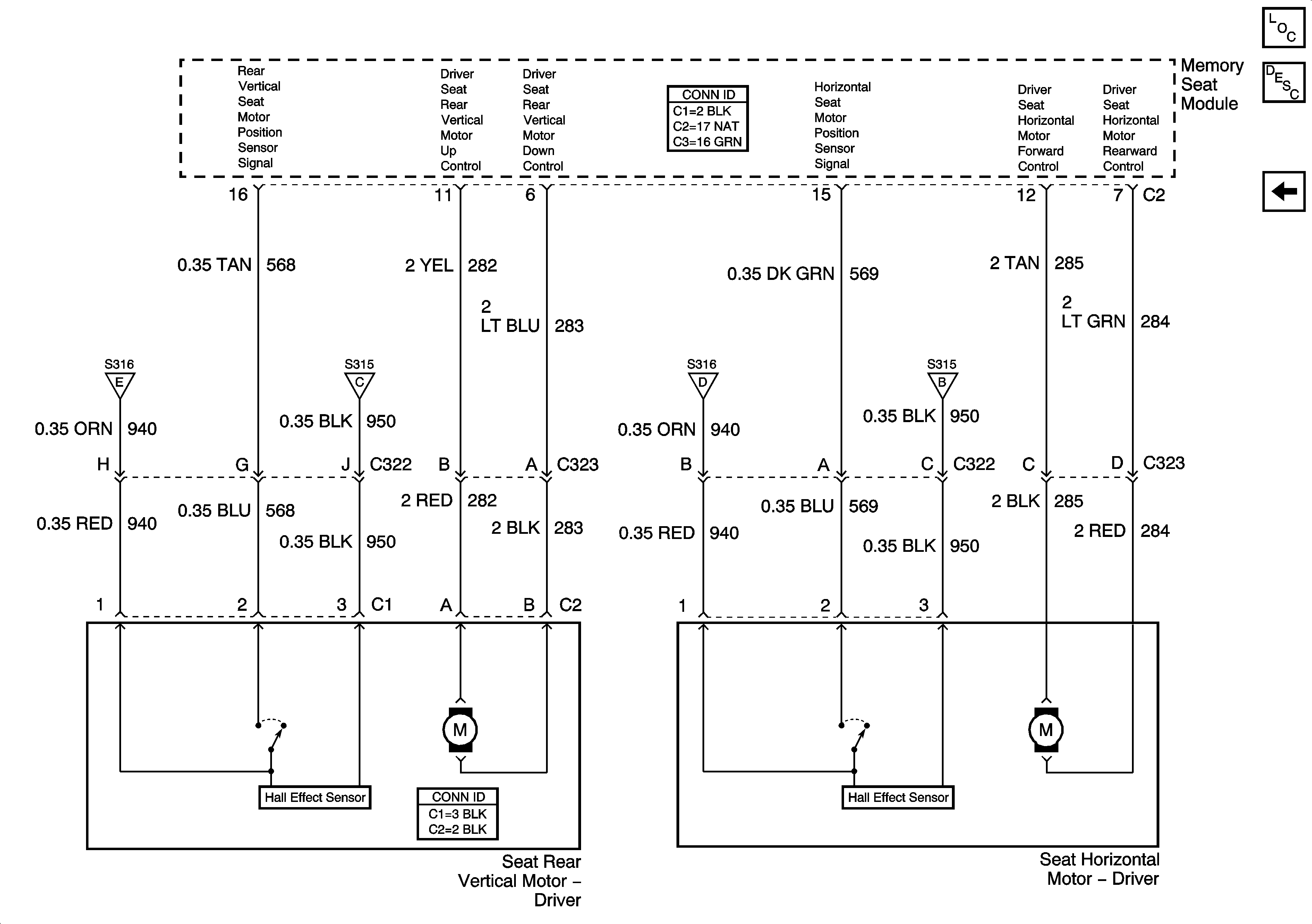
Figure 4:

Seat Rear Vertical and Horizontal Motors and Position Sensors


Object Number: 1449166  Size: FS
Power Seat Systems Components
Memory Seat Circuit Description
Module Ground, Seat Recliner, and Front Vertical Motors and Position Sensors
Module Ground, Seat Recliner, and Front Vertical Motors and Position Sensors
Module Ground, Seat Recliner, and Front Vertical Motors and Position Sensors
Module Ground, Seat Recliner, and Front Vertical Motors and Position Sensors
Module Ground, Seat Recliner, and Front Vertical Motors and Position Sensors