GM Service Manual Online
For 1990-2009 cars only
Figure 1:

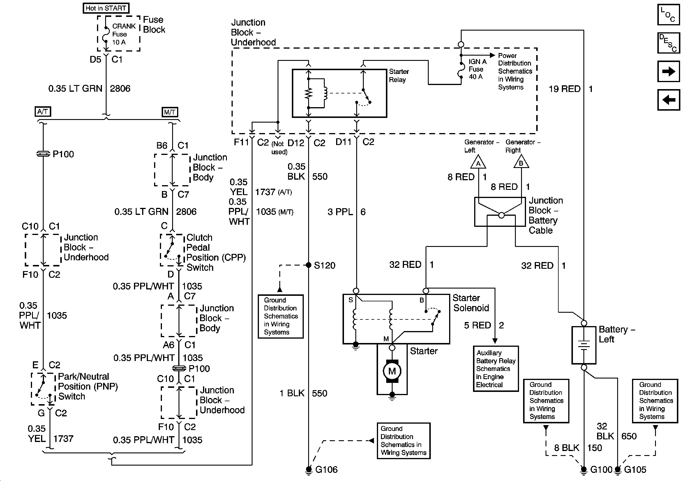
Starting - Except Diesel Dual Generator


Object Number: 661101  Size: FS
Master Electrical Component List
Charging System Description and Operation
Charging - Except Diesel Dual Generator
B+ Bus Bar
Charging - Except Diesel Dual Generator
G104 - Gas
G103 and G105 - Gas
Auxiliary Battery Schematics
G100 and G110
G103 and G105 - Gas
Figure 2:

Charging - Except Diesel Dual Generator


Object Number: 661107  Size: FS
Master Electrical Component List
Charging System Description and Operation
Starting - Diesel Dual Generator
Starting - Except Diesel Dual Generator
B+ Bus Bar
SP205
G100 and G110
G103 and G105 - Gas
Starting - Except Diesel Dual Generator
Figure 3:

Starting - Diesel Dual Generator


Object Number: 738487  Size: FS
Master Electrical Component List
Charging System Description and Operation
Charging - Diesel Dual Generator
Charging - Except Diesel Dual Generator
B+ Bus Bar
Charging - Diesel Dual Generator
G106 - Diesel
G106 - Diesel
Auxiliary Battery Schematics
G100 and G110
G105 - Diesel
Figure 4:

Charging - Diesel Dual Generator


Object Number: 738493  Size: FS
Master Electrical Component List
Charging System Description and Operation
Starting - Diesel Dual Generator
IGNITION, RUN, and START Bus Bar
SP205
IGN 1, AIR BAG, and SEO IGN Fuses
Power and Ground
G105 - Diesel
G105 - Diesel
G105 - Diesel
Starting - Diesel Dual Generator
Starting - Diesel Dual Generator