GM Service Manual Online
For 1990-2009 cars only
Makes
🢒
Chevrolet
🢒
2001
🢒
Chevy C Silverado - 2WD
🢒
Restraints
🢒
SIR
🢒 SIR Schematics
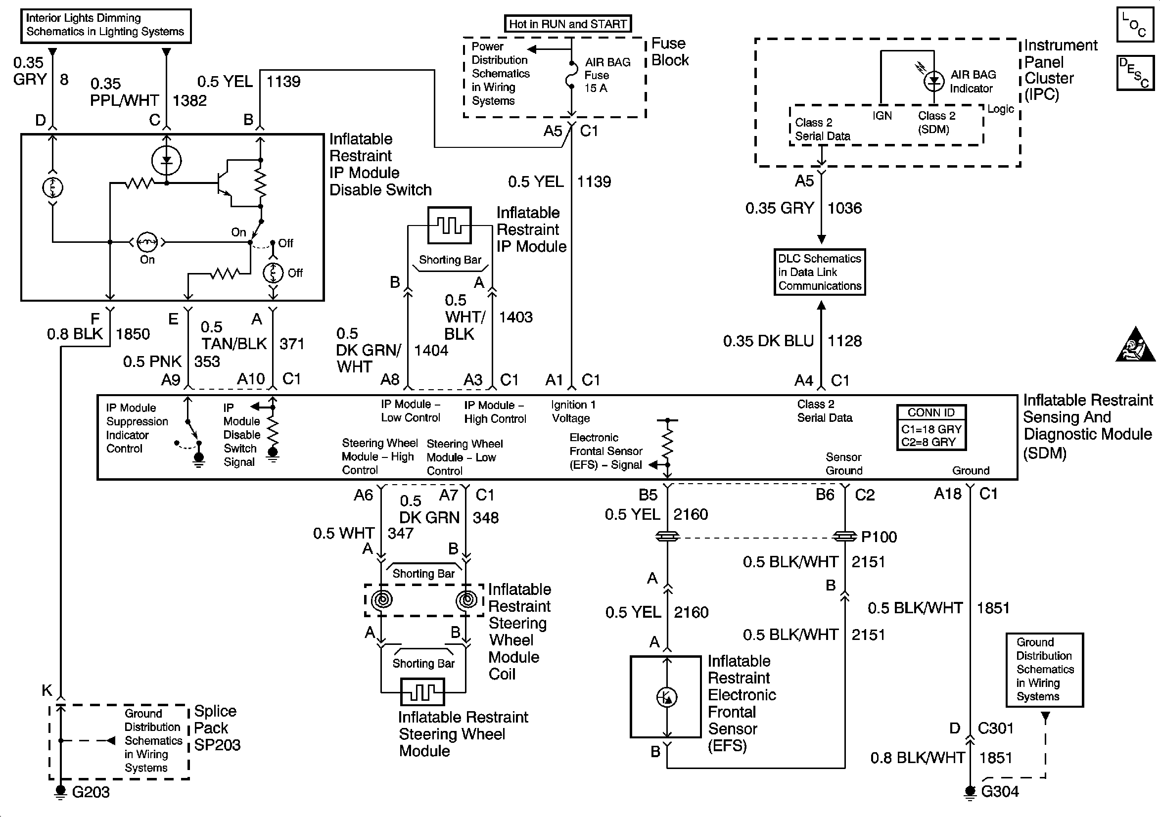
SIR Schematics Except 30 Series Pickup
Master Electrical Component List
SIR System Description and Operation
SIR Handling Caution
Transfer Case Shift Control, Roof Beacon, and Inflatable Restraint IP Module Disable Switches, HVAC Control Module, IPC, and Radio
IGNITION, RUN, and START Bus Bar
IGN 1, AIR BAG, and SEO IGN Fuses
SP205
Indicators and Serial Data
G203 - 1 of 4
G304
SIR Schematics Utility
Figure
1:
DLC, Fuse Block, Inflatable Restraint Sensing and Diagnostic Module
Master Electrical Component List
SIR System Description and Operation
Side Impact Sensors, Diagnostic Module
SIR Handling Caution
IGNITION, RUN, and START Bus Bar
Indicators and Serial Data
IGNITION, RUN, and START Bus Bar
SP205
IGN 1, AIR BAG, and SEO IGN Fuses
G304
Figure
2:
Side Impact Sensors, Diagnostic Module
Master Electrical Component List
SIR System Description and Operation
DLC, Fuse Block, Inflatable Restraint Sensing and Diagnostic Module
SIR Handling Caution
SIR Schematics 30 Series Pickup
Master Electrical Component List
SIR System Description and Operation
SIR Handling Caution
Transfer Case Shift Control, Roof Beacon, and Inflatable Restraint IP Module Disable Switches, HVAC Control Module, IPC, and Radio
IGNITION, RUN, and START Bus Bar
IGN 1, AIR BAG, and SEO IGN Fuses
SP205
Indicators and Serial Data
G203 - 1 of 4
G304