GM Service Manual Online
For 1990-2009 cars only
Makes
🢒
Chevrolet
🢒
2001
🢒
Chevy C Silverado - 2WD
🢒
Body and Accessories
🢒
Lighting Systems
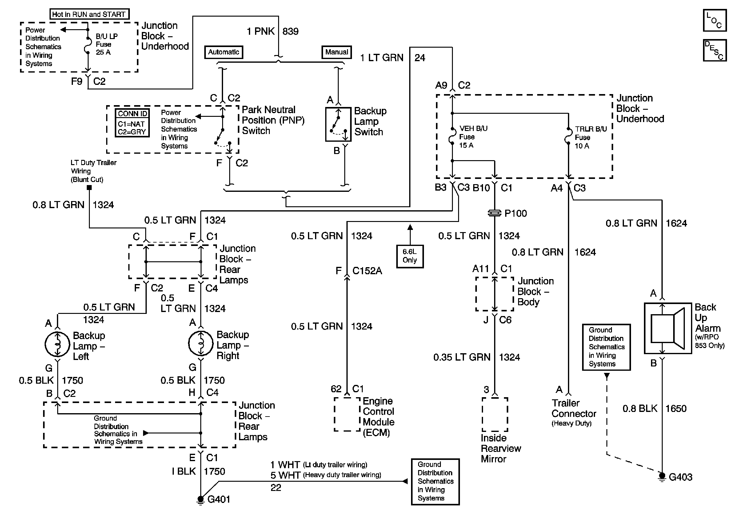
🢒 Backup Lamp Schematics
Backup Lamp Schematics Pickup
Master Electrical Component List
Exterior Lighting Systems Description and Operation
IGNITION, RUN, and START Bus Bar
B/U LP, BTSI, VEH B/U, and TRL B/U Fuses
G403
G401 - w/Rear Bussing Block
G401 - w/Rear Bussing Block
Backup Lamp Schematics Utilities
Master Electrical Component List
Exterior Lighting Systems Description and Operation
IGNITION, RUN, and START Bus Bar
B/U LP, BTSI, VEH B/U, and TRL B/U Fuses
G401 - w/o Rear Bussing Block