GM Service Manual Online
For 1990-2009 cars only

Power Window Schematics 2-Door

Figure 1:

RAP Relay, BCM, Ignition Switch


Object Number: 691793  Size: FS
Master Electrical Component List
Power Windows Description and Operation
Window/Door Lock Switch, Window Relays, G200
B+ Bus Bar
IGNITION, RUN, ACCESSORY, and RAP Bus Bars, RAP #1 and RAP #2 Fuses
IGNITION, RUN, ACCESSORY, and RAP Bus Bars, RAP #1 and RAP #2 Fuses
IGNITION, RUN, ACCESSORY, and RAP Bus Bars, RAP #1 and RAP #2 Fuses
Window/Door Lock Switch, Window Relays, G200
Window/Door Lock Switch, Window Relays, G200
Figure 2:

Window/Door Lock Switch, Window Relays, G200


Object Number: 691797  Size: FS
Master Electrical Component List
Power Windows Description and Operation
RAP Relay, BCM, Ignition Switch
Interior Lights Dimming Schematics Pick Up
RAP Relay, BCM, Ignition Switch
G203 - 2 of 4
RAP Relay, BCM, Ignition Switch
G200 - 1 of 2
G203 - 1 of 4
G200 - 1 of 2

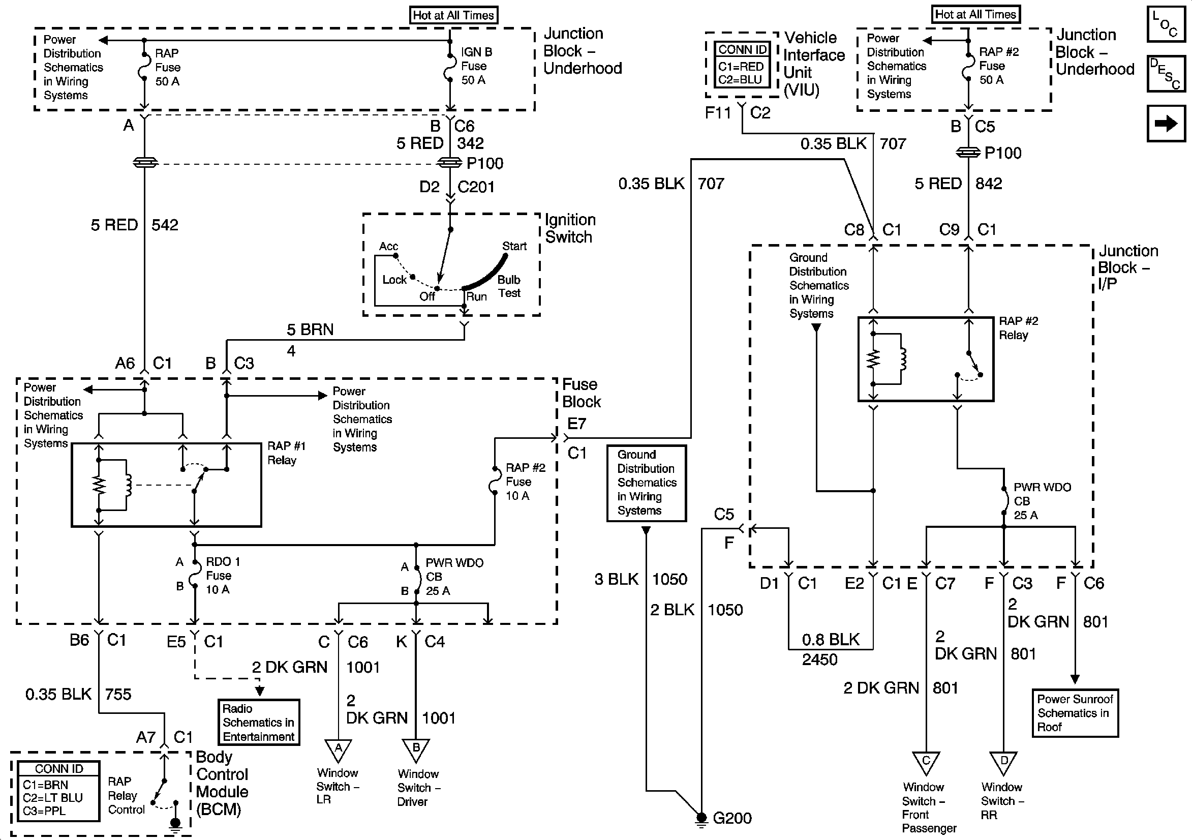
Power Window Schematics 4-Door

Figure 1:

RAP Relay, RAP 2 Relay, Ignition Switch, BCM


Object Number: 691802  Size: FS
Master Electrical Component List
Power Windows Description and Operation
Window Switches, Window Motors
Power Sunroof Schematics
RAP Fuse, IGN B Fuse Ignition Switch and RAP Relay
B+ Bus Bar
IGNITION, RUN, ACCESSORY, and RAP Bus Bars, RAP #1 and RAP #2 Fuses
G200 - 1 of 2
IGNITION, RUN, ACCESSORY, and RAP Bus Bars, RAP #1 and RAP #2 Fuses
IGNITION, RUN, ACCESSORY, and RAP Bus Bars, RAP #1 and RAP #2 Fuses
G200 - 1 of 2
Window Switches-Driver and LR, G305
Window Switches, Window Motors
Window Switches, Window Motors
Window Switches, G306
Figure 2:

Window Switches, Window Motors


Object Number: 691806  Size: FS
Master Electrical Component List
Power Windows Description and Operation
Window Switches-Driver and LR, G305
RAP Relay, RAP 2 Relay, Ignition Switch, BCM
G203 - 1 of 4
RAP Relay, RAP 2 Relay, Ignition Switch, BCM
RAP Relay, RAP 2 Relay, Ignition Switch, BCM
Window Switches-Driver and LR, G305
G200 - 1 of 2
Window Switches-Driver and LR, G305
G200 - 1 of 2
G203 - 1 of 4
Window Switches, G306
G200 - 1 of 2
Figure 3:

Window Switches-Driver and LR, G305


Object Number: 691808  Size: FS
Master Electrical Component List
Power Windows Description and Operation
Window Switches, G306
Window Switches, Window Motors
Window Switches, Window Motors
Window Switches, G306
RAP Relay, RAP 2 Relay, Ignition Switch, BCM
G305 and G306
Window Switches, Window Motors
G305 and G306
Figure 4:

Window Switches, G306


Object Number: 691812  Size: FS
Master Electrical Component List
Power Windows Description and Operation
Window Switches-Driver and LR, G305
RAP Relay, RAP 2 Relay, Ignition Switch, BCM
Window Switches-Driver and LR, G305
G305 and G306
Window Switches, Window Motors
G305 and G306