GM Service Manual Online
For 1990-2009 cars only
Makes
🢒
Chevrolet
🢒
2001
🢒
Chevy C Silverado - 2WD
🢒
Body and Accessories
🢒
Doors
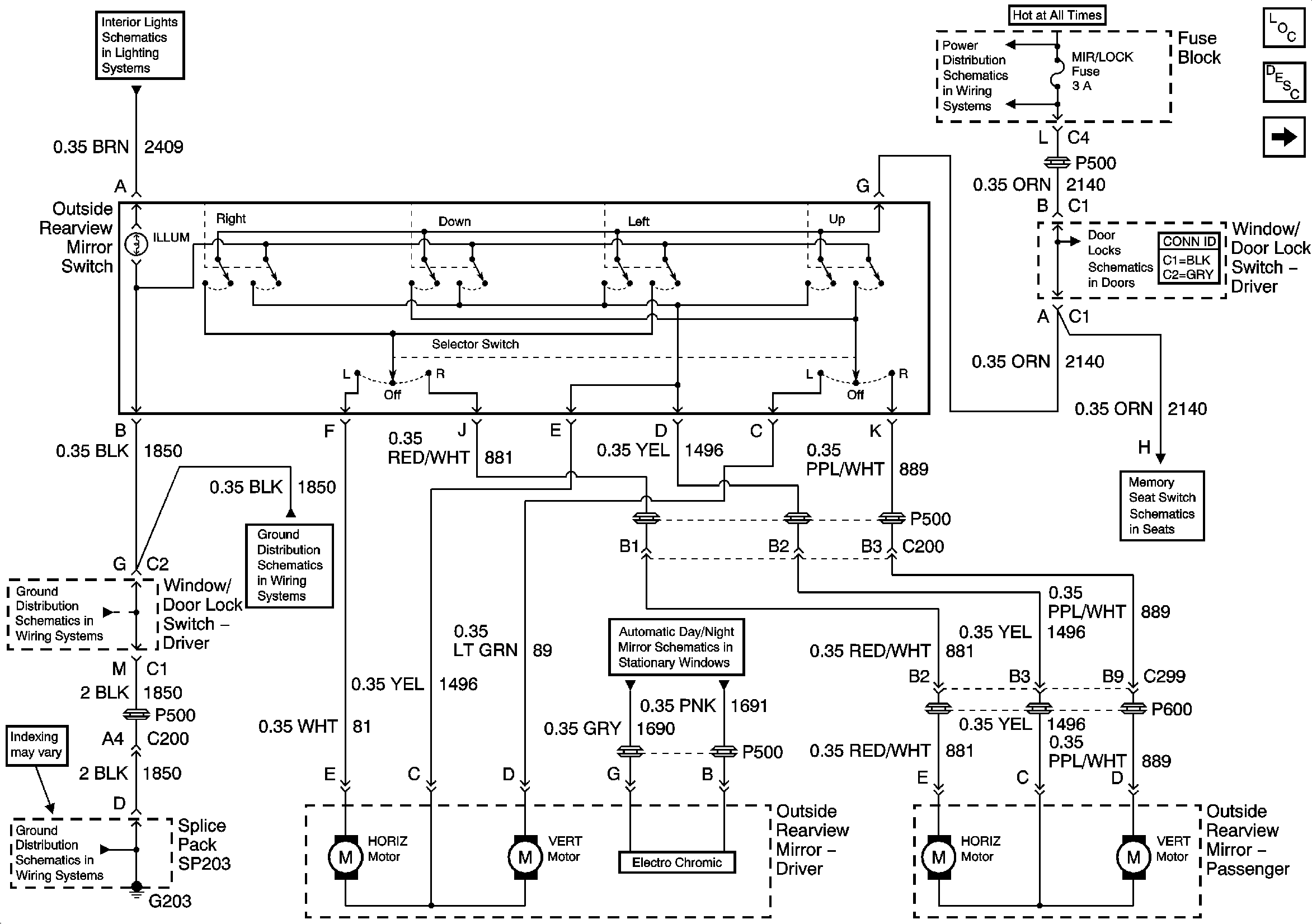
🢒 Outside Rearview Mirror Schematics
Figure
1:
Power Mirror Controls
Power Door Systems Component Views
Outside Mirror Description and Operation Heated Mirrors
w/Heated Mirrors
B+ Bus Bar
BCM, Door Lock Switches, Lock and Unlock Switches, G203
G203 - 2 of 4
G203 - 2 of 4
G203 - 1 of 4
PARK LPS Fuse, Parklamp Relay, Door Lock Switch-Driver, Heated Seat Switches, and Ashtray Lamp
Memory Seat Schematics
Auto Day-Night Mirrors Schematics - Utility
Figure
2:
Heated Mirror Controls
Power Door Systems Component Views
Outside Mirror Description and Operation Heated Mirrors
w/Electro Chromic
G203 - 2 of 4
G203 - 2 of 4
G203 - 1 of 4
G200 - 1 of 2
G200 - 1 of 2
G200 - 1 of 2
Defogger Controls