GM Service Manual Online
For 1990-2009 cars only
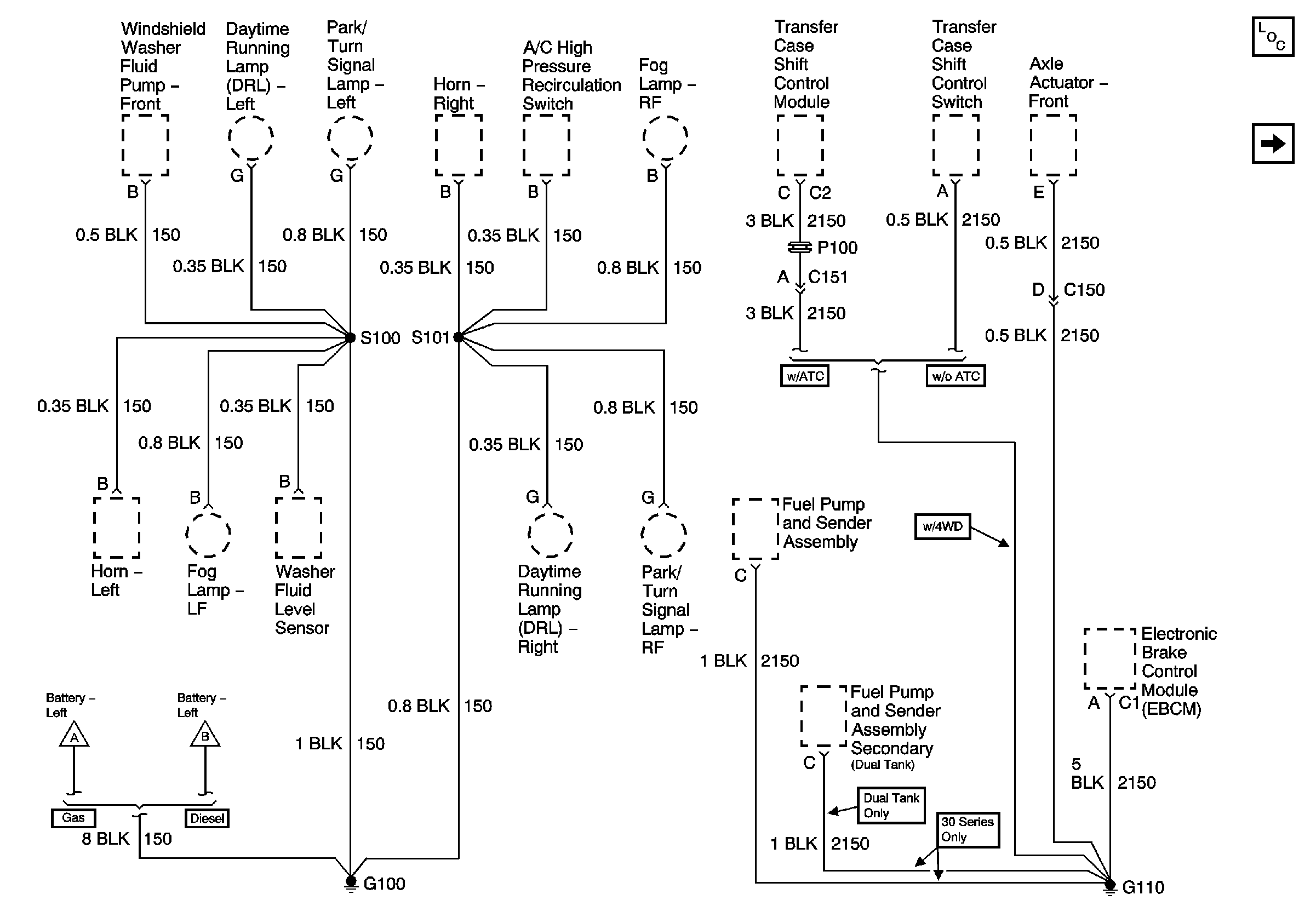
Figure 1:

G100 and G110


Object Number: 653505  Size: FS
Master Electrical Component List
G103 and G105 - Gas
G103 and G105 - Gas
G105 - Diesel
Figure 2:

G103 and G105 - Gas


Object Number: 653519  Size: FS
Master Electrical Component List
G104 - Gas
G100 and G110
G104 - Gas
G100 and G110
Figure 3:

G104 - Gas


Object Number: 653520  Size: FS
Master Electrical Component List
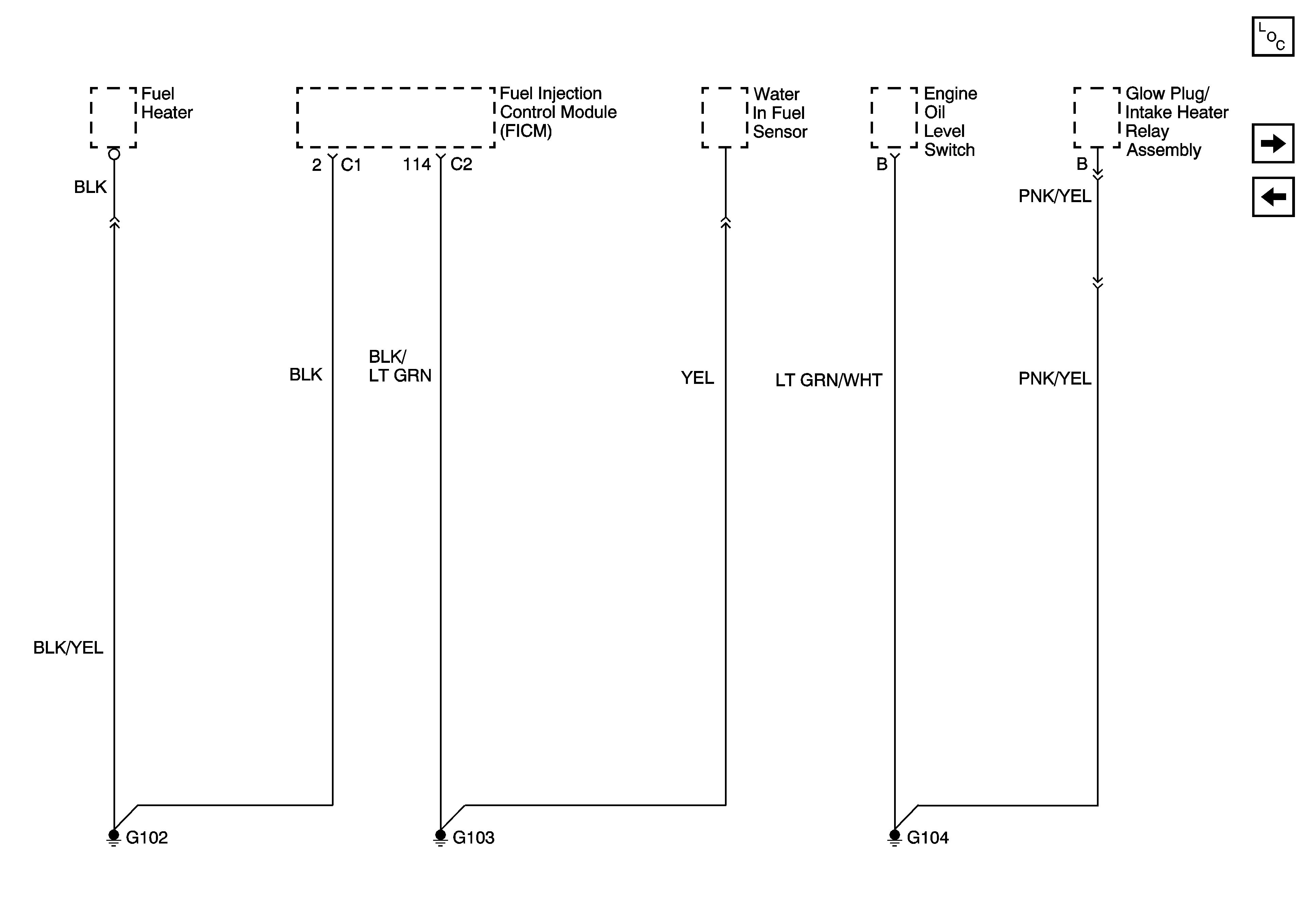
G102, G103, and G104 - Diesel
G103 and G105 - Gas
G103 and G105 - Gas
Figure 4:

G102, G103, and G104 - Diesel


Object Number: 740652  Size: FS
Master Electrical Component List
G105 - Diesel
G104 - Gas
Figure 5:

G105 - Diesel


Object Number: 653522  Size: FS
Master Electrical Component List
G106 - Diesel
G102, G103, and G104 - Diesel
G106 - Diesel
G100 and G110
G106 - Diesel
Figure 6:

G106 - Diesel


Object Number: 653523  Size: FS
Master Electrical Component List
G200 - 1 of 2
G105 - Diesel
G105 - Diesel
G105 - Diesel
Figure 7:

G200 - 1 of 2


Object Number: 653524  Size: FS
Master Electrical Component List
G200 - 2 of 2
G106 - Diesel
G200 - 2 of 2
Figure 8:

G200 - 2 of 2


Object Number: 653525  Size: FS
Master Electrical Component List
G203 - 1 of 4
G200 - 1 of 2
G200 - 1 of 2
Figure 9:

G203 - 1 of 4


Object Number: 653526  Size: FS
Master Electrical Component List
G203 - 2 of 4
G200 - 2 of 2
G203 - 2 of 4
G203 - 2 of 4
G203 - 3 of 4 - Base Pickup
G203 - 4 of 4 - Utility and Uplevel Pickup
Figure 10:

G203 - 2 of 4


Object Number: 653527  Size: FS
Master Electrical Component List
G203 - 3 of 4 - Base Pickup
G203 - 1 of 4
G203 - 1 of 4
G203 - 1 of 4
Figure 11:

G203 - 3 of 4 - Base Pickup


Object Number: 653588  Size: FS
Master Electrical Component List
G203 - 4 of 4 - Utility and Uplevel Pickup
G203 - 2 of 4
G203 - 1 of 4
Figure 12:

G203 - 4 of 4 - Utility and Uplevel Pickup


Object Number: 653593  Size: FS
Master Electrical Component List
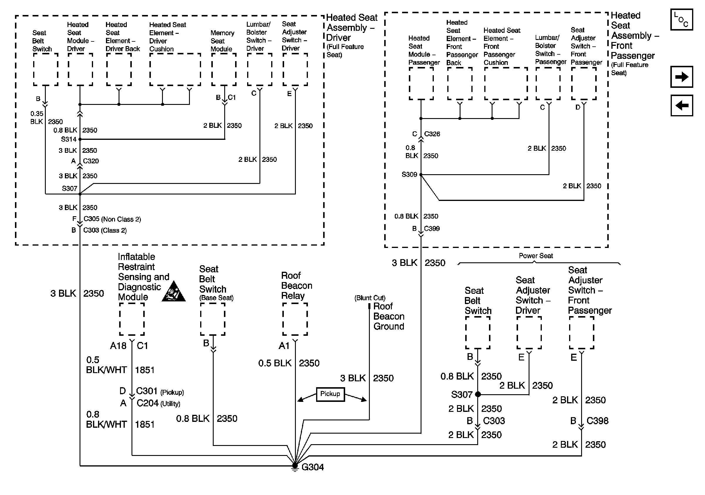
G304
G203 - 3 of 4 - Base Pickup
G203 - 1 of 4
Figure 13:

G304


Object Number: 653596  Size: FS
Master Electrical Component List
G305 and G306
G203 - 4 of 4 - Utility and Uplevel Pickup
Figure 14:

G305 and G306


Object Number: 653599  Size: FS
Master Electrical Component List
G401 - w/o Rear Bussing Block
G304
Figure 15:

G401 - w/o Rear Bussing Block


Object Number: 653601  Size: FS
Master Electrical Component List
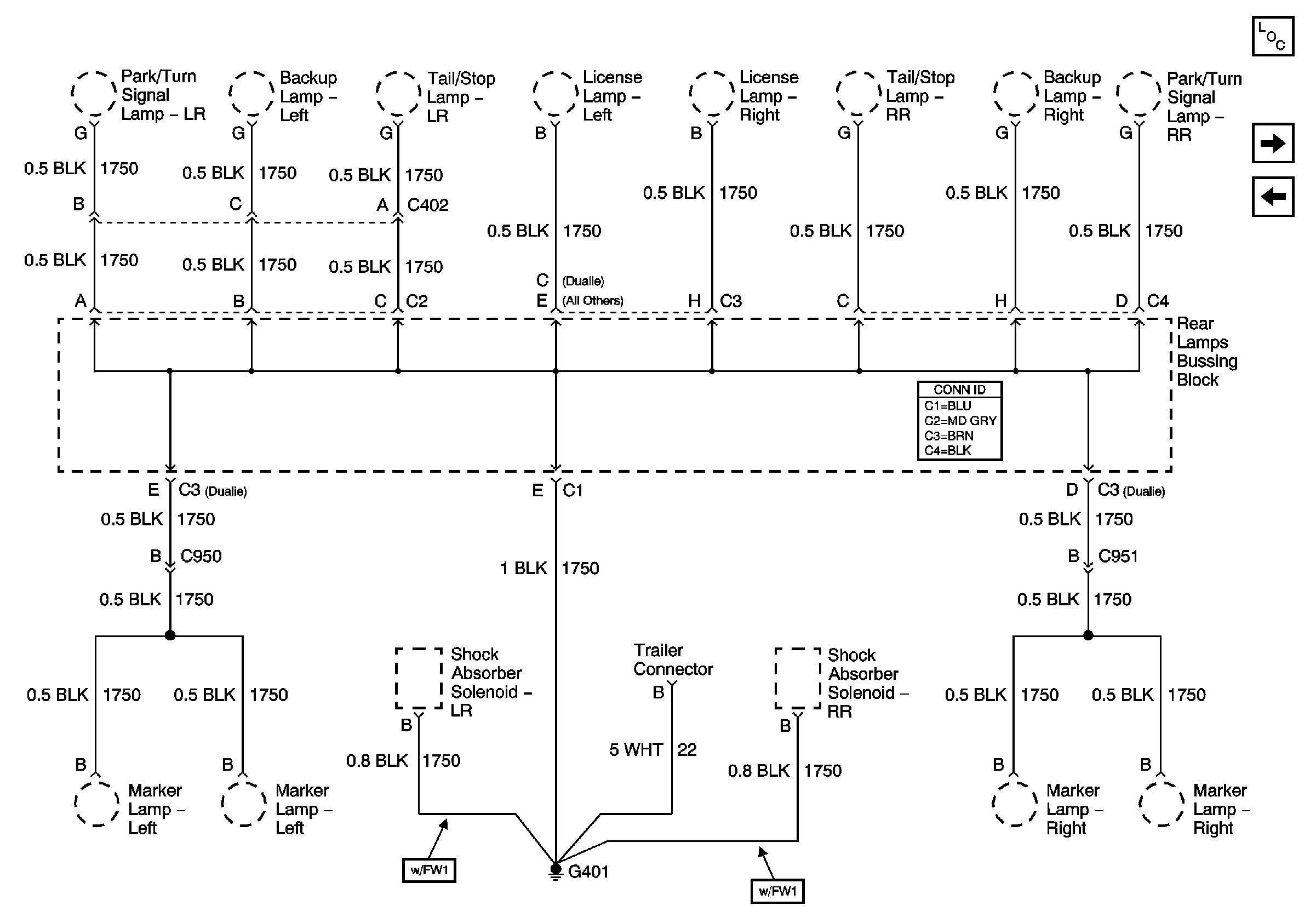
G401 - w/Rear Bussing Block
G305 and G306
Figure 16:

G401 - w/Rear Bussing Block


Object Number: 839289  Size: FS
Master Electrical Component List
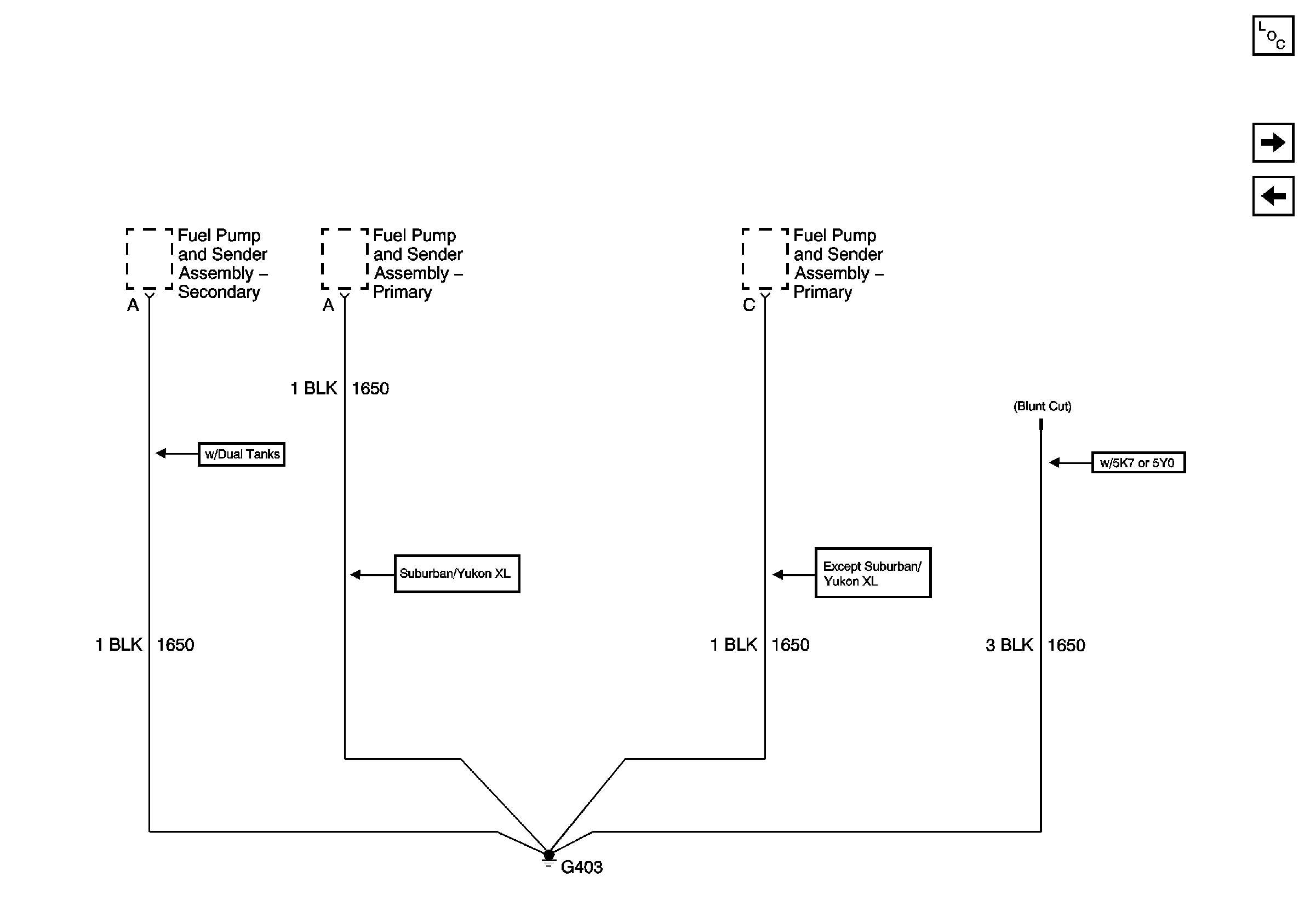
G403
G401 - w/o Rear Bussing Block
Figure 17:

G403


Object Number: 839293  Size: FS
Master Electrical Component List
G410 - 1 of 2
G401 - w/Rear Bussing Block
Figure 18:

G410 - 1 of 2


Object Number: 839295  Size: FS
Master Electrical Component List
G410 - 2 of 2
G403
G410 - 2 of 2
Figure 19:

G410 - 2 of 2


Object Number: 839296  Size: FS
Master Electrical Component List
G410 - 1 of 2
G410 - 1 of 2