GM Service Manual Online
For 1990-2009 cars only
Makes
🢒
Chevrolet
🢒
2001
🢒
Chevy C Silverado - 2WD
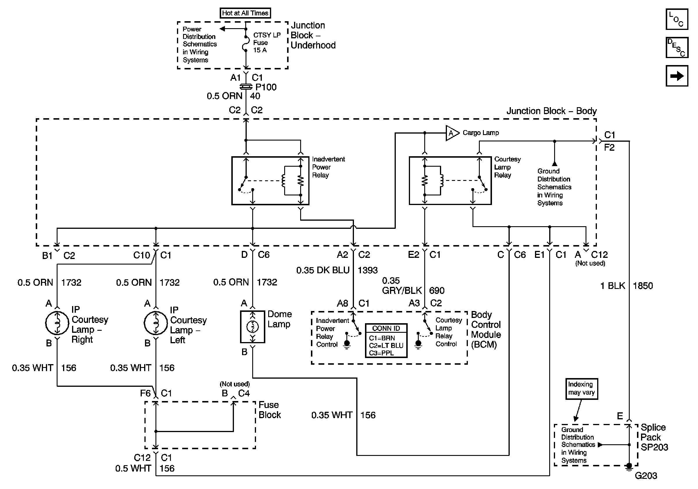
🢒 Courtesy and Dome Lamp Control
Courtesy and Dome Lamp Control
Courtesy and Dome Lamp Control
Master Electrical Component List
Interior Lighting Systems Description and Operation
Cargo and Underhood Lamp Control
B+ Bus Bar
Cargo and Underhood Lamp Control
G203 - 3 of 4 - Base Pickup
G203 - 1 of 4