GM Service Manual Online
For 1990-2009 cars only
Makes
🢒
Chevrolet
🢒
2001
🢒
Chevy C Silverado - 2WD
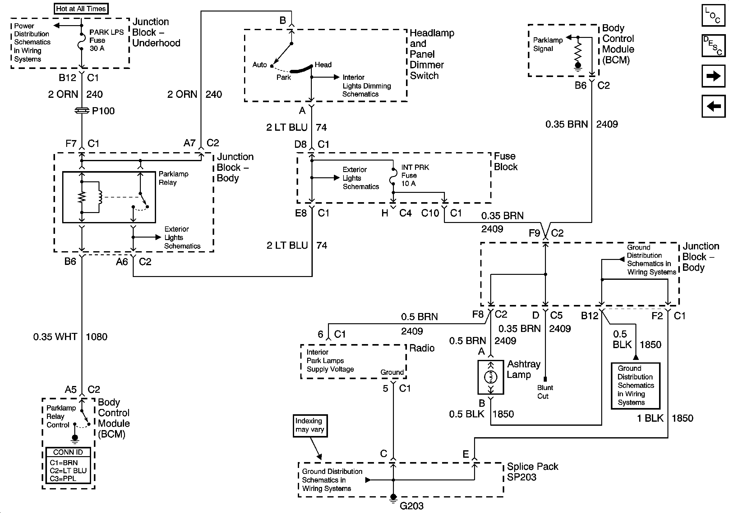
🢒 Parklamp Signal and Ashtray Lamp
Parklamp Signal and Ashtray Lamp
Parklamp Signal and Ashtray Lamp
Master Electrical Component List
Interior Lighting Systems Description and Operation
Driver and Passenger Mini Wedges
Cargo and Underhood Lamp Control
B+ Bus Bar
Dimming Control, Traction Control, Fog Lamp and Selectable Ride Switches
Park Lamp Relay, FR PRK, TRL PRK, LR PRK, and RR PRK Fuses
INT PRK Fuse, Roof Marker Lamps and Clearance Lamps
G203 - 3 of 4 - Base Pickup
G203 - 3 of 4 - Base Pickup
G203 - 1 of 4